reklama

Vlastní osvětlení a další elektronika - 8

Pokračujeme v diskusi o výrobě osvětlení lehokola i další DYI elektronice. Předchozí díly:

7. díl: http://www.nakole.cz/diskuse/16797-vlastni...
6. díl: http://www.nakole.cz/diskuse/16414-vlastni...
5. díl: http://www.nakole.cz/diskuse/15798-vlastni...
4. díl: http://www.nakole.cz/diskuse/15570-vlastni...
3. díl: http://www.nakole.cz/diskuse/14034-vlastni...
2. díl: http://www.nakole.cz/diskuse/12599-vlastni...
1. díl: http://www.nakole.cz/diskuse/10771-vlastni...

A související témata:
PWM pro výkonné LED diody: http://www.nakole.cz/diskuse/12574-pwm-pro...
Napájení LED z dynama: http://www.nakole.cz/diskuse/4569-napajeni-led...
LED diody: http://www.nakole.cz/diskuse/251-led-diody.html

[ Reagovat ] [ Zpět ]
Datum: 30.01.2014
Autor: Akito
  • Mikrospínače (pokračování ze sedmičky)

         

    Jirko, já jsem i uvažoval že bych nad mikrospínač odlil ze silikonu nějaký hmatník, což by zároveň řešilo vodotěsnost. Ale je to krok navíc a zbytek krabičky nakonec nemám vodotěsný, tak jsem si to chtěl ušetřit. To spíš předělám tu krabičku, aby se tam dal dát plošňák s tlustěí vrstvou součástek dole.

    [ Reagovat ] [ Zpět ]
    Datum: 30.01.2014
    Autor: Akito
    Hodnocení: 0 Hlasovat mohou jen přihlášení uživatelé Hlasovat mohou jen přihlášení uživatelé 0
    • Re: Mikrospínače (pokračování ze sedmičky)

           

      Osvědčilo se mi to tlačítko, co jsi odkazoval, jen s delším hmatníkem. Mám v krabičce vyvrtanou díru o kousíček větší než je hmatník, z vnějšku přelepené elektrikářskou izolačkou a v krabičce na hmatníku narvaný o-kroužek. Taková dvojí ochrana proti vodě. Zatím to funguje velmi dobře.

      [ Reagovat ] [ Zpět ]
      Datum: 30.01.2014
      Autor: snilard
      Hodnocení: 0 Hlasovat mohou jen přihlášení uživatelé Hlasovat mohou jen přihlášení uživatelé 0
  • Vnitřní odpor Li-ion baterky

         

    Jaký tak zhruba je vnitřní odpor Li-ion baterky 18650? Chtěl bych pomocí toho odhadnout, jak špatně mám udělané vysokoproudé cesty v obvodu (držák baterky, kabely, ...).

    Na testovacím obvodu s držákem baterky z DX a slabými dráty mi při proudu 1.55 A poklesne napětí skoro vybité baterky z 3.6 V na 3.1 V, což by ukazovalo na vnitřní odpor 0.32 Ohmů. Ale vůbec nevím jestli je to závislé třeba i na stavu nabití baterky a dalších věcech.

    [ Reagovat ] [ Zpět ]
    Datum: 31.01.2014
    Autor: Akito
    Hodnocení: 0 Hlasovat mohou jen přihlášení uživatelé Hlasovat mohou jen přihlášení uživatelé 0
    • Re: Vnitřní odpor Li-ion baterky

           

      Vždyť jsi ho právě měřil. Zatížit ji známým proudem a měřit pokles napětí, ale to přímo na ploškách baterky.

      [ Reagovat ] [ Zpět ]
      Datum: 01.02.2014
      Autor: Radek
      Hodnocení: 0 Hlasovat mohou jen přihlášení uživatelé Hlasovat mohou jen přihlášení uživatelé 0
      • Re: Vnitřní odpor Li-ion baterky

             

        Práveže neměři. Měl jsem tam dost velké odpory i jinde. A zajímalo by mě jaký mám očekávat, abych ty odpory jinde mohl odhadnout. Právěže jsem vyzkoušel, že na ploškách baterky se připojuje něco dost těžko, aniž by to mělo velký přechodový odpor.

        [ Reagovat ] [ Zpět ]
        Datum: 01.02.2014
        Autor: Akito
        Hodnocení: 0 Hlasovat mohou jen přihlášení uživatelé Hlasovat mohou jen přihlášení uživatelé 0
        • Re: Vnitřní odpor Li-ion baterky

               

          Takhle: Potřebuješ změřit odpor jenom baterky. Změříš si její napětí naprázdno. Pak připojíš nějakou zátěž a měříš v obvodu proud, který prokazatelně baterkou teče i přes přechodové odpory.
          V tomto momentě se píchneš nejlíp jiným měřákem nezávisle přímo na plošky baterie, nějak to musí jít. Tím zjistíš pokles napětí přesně jenom na baterce při tomhle proudu = odpor baterie.
          Podobně změříš přesně odpor každého drátu a spoje zvlášť, nemusíš nic odhadovat.

          [ Reagovat ] [ Zpět ]
          Datum: 01.02.2014
          Autor: Radek
          Hodnocení: 0 Hlasovat mohou jen přihlášení uživatelé Hlasovat mohou jen přihlášení uživatelé 0
        • Re: Vnitřní odpor Li-ion baterky

               

          Nemám doma ani jednu 18650 (stydím se), ale cvičně jsem změřil aspoň ty BLC-2 z Nokie, co jsem jednu trochu novější použil do zadního světla a dvě hodně staré ještě mám. Při asi půl ampéru mají každá 0,2 Ohmu, nabíjené byly někdy před rokem, naprázdno tam bylo kolem 3,8 V.
          Ten postup bych trochu upravil, to napětí se během testu baterky může měnit, podle jejího stavu. Tak je lepší změřit to napřed při zátěži, pak hned v okamžiku odpojení zátěže, voltmetr pořád na ploškách baterie, zapsat si rozdíl. Toto párkrát zopakovat.

          [ Reagovat ] [ Zpět ]
          Datum: 01.02.2014
          Autor: Radek
          Hodnocení: 0 Hlasovat mohou jen přihlášení uživatelé Hlasovat mohou jen přihlášení uživatelé 0
    • Re: Vnitřní odpor Li-ion baterky

           

      Ono to je dost různé podle druhu a kapacity baterky. Ty modelářské mají třeba kolem pár mOhm až pár desítek mOhm. Nějaké obyč 18650 bych věřil i 100 mOhm.

      [ Reagovat ] [ Zpět ]
      Datum: 01.02.2014
      Autor: snilard
      Hodnocení: 0 Hlasovat mohou jen přihlášení uživatelé Hlasovat mohou jen přihlášení uživatelé 0
  • Dráty

         

    Kde kupujete dráty? Já jsem koupil v GME dvojlinku s průměrem mědi 0.75 mm, ale má to _brutálně_ tlustou izolaci. Potřeboval bych něco menšího ohebnějšího při zachování průřezu. V nejkritičtějším místě jsem to vyřešil tak, že jsem izolaci odstranil úplně a to měděné lanko navlékl do smršťovací bužírky. Představoval bych si, kdyby bylo něco takového už předpřipraveného.

    [ Reagovat ] [ Zpět ]
    Datum: 31.01.2014
    Autor: Akito
    Hodnocení: 0 Hlasovat mohou jen přihlášení uživatelé Hlasovat mohou jen přihlášení uživatelé 0
    • Re: Dráty

           

      Já osobně v GESu, ale jen proto, že to mám kousíček od školy. Nabídka tam bude stejná, ne-li menší než v GMe.

      [ Reagovat ] [ Zpět ]
      Datum: 01.02.2014
      Autor: snilard
      Hodnocení: 0 Hlasovat mohou jen přihlášení uživatelé Hlasovat mohou jen přihlášení uživatelé 0
    • Re: Dráty

           

      Dráty patří mezi druh, který má sklony se rychle množit a nevím, čím to je. Už dlouho jsem nic nekupoval.
      Teď zrovna něco vhodného hledám - vždycky se najde, viz foto.
      Když je potřeba nějaký delší kus, koupím třeba v EZK. A zas něco zbude.
      Ani nevím, kde se to všechno sesbíralo, ale i tady doma při vyklízení zbytků od původního majitele se našlo pár desítek metrů různých drátů a kabelů.

      [ Reagovat ] [ Zpět ]
      Datum: 01.02.2014
      Autor: Radek
      Hodnocení: 0 Hlasovat mohou jen přihlášení uživatelé Hlasovat mohou jen přihlášení uživatelé 0
    • Re: Dráty

           

      modelari pouzivaji velmi pekne lankove vodice se silikonovou izolaci.-ne dvojlinky - Ta izolace je relativne tenka. Takze ma rada je "zajdi do modelářské prodejny" ... a nachystej si peněženku :-(

      [ Reagovat ] [ Zpět ]
      Datum: 06.02.2014
      Autor: cibi
      Hodnocení: 0 Hlasovat mohou jen přihlášení uživatelé Hlasovat mohou jen přihlášení uživatelé 0
      • Re: Dráty

             

        No fakt, máš pravdu. Dokonce i JST konektory tam mají.

        http://www.rcking.eu/cs/303-kabely
        http://www.rcking.eu/cs/300-konektory

        [ Reagovat ] [ Zpět ]
        Datum: 06.02.2014
        Autor: Akito
        Hodnocení: 0 Hlasovat mohou jen přihlášení uživatelé Hlasovat mohou jen přihlášení uživatelé 0
      • Re: Dráty

             

        Jen info - nakoupil jsem před časem modelářské dráty se silikonovou izloací. Teď jsem je zkusil použít a je to fakt super. Hlavní vlastnost je, že silikonová izolace se na rozdíl od té věci z GME nesmršťuje teplem, takže když odizoluju konec kabelu a někam to připájím, zůstane odizolovaný přesně ten kus, který jsem před pájením odizoloval. A ne jak u těch standardních dvojlinek, že izolace ještě pájením několik mm uteče dozadu.

        Díky za tenhle tip, fakt to pomohlo!

        [ Reagovat ] [ Zpět ]
        Datum: 02.01.2015
        Autor: Akito
        Hodnocení: 0 Hlasovat mohou jen přihlášení uživatelé Hlasovat mohou jen přihlášení uživatelé 0
    • Re: Dráty

           

      Co dráty z ATX zdrojů? Mívají přiměřený průřez a izolace mi přišla v pohodě. Osobně snad všechna zařízení stavím z žil z IDE kabelů („slaboproud“) a z drátů ze starých zdrojů.

      [ Reagovat ] [ Zpět ]
      Datum: 28.06.2014
      Autor: JendaH
      Hodnocení: 0 Hlasovat mohou jen přihlášení uživatelé Hlasovat mohou jen přihlášení uživatelé 0
  • Re: Vlastní osvětlení a další elektronika - 8

         

    Jak jsme se tady bavili o těch osciloskopech, tak mi to nedalo a udělal jsem si z Arduino "poor man oscilloscope" a změřil jsme tím průběh napětí na zadní blikačce. Nic neočekávaného jsem tam neobjevil.
    Hloupé je, že se mi podařilo při vypínání výbojem statické elktřiny oddělat v lepším případě vypínač, v horším hlavní tranzistor a případně ještě něco. Takže tím je pro dnešek konec testování. Vyměnit ten mosfet znamená vyndat celou elektroniku z rámu, což je tak na odpoledne :/

    [ Reagovat ] [ Zpět ]
    Datum: 03.02.2014
    Autor: snilard
    Hodnocení: 0 Hlasovat mohou jen přihlášení uživatelé Hlasovat mohou jen přihlášení uživatelé 0
    • Re: Vlastní osvětlení a další elektronika - 8

           

      No a tos měřil co? Protože pokud máš PWM na 125 kHz a arduino dokáže měřit tak na 10 kHz, nemůžeš dostat takovýto graf jinak než náhodou. Nebo jsi kvůli měření změnil frekvenci?

      [ Reagovat ] [ Zpět ]
      Datum: 03.02.2014
      Autor: Akito
      Hodnocení: 0 Hlasovat mohou jen přihlášení uživatelé Hlasovat mohou jen přihlášení uživatelé 0
      • Re: Vlastní osvětlení a další elektronika - 8

             

        Frekvenci měření nedokážu přesně určit, interval mezi měřeními určilo kromě měření samotného i odesílání do počítače. Nastavil jsem tam sériový port na 38400 bps, myslím. Relativně vypovídající bude údaj, že délka toho schodu před každým bliknutím je 16 ms každé bliknutí je asi 3x16 ms. Takže vzorkovací frekvence něco přes 1 kHz.

        [ Reagovat ] [ Zpět ]
        Datum: 03.02.2014
        Autor: snilard
        Hodnocení: 0 Hlasovat mohou jen přihlášení uživatelé Hlasovat mohou jen přihlášení uživatelé 0
        • Re: Vlastní osvětlení a další elektronika - 8

               

          Aha, takže ten graf jsou jednotlivá bliknutí, ne rozvlnění v rámci regulace. Tak to pak jo, to je tak v souladu s tím, co bych od toho očekával. BTW, zvětši si rychlost sériového portu na 115200 baudů nebo i 230400, změň protokol z textového na binární, a dostaneš z toho víc. Jak jsme viděli, umi ADC pracovat na cca 10 kHz. Když potřebuješ toto procpat sériovou linkou, potřebuješ pod 2 bajty na jedno čtení (v textovém režimu několikrát víc), což je 16 bitů plus 2 start bity a 2 stop bity, a 115200 baudů je furt málo.

          Já bych posílal v prvním bajtu třeba 0x80 + horní tři bity hodnoty ADC a ve druhém bajtu dolních 7 bitů (MSB nulový). Takto by se dalo při čtení rozlišit kde začíná a kde končí jednotlivé měření. Asi by šlo dělat i nějakou kompresi - třeba posílat rozdíl od posledně v delta kódování.

          No ale šla by asi postavit deska s rychlostí okolo 100 kHz - ADC sampluje hodnotu jen v jednom taktu ze 14 (nebo možná v jednom a půl). Takže pokud bych vedle sebe postavil 14 procesorů se začátky měření posunutými o jeden takt ADC, mělo by to fungovat.

          [ Reagovat ] [ Zpět ]
          Datum: 03.02.2014
          Autor: Akito
          Hodnocení: 0 Hlasovat mohou jen přihlášení uživatelé Hlasovat mohou jen přihlášení uživatelé 0
          • Re: Vlastní osvětlení a další elektronika - 8

                 

            Jo dají se dělat ledajaké opičárny. Teď je to bohužel trochu mimo hru. Ale třeba se do toho jednou pustím :)

            Mne na zvýšení frekvence vzorkování napadla jiná praktika. Udělat to stejně, jak to dělají ty digitání osciloskopy. Udělat vzorek, kolik se vejde do paměti a pak to poslat do počítače najednou.

            [ Reagovat ] [ Zpět ]
            Datum: 03.02.2014
            Autor: snilard
            Hodnocení: 0 Hlasovat mohou jen přihlášení uživatelé Hlasovat mohou jen přihlášení uživatelé 0
            • Re: Vlastní osvětlení a další elektronika - 8

                   

              U periodickych prubehu existuje jeste jedna finta. Rika se tomu tusim vzorkovaci osciloskop nebo tak nejak.

              Z kazde periody signalu si vezmes jen jednu (teoreticky lze i vic) presne zmerenou hodnotu a dalsi mereni si vzdycky naplanujes treba o 1us od triggeru pozdeji nez predchozi. Vykresleni celeho prubehu sice trva dlouho, ale pokud je to opravdu periodicky prubeh, muzes pracovat i se signalem, na ktery ti vzorkovaci frekvence davno nestaci.

              Omezuje te pak akorat cas sample&hold u ADC, presnost triggeru (realizovany asi komparatorem) a moznosti presne nacasovat spusteni ADC.

              [ Reagovat ] [ Zpět ]
              Datum: 03.02.2014
              Autor: Jrr
              Hodnocení: 0 Hlasovat mohou jen přihlášení uživatelé Hlasovat mohou jen přihlášení uživatelé 0
              • Re: Vlastní osvětlení a další elektronika - 8

                     

                No a jak se realizuje ten trigger? Ten přece taky musíš dělat přes ADC, a pokud zpracování hodnoty z ADC je pomalejší, tak budeš mít velký rozptyl toho, kdy došlo k aktivaci toho triggeru.

                [ Reagovat ] [ Zpět ]
                Datum: 29.06.2014
                Autor: Akito
                Hodnocení: 0 Hlasovat mohou jen přihlášení uživatelé Hlasovat mohou jen přihlášení uživatelé 0
                • Re: Vlastní osvětlení a další elektronika - 8

                       

                  Na to by ti mel stacit komparator. Aspon u jednoduchych osciloskopu reaguje trigger na vzestupnou nebo sestupnou hranu v okamziku protnuti nastaveneho napeti (u tech chytrejsich jdou nastavit i jine podminky), coz jde vyresit relativne snadno.

                  [ Reagovat ] [ Zpět ]
                  Datum: 29.06.2014
                  Autor: Jrr
                  Hodnocení: 0 Hlasovat mohou jen přihlášení uživatelé Hlasovat mohou jen přihlášení uživatelé 0
      • Re: Vlastní osvětlení a další elektronika - 8

             

        Tady je celý zdroják toho, co běží v Arduinu.

        void setup() {
        Serial.begin(38400);
        }

        void loop() {
        Serial.println(analogRead(A0));
        }

        Další pokusy s uložením vzorků do paměti a odesláním najednou se odkládají na neurčito. Musím zpravit ten hlavní vypínač, který dostal ránu statickou elektřinou.
        Btw. To, že dám kolu ránu se mi stává pouze v případě, že mám obvod připojení na zem počítače, což jsem přes to Arduino měl. jsem hloupej, že jsem jako první sáhl na vypínač.

        [ Reagovat ] [ Zpět ]
        Datum: 03.02.2014
        Autor: snilard
        Hodnocení: 0 Hlasovat mohou jen přihlášení uživatelé Hlasovat mohou jen přihlášení uživatelé 0
  • Topítko do bot

         

    Potřeboval jsem vyzkoušet jak topí topítko do bot na různé výkonové stupně. Tak jsem si tu vložku do bot s odporovým drátem přiložil k uchu, jakože ucho je citlivější na teplotu. No a překvapení - ono to uvnitř bručí! Já do toho posílám proud jako PWM s frekvencí časovače 16 kHz a cyklem po 255 krocích, číli tak 62 Hz. No a překvapivě ta frekvence tomu odpovídá.

    Proč to vydává zvuk, když to ani není cívka, jen drát do kterého se zapíná a vypíná cca 2 A proudu?

    [ Reagovat ] [ Zpět ]
    Datum: 03.02.2014
    Autor: Akito
    Hodnocení: 0 Hlasovat mohou jen přihlášení uživatelé Hlasovat mohou jen přihlášení uživatelé 0
    • Re: Topítko do bot

           

      A nedělá ti tam membránu ta izolepa? Jinak tomu také vůbec nerozumím, proč se to takhle děje.
      62 Hz, není to pořád zbytečně moc. Nestačila by čtvrtina?

      [ Reagovat ] [ Zpět ]
      Datum: 04.02.2014
      Autor: snilard
      Hodnocení: 0 Hlasovat mohou jen přihlášení uživatelé Hlasovat mohou jen přihlášení uživatelé 0
      • Re: Topítko do bot

             

        Já jsem původně měl asi 8 Hz, ale příliš mi blikala stavová LEDka vlivem rozvlnění napětí (nemám stabilizátor, MCU napájím přímo z baterky jen přes diodu a kondenzátor). Tak jsem zvýšil frekvenci co to snese: ve firmwaru jsem zavedl omezení že hodnota PWM (duty nebo jak se to jmenuje) bude minimálně 8 a maximálně TOP-8. abych měl aspoň 8 taktů T/C1 (při taktování na 16 kHz) na změření napětí v obou stavech. No a zjistil jsem, že dvě měření ADC udělám ve velké většině do 5 taktů, někdy do 6. Což stačí.

        [ Reagovat ] [ Zpět ]
        Datum: 04.02.2014
        Autor: Akito
        Hodnocení: 0 Hlasovat mohou jen přihlášení uživatelé Hlasovat mohou jen přihlášení uživatelé 0
    • Re: Topítko do bot

           

      IMO jsi prostě postavil reproduktor. :) Viz definice http://cs.wikipedia.org/wiki/Amp%C3%A9r .
      Jinak cívka to svým způsobem je, ona je "cívka" i rovný drát (ve smyslu že má nenulovou indukčnost). Jednotlivé "meandry" drátu přilepené k vložce chtějí k sobě, takže ji prohnou a po vypnutí proudu se zas svou vlastní pružností srovná. Jestli je síla mezi dráty dostatečná pro slyšitelný efekt bych z placu neuměl odhadnout, ale tvoje pozorování je docela dobrá experimentální odpověď.

      [ Reagovat ] [ Zpět ]
      Datum: 04.02.2014
      Autor: Marble
      Hodnocení: 0 Hlasovat mohou jen přihlášení uživatelé Hlasovat mohou jen přihlášení uživatelé 0
      • Re: Topítko do bot

             

        Chjo, tohle jsme určitě ve škole brali, a já už si to vůbec nepamatuju. No ale aspoň je to výhoda toho bastlení - člověk se furt dozvídá nové věci (i když některé nejsou až tak nové).

        [ Reagovat ] [ Zpět ]
        Datum: 04.02.2014
        Autor: Akito
        Hodnocení: 0 Hlasovat mohou jen přihlášení uživatelé Hlasovat mohou jen přihlášení uživatelé 0
    • Re: Topítko do bot

           

      Však i vedení VN a VVN bručí ...
      8-)

      [ Reagovat ] [ Zpět ]
      Datum: 04.02.2014
      Autor: AV
      Hodnocení: 0 Hlasovat mohou jen přihlášení uživatelé Hlasovat mohou jen přihlášení uživatelé 0
    • Re: Topítko do bot

           

      Vysvětlit to neumím, ale napadlo mě, že by bylo celkem sranda, kdyby to psi slyšli výrazně lépe než lidi a nelíbilo se jim to. Lehokolo podle mě nepotřebuje k plašení psů žádnou další pomoc, tohle už by je asi přívádělo k šílenství :-).

      [ Reagovat ] [ Zpět ]
      Datum: 04.02.2014
      Autor: Jirka
      Hodnocení: 0 Hlasovat mohou jen přihlášení uživatelé Hlasovat mohou jen přihlášení uživatelé 0
      • Re: Topítko do bot

             

        Psi jsou spíš na ty vysoké frekvence, ne? Každopádně toto je lidsky slyšitelné fakt jen při přímém přiložení ucha - třeba tak do 1 cm.

        [ Reagovat ] [ Zpět ]
        Datum: 04.02.2014
        Autor: Akito
        Hodnocení: 0 Hlasovat mohou jen přihlášení uživatelé Hlasovat mohou jen přihlášení uživatelé 0
        • Re: Topítko do bot

               

          http://www.lsu.edu/deafness/HearingRange.html
          Máš pravdu, plašit to bude maximálně neotpýry :-).

          [ Reagovat ] [ Zpět ]
          Datum: 04.02.2014
          Autor: Jirka
          Hodnocení: 0 Hlasovat mohou jen přihlášení uživatelé Hlasovat mohou jen přihlášení uživatelé 0
          • Re: Topítko do bot

                 

            Tam píšou "bat - 2000-110000". To nechápu, jak by je mohl 63Hz zvuk plašit. Tak leda ty slony, ne?

            [ Reagovat ] [ Zpět ]
            Datum: 04.02.2014
            Autor: Akito
            Hodnocení: 0 Hlasovat mohou jen přihlášení uživatelé Hlasovat mohou jen přihlášení uživatelé 0
            • Re: Topítko do bot

                   

              To, co slyšíš, to není 63 Hz, to jsou jenom ty ostré hrany, v podstatě cokoliv směrem nahoru, tak možná i ti netopýři by měli šanci :-) Je to modulované frekvencí spínání, v případě symetrie 1:1 se to jeví jako bzučení 126 Hz.

              [ Reagovat ] [ Zpět ]
              Datum: 04.02.2014
              Autor: Radek
              Hodnocení: 0 Hlasovat mohou jen přihlášení uživatelé Hlasovat mohou jen přihlášení uživatelé 0
            • Re: Topítko do bot

                   

              Hm, evidentně jsem se díval blbě. Ale jak píš Radek, vyšší harmonické jsou někdy pěkné potvory a netopýři mají ten sonar extra citlivý...

              [ Reagovat ] [ Zpět ]
              Datum: 05.02.2014
              Autor: Jirka
              Hodnocení: 0 Hlasovat mohou jen přihlášení uživatelé Hlasovat mohou jen přihlášení uživatelé 0
      • Re: Topítko do bot

             

        No ja nevim, plaseni bych si predstavoval tak, ze se lehokola budou bat a chtit se dostat pryc... a moje zkusenost se psi je prevazne opacna, velmi je to zajimalo, v nekterych pripadech vypadali, ze si chteji kousnout... :-/

        Muj menic ve svetle bezi cca na 32 kHz prave protoze relativne vysoke frekvence slysim a hrozne mi to vadi (zdroj v PC me stval tak dlouho, az behem hledani priciny piskani nedopatrenim shorel), takze jsem chtel mit dostatecnou rezervu, abych to slyset nemohl...

        [ Reagovat ] [ Zpět ]
        Datum: 04.02.2014
        Autor: Jrr
        Hodnocení: 0 Hlasovat mohou jen přihlášení uživatelé Hlasovat mohou jen přihlášení uživatelé 0
        • Re: Topítko do bot

               

          Co když ti ten měnič chytne rezonanci na f/2? :-)
          Měl jsi někdy doma tu hrůzu zvanou TV, když byly jenom přístroje s 50 Hz rozkladem? Ty vyzařovaly (v případě PAL systému) tón 15625 Hz s takovou intenzitou, že to musel vymyslet hluchej, šlo to i přes dveře. Většina to asi neslyšela, ale jak to chytalo poloviční rezonanci, to bylo hned na reklamaci. Někdo to třeba slyšel i normálně, ale ve jménu pokroku byl ochotný podstoupit to mučení. Jak cena 100Hz TV spadla ze 40 tisíc, to už jsem neodolal. (Ta ale zas vyluzovala bzučení - kupodivu 100 Hz.) A jak postupně ty staré krámy zmizely úplně, to bylo najednou ticho i v servisu.

          [ Reagovat ] [ Zpět ]
          Datum: 04.02.2014
          Autor: Radek
          Hodnocení: 0 Hlasovat mohou jen přihlášení uživatelé Hlasovat mohou jen přihlášení uživatelé 0
          • Re: Topítko do bot

                 

            O tom, jaka frekvence to je, jsem nikdy nepremyslel, ale zapnutou televizi jsem od detstvi spolehlive poznal jakmile jsem vstoupil do mistnosti i kdyz mela vypnuty zvuk.
            To mi ale zase tak moc nevadilo, kdyz jsem se na to nesoustredil, prilis jsem to nevnimal. Ovsem pokud bylo ticho a chtel jsem spat, tak to mi vadilo.

            Podobny problem jsem ale mel i s 50Hz, protoze z druhe strany zdi byl rozvadec a kdyz si spatne sednul stykac a brucel, tak jsem v mistnosti nemohl spat... vecne jsme se o to doma hadali, pry to nemuzu vubec slyset... a rodicum pochopitelne casto vadilo, kdyz jsem vec generujici protivny zvuk jednoduse vypnul.... :-)

            [ Reagovat ] [ Zpět ]
            Datum: 04.02.2014
            Autor: Jrr
            Hodnocení: 0 Hlasovat mohou jen přihlášení uživatelé Hlasovat mohou jen přihlášení uživatelé 0
            • Re: Topítko do bot

                   

              Žejo! Já jsem taky měl rozvaděč za zdí a taky mě to štvalo a nemohl jsem usnout. Ale shodit a nahodit hlavní jistič většinou pomohlo. To ani nebyly žádné počítače, kterým by to mohlo vadit.

              [ Reagovat ] [ Zpět ]
              Datum: 04.02.2014
              Autor: Akito
              Hodnocení: 0 Hlasovat mohou jen přihlášení uživatelé Hlasovat mohou jen přihlášení uživatelé 0
              • Re: Topítko do bot

                     

                No presne, shodit a nahodit, ja dokonce presne vedel kterou pojitkou otocit, akoratze obcas to bylo potreba opakovane, postupne cim dal casteji, asi jak ten stykac starnul.... a efekt pak byl, ze takovahle operace probudila ty, co uz spali... :-/
                A alternativou bylo nechat to do rana vypnute a riskovat, ze se nestihne ohrat voda...

                [ Reagovat ] [ Zpět ]
                Datum: 04.02.2014
                Autor: Jrr
                Hodnocení: 0 Hlasovat mohou jen přihlášení uživatelé Hlasovat mohou jen přihlášení uživatelé 0
            • Re: Topítko do bot

                   

              Zvuk stykače se obvykle jeví jako 100 Hz. V paneláku to bývalo normální, takhle hučely výtahy a pračky všude okolo. To aspoň nebylo trvalé. Jednou tam přišli sousedi s ledničkou, co vydávala 300 Hz, hned za zdí a to se nedalo. Když jsem se trefil, že zrovna vypla, tak se dalo usnout, jinak většinou běžela. Asi jim víc sousedů něco naznačilo, že ji dali pak pryč.

              [ Reagovat ] [ Zpět ]
              Datum: 04.02.2014
              Autor: Radek
              Hodnocení: 0 Hlasovat mohou jen přihlášení uživatelé Hlasovat mohou jen přihlášení uživatelé 0
              • Re: Topítko do bot

                     

                Jeden semestr jsem mel na koleji spolubydliciho, kteremu se dobre spalo pri zvuku lednicky. Proste kdyz neslysel lednicku, mel pry potize usnout, nekecam.... takze je asi jasne, ze jsme si moc nerozumeli... :-D

                [ Reagovat ] [ Zpět ]
                Datum: 04.02.2014
                Autor: Jrr
                Hodnocení: 0 Hlasovat mohou jen přihlášení uživatelé Hlasovat mohou jen přihlášení uživatelé 0
  • Re: Vlastní osvětlení a další elektronika - 8

         

    Ahoj. Potřeboval bych poradit s ochranou hlavního spínacího prvku proti statickém elektřině.
    Jako hlavní spínací prvek používám n-mosfet mezi nulou baterky a zemí ovládanej přepínačem. Viz obrázek. Zádrhel je, že pokud připojím obvod na programátor, čímž spojím zem obvodu se zemí počítače, tak se nabíjím na jiný potenciál než kolo. Pravidelně pak dostanu od kola ránu. No a když se jako první dotknu páčky onoho přepínače, tak to šlusne ten n-mosfet, což je dost problém. Otázka zní, dá se nějak ten mosfet jednoduše ochránit, aby ten výboj nešel přes něj?

    [ Reagovat ] [ Zpět ]
    Datum: 09.02.2014
    Autor: snilard
    Hodnocení: 0 Hlasovat mohou jen přihlášení uživatelé Hlasovat mohou jen přihlášení uživatelé 0
    • Re: Vlastní osvětlení a další elektronika - 8

           

      Je to trochu výstřel do tmy, ale nešlo by použít nějaký kondík, kterým by ten výboj protekl ze spínače do země, nebo aspoň většina z něj, ale neměl vliv na funkci toho mosfetu?

      [ Reagovat ] [ Zpět ]
      Datum: 10.02.2014
      Autor: Jirka
      Hodnocení: 0 Hlasovat mohou jen přihlášení uživatelé Hlasovat mohou jen přihlášení uživatelé 0
    • Re: Vlastní osvětlení a další elektronika - 8

           

      Jestli se šlusne velkým napětím mezi G - S, dal bych tam zenerku.
      Nebo ten kondík třeba ještě k tomu. Když ještě nebyly zenerky standardně přidávané do modrých a bílých LED, dávaly se někdy paralelně jenom kondenzátory.

      [ Reagovat ] [ Zpět ]
      Datum: 10.02.2014
      Autor: Radek
      Hodnocení: 0 Hlasovat mohou jen přihlášení uživatelé Hlasovat mohou jen přihlášení uživatelé 0
      • Re: Vlastní osvětlení a další elektronika - 8

             

        Domnívám se, že ten průraz udělalo velké napětí mezi D - G. K zemi počítače mám připojenou zem obvodu, ne nulu baterky. I když zrovna v tomhle případě byla připojená i baterka.
        Takže bych měl dát mezi D - G zenerku a kondík? V jakém směru?

        [ Reagovat ] [ Zpět ]
        Datum: 11.02.2014
        Autor: snilard
        Hodnocení: 0 Hlasovat mohou jen přihlášení uživatelé Hlasovat mohou jen přihlášení uživatelé 0
        • Re: Vlastní osvětlení a další elektronika - 8

               

          Co je to za tranzistor?
          Mně se teda ještě žádný výkonový mosfet zničit nepodařilo a měl jsem za to, že tam už nějaký ten transil nebo jiná ochranná dioda mezi G - D je.
          Jinak jak píše Jrr.
          Když jsem dělal majáček, tam bylo potřeba osm mosfetů a koupil jsem nějaké na 200 mA v tom malinkatém pouzdru. Ty mi odešly skoro všechny - asi ještě při pájení. Ty evidentně ochranu neměly.
          Tak jsem vybrakoval z TV desek stejně velké, ale na 2 A a ty už všechny přežily.

          [ Reagovat ] [ Zpět ]
          Datum: 11.02.2014
          Autor: Radek
          Hodnocení: 0 Hlasovat mohou jen přihlášení uživatelé Hlasovat mohou jen přihlášení uživatelé 0
          • Re: Vlastní osvětlení a další elektronika - 8

                 

            Koukám do specifikace toho tranzistoru: http://www.irf.com/product-info/datasheets/data...
            Žádné max napětí mezi G - D tam doopravdy není. Znamená to, že ten průraz musel jít mezi G - S?
            Na zem počítače byla připojená zem obvodu, ne zem baterky.

            [ Reagovat ] [ Zpět ]
            Datum: 12.02.2014
            Autor: snilard
            Hodnocení: 0 Hlasovat mohou jen přihlášení uživatelé Hlasovat mohou jen přihlášení uživatelé 0
            • Re: Vlastní osvětlení a další elektronika - 8

                   

              Promiň, že jsem tě popletl, v tom druhém příspěvku jsem taky myslel G-S.
              To zapojení mi něco říká - máme to v principu stejně. U mě je ale jenom tlačítko a dál je to držené samo.
              Plus baterky je připojený k obvodu trvale, zem obvodu je na D. Mínus od baterky je na S. Mezi tím žádný náboj nevznikne. Jedině G je prakticky ve vzduchu, nebýt toho odporu 100K, co tam máš. Pro větší "šumovou odolnost" by to chtělo ho zmenšit (s tím i ten 47K) nebo aspoň přidat k němu kondenzátor, pokud nebude vadit to snížení rychlosti. Pro ještě větší jistotu - zenerku mezi G a S.

              [ Reagovat ] [ Zpět ]
              Datum: 12.02.2014
              Autor: Radek
              Hodnocení: 0 Hlasovat mohou jen přihlášení uživatelé Hlasovat mohou jen přihlášení uživatelé 0
    • Re: Vlastní osvětlení a další elektronika - 8

           

      Jako přepěťové ochrany se často používají varistory, akorát je třeba vědět maximální závěrné napětí toho tranzistoru a podle toho a podle skutečného provozního napětí dimenzovat ten varistor. Třeba takovýto na 17/22 V?

      http://www.gme.cz/erzc07dk270lc4-p119-355

      Aspoň předpokládám že statická elektřina generuje velký rozdíl napětí, ale minimální proudy. Proti nadproudu (třeba diodou uvnitř toho MOSFETu) při relativně malém napětí to neochrání.

      [ Reagovat ] [ Zpět ]
      Datum: 10.02.2014
      Autor: Akito
      Hodnocení: 0 Hlasovat mohou jen přihlášení uživatelé Hlasovat mohou jen přihlášení uživatelé 0
    • Re: Vlastní osvětlení a další elektronika - 8

           

      Dal bych zenerku odpovidajici ovladacimu napeti co nejbliz tranzistoru mezi Gate a zem, to znamena, ze odvedes pripadne prepeti (U > Uz) i zaporny naboj (U < -0.x). Podstatne to muzes vylepsit seriovym odporem na gate dratu, aby se omezil proud, ktery ta zenerka bude muset odvadet.

      Pripada mi ale, ze mas nejaky precitlively tranzistor, nevybavuju si, ze by mi v poslednich letech nejaky mosfet odesel a to jsem v nepajivem poli zkousel ledacos, casto jsem soucastky odpojoval/pripojoval pod napetim a se statikou jsem si hlavu vubec nelamal... :-D

      [ Reagovat ] [ Zpět ]
      Datum: 11.02.2014
      Autor: Jrr
      Hodnocení: 0 Hlasovat mohou jen přihlášení uživatelé Hlasovat mohou jen přihlášení uživatelé 0
      • Re: Vlastní osvětlení a další elektronika - 8

             

        Tohle byla fakt celkem rána, docela to štíplo. Je to malý n-mosfet asi s ochrannou diodou v pouzdře SOT23. Z mobilu ho teď nenajdu.

        [ Reagovat ] [ Zpět ]
        Datum: 11.02.2014
        Autor: snilard
        Hodnocení: 0 Hlasovat mohou jen přihlášení uživatelé Hlasovat mohou jen přihlášení uživatelé 0
      • Re: Vlastní osvětlení a další elektronika - 8

             

        Jaký je v tomto případě rozdíl mezi použitím zenerky a varistoru? Co jsem tak četl specifikace, tak varistory jsou schopny odvádět poruchové proudy i stovky ampér špičkově. Zenerka je ale typicky menší, aspoň pokud se bavíme o jednotkách nebo malých desítkách voltů.

        Nezničí se zenerka tím výbojem? Pokud ho to výrazně štíplo, nejspíš tam přeskočila jiskra, čili tam mohly být možná nějaké tisíce voltů.

        [ Reagovat ] [ Zpět ]
        Datum: 12.02.2014
        Autor: Akito
        Hodnocení: 0 Hlasovat mohou jen přihlášení uživatelé Hlasovat mohou jen přihlášení uživatelé 0
        • Re: Vlastní osvětlení a další elektronika - 8

               

          Vysoké napětí tam bylo určitě. Náboj a proud záleží na kapacitě těles, mezi nimiž to přeskočí. Zenerka se může zničit jedině nadproudem. Nesnese takové pulsní proudy jako varistor nebo ty různé polovodičové bleskojistky, ale na statiku většinou stačí.
          Kde se na ochranu proti statice dával jenom kondenzátor pár nF, konkrétně u LED, počítalo se tím, že na jeho nabití by byl potřeba daleko větší náboj, takže se pro statiku chová jako zkrat.

          [ Reagovat ] [ Zpět ]
          Datum: 12.02.2014
          Autor: Radek
          Hodnocení: 0 Hlasovat mohou jen přihlášení uživatelé Hlasovat mohou jen přihlášení uživatelé 0
      • Re: Vlastní osvětlení a další elektronika - 8

             

        Ten sériový odpor na gate drátu jsi myslel takhle? To bude dost problém. Tam jsou cca 3 mm :)

        [ Reagovat ] [ Zpět ]
        Datum: 12.02.2014
        Autor: snilard
        Hodnocení: 0 Hlasovat mohou jen přihlášení uživatelé Hlasovat mohou jen přihlášení uživatelé 0
        • Re: Vlastní osvětlení a další elektronika - 8

               

          No akorat tam nemas tu zenerku, kazdopadne ta by byla az tesne u tranzistoru.
          Ten odpor muze byt i o kus vyse, az nad tim pull-up odporem (nebo jakou presne ma roli), pokud by ti tam pasoval lepe....

          [ Reagovat ] [ Zpět ]
          Datum: 12.02.2014
          Autor: Jrr
          Hodnocení: 0 Hlasovat mohou jen přihlášení uživatelé Hlasovat mohou jen přihlášení uživatelé 0
          • Re: Vlastní osvětlení a další elektronika - 8

                 

            Takže nějak takhle? Teď je otázka jestli tam mají být ty diody obě nebo jen jedna a která.

            [ Reagovat ] [ Zpět ]
            Datum: 12.02.2014
            Autor: snilard
            Hodnocení: 0 Hlasovat mohou jen přihlášení uživatelé Hlasovat mohou jen přihlášení uživatelé 0
            • Re: Vlastní osvětlení a další elektronika - 8

                   

              Tak jo, priznavam, ze teprve ted mi doslo, ze tomu tvemu zapojeni vlastne vubec nerozumim... :-)

              Pochopil jsem, ze tam nejak propojujes dve zeme, ale jednak si nejsem jisty, ktera je ktera, kde se bere ovladaci napeti po odpojeni baterky a hlavne bez znalosti kontextu mi to vubec nedava smysl.

              Mozna to mas vymysleny dobre, ale takhle z toho kousku to ve me budi dost neduveru... ;)

              [ Reagovat ] [ Zpět ]
              Datum: 12.02.2014
              Autor: Jrr
              Hodnocení: 0 Hlasovat mohou jen přihlášení uživatelé Hlasovat mohou jen přihlášení uživatelé 0
              • Re: Vlastní osvětlení a další elektronika - 8

                     

                Aha. Tak já to nějak osvětlím.
                Nejlépe to bude vidět na tom původním obrázku.
                V+ je plusový pól baterky buď 2S nebo 3S li-pol. 0 je nula na baterce. PAD7 a PAD8 jsou k mechanickému přepínači, kterým to celé zapínám. Na přiloženém obrázku je přepínač, na ostatních jen ty PADy. GND je zem celého obvodu. Znamená to, že celá obvod spínám odpojením země. Napěťová dělička tam je proto, aby se i při použití 3S baterky nepřekročilo GS napětí tranzistoru.
                No a to zničení tranzistoru proběhlo tak, že jsem GND připojil na zem počítače (přesněji monitoru) a rukou se dotkl kovové páčky mechanického přepínače. Na a proto si celou dobu myslím, že to velké napětí vlastně šlo mezi GD. Což mi tak nějak není úplně jasné.

                [ Reagovat ] [ Zpět ]
                Datum: 12.02.2014
                Autor: snilard
                Hodnocení: 0 Hlasovat mohou jen přihlášení uživatelé Hlasovat mohou jen přihlášení uživatelé 0
                • Re: Vlastní osvětlení a další elektronika - 8

                       

                  Ale jo, smysl to dava, kdyby na obrazku bylo V+ na leve strane stejne jako 0, asi bych to v tom schematu i videl.

                  Ja osobne bych se tedy odpinani zeme snazil vyhnout (v praci uz takhle schorelo nekolik notebooku v okamziku, kdy nekdo odpojoval bananky automatu od zdroje, zacal minusem a nenapadlo ho, ze proud potece do zeme pres seriovou linku...), ale pokud ta tvoje nula baterky uz neni pripojena na nic jineho, tak by snad nic podobneho hrozit nemelo.

                  Jeste me napada, neni mozne, ze by se ti naopak na GND nejak objevil zapornejsi potencial nez je tvoje nula?
                  Tranzistor ve schematu ma v tomhle smeru ochrannou diodu, takze by v takove situaci byl pruchozi, ale ma tu diodu i skutecny tranzistor?

                  [ Reagovat ] [ Zpět ]
                  Datum: 12.02.2014
                  Autor: Jrr
                  Hodnocení: 0 Hlasovat mohou jen přihlášení uživatelé Hlasovat mohou jen přihlášení uživatelé 0
                • Re: Vlastní osvětlení a další elektronika - 8

                       

                  Tak jsem koukal do datasheetu, co je tady link a on ten tranzistor ma prurazne napeti DS jen 20V. Tezko soudit bez zbytku schematu, ale to myslim v popisovane situaci diky statice nastat muze.

                  [ Reagovat ] [ Zpět ]
                  Datum: 12.02.2014
                  Autor: Jrr
                  Hodnocení: 0 Hlasovat mohou jen přihlášení uživatelé Hlasovat mohou jen přihlášení uživatelé 0
                  • Re: Vlastní osvětlení a další elektronika - 8

                         

                    Nemůže. Na S je "-" baterky, na D je "-" obvodu, který je plusem spojený s baterkou. Mezi D a S je ve vypnutém stavu poměrně tvrdý potenciál (v poměru ke statice - díky kapacitě zbytku obvodu), shodný s napětím baterie.

                    [ Reagovat ] [ Zpět ]
                    Datum: 12.02.2014
                    Autor: Radek
                    Hodnocení: 0 Hlasovat mohou jen přihlášení uživatelé Hlasovat mohou jen přihlášení uživatelé 0
                    • Re: Vlastní osvětlení a další elektronika - 8

                           

                      Teď tomu pro změnu zase vůbec nerozumím já.

                      [ Reagovat ] [ Zpět ]
                      Datum: 13.02.2014
                      Autor: snilard
                      Hodnocení: 0 Hlasovat mohou jen přihlášení uživatelé Hlasovat mohou jen přihlášení uživatelé 0
                      • Re: Vlastní osvětlení a další elektronika - 8

                             

                        Je to tak, ne? :-)
                        Když je to vyplé, tak na tranzistoru naměříš napětí baterie. A to se tam jenom tak nezmění.
                        Aby se z vnějšího popudu zvětšilo, to by na spínaném obvodu musel vzniknout náboj opačné polarity.

                        [ Reagovat ] [ Zpět ]
                        Datum: 13.02.2014
                        Autor: Radek
                        Hodnocení: +1 Hlasovat mohou jen přihlášení uživatelé Hlasovat mohou jen přihlášení uživatelé 0
                        • Re: Vlastní osvětlení a další elektronika - 8

                               

                          Tak jsem to přeměřil. Když je to vypnuté, tak na tranzistoru naměřím napětí baterky.

                          [ Reagovat ] [ Zpět ]
                          Datum: 13.02.2014
                          Autor: snilard
                          Hodnocení: 0 Hlasovat mohou jen přihlášení uživatelé Hlasovat mohou jen přihlášení uživatelé 0
                    • Re: Vlastní osvětlení a další elektronika - 8

                           

                      Jsi si tím jistý? Já nevim jak vypadá zbytek obvodu, ale třeba tam ta kapacita nemusí být až tak velká.

                      Anebo se mu to ničí nikoliv přepětím na DS, ale na GS.

                      [ Reagovat ] [ Zpět ]
                      Datum: 13.02.2014
                      Autor: Akito
                      Hodnocení: 0 Hlasovat mohou jen přihlášení uživatelé Hlasovat mohou jen přihlášení uživatelé 0
                      • Re: Vlastní osvětlení a další elektronika - 8

                             

                        On se zničit přepětím D-S ani lehce nedá. Od určitého napětí prostě začne propouštět, takže napětí se dál nezvýší a není to hned destruktivní, pokud se nepřehřeje.
                        Změřil jsem si jeden 20V výkonový mosfet (2SK3296) při zkratovaném G-S. Při 25V ještě nic, při 26V asi 100 mikroampér a při 30V 200 mA. To už se hřeje.

                        [ Reagovat ] [ Zpět ]
                        Datum: 13.02.2014
                        Autor: Radek
                        Hodnocení: +1 Hlasovat mohou jen přihlášení uživatelé Hlasovat mohou jen přihlášení uživatelé 0
          • Re: Vlastní osvětlení a další elektronika - 8

                 

            Pak je ještě otázka, jakou zenerku hledat. Na farnellu jsem našel kategorii ESD ochranných diod. V mém obvodu se GS může dostat na 8,6 V. Tranzistor má max 12V, ale vím, že vydrží i 12,6 V. Mám tedy hledat diodu se zenerovým napětím mezi 8,6 a 12 V? Taková pak bude mít ale ořezávací napětí (clamping voltage) mnohem výše, to nebude vadit?
            Pokud bych našel diodu, co bude mít clamping voltage kolem 12 V, tak mi skrz ní poteče v závěrném směru střeba 1 mA už při 3V, což doopravdy nechci. Protože na GS mám běžně napětí kolem 5V.

            [ Reagovat ] [ Zpět ]
            Datum: 12.02.2014
            Autor: snilard
            Hodnocení: 0 Hlasovat mohou jen přihlášení uživatelé Hlasovat mohou jen přihlášení uživatelé 0
  • Re: Vlastní osvětlení a další elektronika - 8

         

    Není to sice "bastlící" projekt, ale říkal jsem si, že by vás to mohlo zajímat. Zadní blikačka s kamerou dohromady:
    https://www.kickstarter.com/projects/fly6/fly6...

    [ Reagovat ] [ Zpět ]
    Datum: 11.02.2014
    Autor: snilard
    Hodnocení: 0 Hlasovat mohou jen přihlášení uživatelé Hlasovat mohou jen přihlášení uživatelé 0
    • Re: Vlastní osvětlení a další elektronika - 8

           

      Myslenka hezka (kdyz uz, hodilo by se totez i do predniho svetla), i kdyz nikterak nova, ale trochu postradam informaci (jen jsem to proletl), jak dlouho v tom vydrzi baterie?!

      Ze se nahrava ve smycce je super, protoze se o to nemusis starat dokud nebudes vedet, ze na zaznamu je neco zajimaveho, ale nabijet blikacku nebo jeji baterii kazdy den, by bylo ponekud omezujici a dost pochybuju, ze to vubec cely den vydrzi... :-/

      [ Reagovat ] [ Zpět ]
      Datum: 11.02.2014
      Autor: Jrr
      Hodnocení: 0 Hlasovat mohou jen přihlášení uživatelé Hlasovat mohou jen přihlášení uživatelé 0
      • Re: Vlastní osvětlení a další elektronika - 8

             

        Psali cosi o pěti hodinách asi blikání i s nahráváním. Což je tedy dost málo.

        [ Reagovat ] [ Zpět ]
        Datum: 11.02.2014
        Autor: snilard
        Hodnocení: 0 Hlasovat mohou jen přihlášení uživatelé Hlasovat mohou jen přihlášení uživatelé 0
  • Re: Vlastní osvětlení a další elektronika - 8

         

    Jistě si pamatujete m

    [ Reagovat ] [ Zpět ]
    Datum: 14.02.2014
    Autor: snilard
    Hodnocení: 0 Hlasovat mohou jen přihlášení uživatelé Hlasovat mohou jen přihlášení uživatelé 0
  • Re: Vlastní osvětlení a další elektronika - 8

         

    Jistě si pamatujete moje problémy s nestabilitou světel. Učinil jsem dneska důležité zjištění
    Koupil jsem několik cívek různých indukčností. Různě jsem to povyměňoval, vyzkoušel různé frekvence. Moje původní doměnka byla, že ta nestabilita vzniká přechodem mezi kontinuálním a nekontinuálním režimem. Tu jsem vyloučil. Nestabilní proudy nejsou závislé na velikosti indukčnosti, ale spíše na frekvenci meniče. Nestabilita zřejmě vzniká propletením výkonových cest. Takže já teď budu muset najít kombinaci cívek a frekvence, kdy to je nestabilní v nejmenším rozsahu poudů. Ty nestabilní nějak softwarově ošetřím. A mé další světlo rozhodně nebudou takhle propletení hadi.
    Další zajímavé zjištní, že ty nestability jsou vidět i na napětí na "poor man" osciloskopu z Arduina. Zkoušel jsem takhle sledovat i proud, ale nějak jsem ten operační zesilovač neovládl.

    [ Reagovat ] [ Zpět ]
    Datum: 14.02.2014
    Autor: snilard
    Hodnocení: 0 Hlasovat mohou jen přihlášení uživatelé Hlasovat mohou jen přihlášení uživatelé 0
  • Řízení motoru a high-side MOSFET driver

         

    Potřeboval bych ovládat DC motorek v jednom směru pomocí half bridge - chci umět nejen přes PWM řídit otáčky, ale taky "brzdit" propojením obou vývodů motoru.

    Na rozdíl od buck (step-down) měniče bych tedy potřeboval oba MOSFETy (high i low side) ovládat nezávisle s tím, že jeden z nich může být i delší dobu v jednom stavu, a druhý třeba ovládat přes PWM. Podle mého názoru toto znamená, že pro high-side nebudu moci použít standardní driver s nábojovou pumpou, protože ta je držena jen tím boot kondenzátorem, a při delším sepnutí by se ten kondenzátor mohl vybít a MOSFET se přepnout do jiného stavu než chci. Rozumím tomu dobře, nebo něco přehlížím?

    Druhá možnost je simulovat high-side driver pomocí dalšího MOSFETu - co tohle může mít za nevýhodu? Viz obrázek.

    A pak ještě související dotazy:

    - je z nějakého důvodu lepší zapojit druhý konec motoru na Vcc nebo na GND?

    - je z nějakého důvodu lepší použít jako high-side spínač N-MOSFET nebo P-MOSFET? Jeden důvod může být, že N-MOSFET má menší odpor (R_DS_on).

    - na co dalšího si dát pozor při řízení motorů?

    [ Reagovat ] [ Zpět ]
    Datum: 27.02.2014
    Autor: Akito
    Hodnocení: 0 Hlasovat mohou jen přihlášení uživatelé Hlasovat mohou jen přihlášení uživatelé 0
    • Re: Řízení motoru a high-side MOSFET driver

           

      DC motorek je široký pojem, ale tipoval bych něco jako do akuvrtačky.
      Zajímavé zapojení. Ten high-side MOSFET slouží jenom jako brzda a to jenom tehdy, když napětí indukované v motorku postačí na jeho otevření. Je to určitě lepší, než brzdit motorek zkratem, to brzo odcházejí uhlíky.
      Ten třetí odbržďovací MOSFET by klidně mohl být normální NPN tranzistor a asi bych zrušil ten spodní odpor.
      V tomhle případě motor musí být připojený na Vcc, teda spíš Vdd.
      Při PWM řízení motorků je taky dobrá dioda proti indukovaným špičkám opačné polarity a ta v tom horním MOSFETu už je.
      Mohlo by to fungovat. Docela by mě zajímalo, jak účinně by to brzdilo.

      [ Reagovat ] [ Zpět ]
      Datum: 27.02.2014
      Autor: Radek
      Hodnocení: 0 Hlasovat mohou jen přihlášení uživatelé Hlasovat mohou jen přihlášení uživatelé 0
      • Re: Řízení motoru a high-side MOSFET driver

             

        Akuvrtačka ne, autodráhové autíčko :-)

        Čili nějaký motorek velikosti cca 2.5x3.5 cm, napájený 18V, cca 12-20k otáček za minutu.

        Jaký je pro mě rozdíl jestli tam mít MOSFET nebo NPN? V ceně to není - SOT-23 MOSFET na 20V/5A stojí asi tři koruny.

        Spodní odpor by byl třeba v případě, kdy high-side MOSFET by byl typu P a měl maximální V_DG menší než V_DS (jakože takové asi jsou, aspoň N-MOSFET mám takový že V_DS je max. 30 V, ale V_GS je max 12 V).

        Ještě přemýšlím, jestli náhodou ta dioda v tom horním MOSFETu nebude částečně fungovat taky jako brzda (polovinu cyklu).

        [ Reagovat ] [ Zpět ]
        Datum: 27.02.2014
        Autor: Akito
        Hodnocení: 0 Hlasovat mohou jen přihlášení uživatelé Hlasovat mohou jen přihlášení uživatelé 0
        • Re: Řízení motoru a high-side MOSFET driver

               

          Vrchní P-MOSFET a opačně, to je něco jiného. To by brzdilo pořádně a jenom při otevřeném třetím tranzistoru. Vnitřní dioda určitě brzdit nebude.
          Tranzistor NPN - to je jenom můj názor, ale když nejde o výkonovou aplikaci a nemá zrovna význam ušetřit nějaké mikrowatty, dávám přednost klasice.

          Motorek na autodráhu, tak to jo. Mám ve "sbírce" jeden z 60. let - Mabuchi FT-36D. Děda si kdysi dělal celou autodráhu, ale tu si jenom matně pamatuju. Dal tam nakonec české motory IGLA, ty japonské byly strašně rychlé, tenhle si pak ještě dlouho schovával.
          Na autíčka se zdá i nějak velký. Při 12 V má naprázdno spotřebu 10 W a 25400 ot/min (změřených). To nemohlo dlouho vydržet a prý taky ne, co jsem tak četl.

          [ Reagovat ] [ Zpět ]
          Datum: 27.02.2014
          Autor: Radek
          Hodnocení: 0 Hlasovat mohou jen přihlášení uživatelé Hlasovat mohou jen přihlášení uživatelé 0
          • Re: Řízení motoru a high-side MOSFET driver

                 

            Ne P-MOSFET opačně (nebo nevím jak to myslíš).

            P-MOSFET se otevírá pokud je na gate nižší napětí než na drainu (aspoň o prahové napětí). No ale nemělo by být o moc menší než na source, aspoň u některých typů. Našel jsem P-MOSFET co má všechna limitní napětí shodně 30 V oběma směry (jak drain-source, tak drain-gate, jak do plusu, tak do mínusu), ale u některých právě musí být napětí mezi gate a drain nevelké.

            To brždění má být v podstatě propojením obou konců motoru, což bych otevřením toho P-MOSFETu snad zajistil. Nebo jsem něco nepochopil?

            Mabuchi je větší proto, že je dělaný na tu závodní autodráhu 1:24, zatímco IGLA (nebyla to IGRA?) byla domácí autodráha 1:32. Dneska se kompatibilní systém vyrábí pod značkou Faro:

            http://autodraha-faro.cz/

            To co mám já se jmenuje SCX digital, a oproti tomu z dob mého mládí to je _brutálně_ rychlé. Jde tam zapnout "junior mode" s omezenou maximální rychlostí, přičemž v podstatě všichni co znám včetně mě v tom junior módu zajíždějí lepší časy než v tom rychlém (protože vypadnutí a nasazení stojí čas).

            http://www.youtube.com/watch?v=QBm2Bx4P7LM

            No a kdyby někoho zajímalo, jak vypadají dnešní vrcholové závody na 1:24, tak třeba tady, s českou účastí v popředí:

            http://youtu.be/GtwkRd6zHwg?t=3m20s

            [ Reagovat ] [ Zpět ]
            Datum: 27.02.2014
            Autor: Akito
            Hodnocení: 0 Hlasovat mohou jen přihlášení uživatelé Hlasovat mohou jen přihlášení uživatelé 0
            • Re: Řízení motoru a high-side MOSFET driver

                   

              P-MOSFET opačně, jako že přehodit D a S proti schématu, aby vnitřní dioda byla pólovaná stejně jako u toho N, co tam je teď. Pak to může fungovat, jinak ne.

              Typické motorky IGLA n.p. Č. Budějovice, první dva zleva, pak na detailu.
              Ten třetí je originál z čs autodráhy Ites Shadow, co jsme měli kdysi doma. Ještě by se někde našla.

              [ Reagovat ] [ Zpět ]
              Datum: 27.02.2014
              Autor: Radek
              Hodnocení: 0 Hlasovat mohou jen přihlášení uživatelé Hlasovat mohou jen přihlášení uživatelé 0
              • Re: Řízení motoru a high-side MOSFET driver

                     

                Jo, ty IGLA jsem taky měl. Ale ty byly teda z něčeho jiného než z autodráhy, ne? Já si vzpomínám, že jsem kolem nich chtěl stavět autodráhové autíčko, ale jednak byly těžké, a jednak byly příliš vysoké, takže musely být zešikma, a auto mělo příliš vysoké těžiště.

                Ten poslední jsem měl (i autodáhu Shadow do osmičky - jedna klopená a jedna obyčejná zatáčka. to je to co se dneska dělá jako Faro).

                [ Reagovat ] [ Zpět ]
                Datum: 27.02.2014
                Autor: Akito
                Hodnocení: 0 Hlasovat mohou jen přihlášení uživatelé Hlasovat mohou jen přihlášení uživatelé 0
                • Re: Řízení motoru a high-side MOSFET driver

                       

                  Ty kulaté motorky byly ve všech našich hračkách a měly několik verzí zapojení rotoru. Co měl děda v autíčkách, ty měly tenkrát místo stříbrných kontaktů ještě uhlíky a místo nylonových ložisek volně sypané kuličky. Ty prostřední na 4,5 V, co si pamatuju, tak se daly běžně koupit za 14 Kč, ještě s plechovou základnou a kladkou. Ty samé, ale s pastorkem, byly taky svého času v sadě M1 pro pohon modelů z Merkura.
                  No co už, tohle je moje sbírka motorků. Každý má svou historii. Není to škoda vyhodit (a cokoliv jiného)? Pár těch novějších se k něčemu hodí, dejme tomu.

                  U těch super rychlých autíček mě napadlo - kolik by vycházela jejich rychlost v přepočtu na skutečnou velikost podle měřítka? Nebylo by to už nadzvukové? :-)

                  [ Reagovat ] [ Zpět ]
                  Datum: 28.02.2014
                  Autor: Radek
                  Hodnocení: 0 Hlasovat mohou jen přihlášení uživatelé Hlasovat mohou jen přihlášení uživatelé 0
  • Re: Vlastní osvětlení a další elektronika - 8

         

    Taková pouze teoretická myšlenka, nechci to realizovat. Pomocí FPGA by se čistě teoreticky mohl dát "naprogramovat" LED driver regulující na úrovni jednotlivých kmitů. Je to tak, ne?

    [ Reagovat ] [ Zpět ]
    Datum: 06.03.2014
    Autor: snilard
    Hodnocení: 0 Hlasovat mohou jen přihlášení uživatelé Hlasovat mohou jen přihlášení uživatelé 0
    • Re: Vlastní osvětlení a další elektronika - 8

           

      V čem se podle tebe liší FPGA od rychlého CPU, MCU, případně DSP?

      Jako ano, ale stejně bys mohl použít cokoli, co by mělo dostatečně rychlý ADC. Je jedno jestli si ten ADC postavíš z hradel ve FPGA, nebo bude součástí nějakého DSP.

      Anebo bys mohl postavit regulátor z nějakého 555. To vlastně taky funguje na jednotlivých kmitech.

      [ Reagovat ] [ Zpět ]
      Datum: 06.03.2014
      Autor: Akito
      Hodnocení: +2 Hlasovat mohou jen přihlášení uživatelé Hlasovat mohou jen přihlášení uživatelé 0
      • Re: Vlastní osvětlení a další elektronika - 8

             

        No mně by se líbilo to nedělat pomocí ADC, ale pomocí nějakého rychlého komparátoru. A to tím způsobem, že bych tam měl dva komparátory jeden na spodní mez proudu, druhý na horní mez. Proud je pod spodní mezí, dávám na výstup jedničku, proud je nad horní mezí, dávám na výstup nulu. Čímž by to byl vlastně zdroj s řízeným rozkmitem proudu. Nějaké takové drivery jsem samozřejmě viděl, ale vždy se mi u nich něco nelíbilo.
        Ne že bych uměl programovat FPGA, spíš mě to napadlo jako teoretická možnost.
        Ono by se něco takového mělo určitě dát postavit i z diskrétních součástek :)

        [ Reagovat ] [ Zpět ]
        Datum: 06.03.2014
        Autor: snilard
        Hodnocení: 0 Hlasovat mohou jen přihlášení uživatelé Hlasovat mohou jen přihlášení uživatelé 0
        • Re: Vlastní osvětlení a další elektronika - 8

               

          A není potom levnější, jednodušší, rychlejší, menší a tak vůbec prostě koupit LM3401 nebo nějaký podobný driver, který právě a přesně tohle dělá? :)

          [ Reagovat ] [ Zpět ]
          Datum: 06.03.2014
          Autor: Marble
          Hodnocení: +1 Hlasovat mohou jen přihlášení uživatelé Hlasovat mohou jen přihlášení uživatelé 0
          • Re: Vlastní osvětlení a další elektronika - 8

                 

            Určitě :) Teď jsem konečně pochopil, jak je v případě LED driverů myšleno to, že jsou hysterezní. :)
            Na tomhle konkrétně se mi úplně nelíbí, že není synchronní a že referenční napětí je 200 mV.
            Moc to řeším, vím :)

            [ Reagovat ] [ Zpět ]
            Datum: 06.03.2014
            Autor: snilard
            Hodnocení: 0 Hlasovat mohou jen přihlášení uživatelé Hlasovat mohou jen přihlášení uživatelé 0
          • Re: Vlastní osvětlení a další elektronika - 8

                 

            Ještě mě napadá jedna myšlenka, jestli by se za nějaký takovýhle hysterezní driver nedal zařadit ten MOSFET driver pro low i high side, který by z toho udělal synchronní měnič. :)

            [ Reagovat ] [ Zpět ]
            Datum: 06.03.2014
            Autor: snilard
            Hodnocení: 0 Hlasovat mohou jen přihlášení uživatelé Hlasovat mohou jen přihlášení uživatelé 0
            • Re: Vlastní osvětlení a další elektronika - 8

                   

              No u LM3401 konkrétně moc jednoduše ne, protože ten je dělaný pro p-MOSFET a řídící výstup pro gate je vůči + pólu (plus pár dalších detailů). Ale překvapilo by mě, kdyby neexistoval driver, co má rovnou high i low výstupy. (Ale hledat ti ho nebudu :), nedávno jsem po docela dlouhém prohrabávání našel právě LM3401 který se mi líbí, ale není to pro světlo na kole, a spíš než efektivitu jsme řešil cenu a velký rozsah regulace intenzity.)
              200 mV je podle mě hlavně cenový kompromis. Ona to není zas tak špatná hodnota pro většinu využití a přesnější komparátor, reference atd. by asi znamenalo výrazně dražší chip. Totéž asi platí o absenci druhého výstupu. V jiné cenové kategorii třeba najdeš vše, co chceš. :)

              [ Reagovat ] [ Zpět ]
              Datum: 06.03.2014
              Autor: Marble
              Hodnocení: 0 Hlasovat mohou jen přihlášení uživatelé Hlasovat mohou jen přihlášení uživatelé 0
              • Re: Vlastní osvětlení a další elektronika - 8

                     

                To dává smysl.
                Asi už jsem našel kombinaci čipů, která by mi mohla vyhovovat, ale nechce se mi to teď studovat. Zkombinoval bych ten high + low side mosfet driver s pwm čipem, který se umí řídit podle napětí nebo proudu.
                LED driver, který by měl výstup na high i low side tranzistory existuje. Stojí cca 200 korun a potřebuje hafo externích součástek. Mimo jiné protože je dělaný na velká napětí a má buck-boost architekturu.

                [ Reagovat ] [ Zpět ]
                Datum: 06.03.2014
                Autor: snilard
                Hodnocení: 0 Hlasovat mohou jen přihlášení uživatelé Hlasovat mohou jen přihlášení uživatelé 0
                • Re: Vlastní osvětlení a další elektronika - 8

                       

                  Vyzkoušení různých cest je samozřejmě dobrá výzva. Ale jinak jestli se můžu zeptat - co vlastně řešíš? U mě boost z jednoho MOSFETu ovládaného přímo PWM výstupem a z jedné Schottky diody funguje, stejně tak jako buck pomocí MCP14628 a dvou N-MOSFETů.

                  Jako určitě bych "příště" udělal pár drobností jinak (možná jiný MCU, určitě v SMD verzi, jen dva měniče místo tří za cenu víc volných pinů pro další aplikace, větší oddělení vysokoproudých cest od zpětnovazebného měření), ale jinak ta koncepce jako celek je podle mě v pořádku a funguje. Nebo snad ne?

                  [ Reagovat ] [ Zpět ]
                  Datum: 07.03.2014
                  Autor: Akito
                  Hodnocení: 0 Hlasovat mohou jen přihlášení uživatelé Hlasovat mohou jen přihlášení uživatelé 0
                  • Re: Vlastní osvětlení a další elektronika - 8

                         

                    Koncepce jako celek je určitě v pořádku :)
                    Třeba budu časem dělat na nějaké další kolo světlo, tak o tom občas přemýšlím. Něco vím ale jistě. Taková míra integrace světla do kola, jako jsem zvolil na Oceláči je z pohledu servisování naprosto šílená. A také vím, že už bych tím nechtěl příště strávit tolik času. Nad laděním kódu jsem proseděl fakt hodně odpolední a a večerů.

                    [ Reagovat ] [ Zpět ]
                    Datum: 07.03.2014
                    Autor: snilard
                    Hodnocení: 0 Hlasovat mohou jen přihlášení uživatelé Hlasovat mohou jen přihlášení uživatelé 0
                    • Re: Vlastní osvětlení a další elektronika - 8

                           

                      No však kód už máš, ne? Aspoň já jsem si kód udělal docela strukturovaně, takže jsem většinu z toho použil třeba pro světla pro děti s jiným MCU a jednim step-upem, kód okolo startu, uspávání, logování a podobně mám použitý i v tom topítku do bot, a určitě to recykluju i jinde.

                      [ Reagovat ] [ Zpět ]
                      Datum: 07.03.2014
                      Autor: Akito
                      Hodnocení: 0 Hlasovat mohou jen přihlášení uživatelé Hlasovat mohou jen přihlášení uživatelé 0
                      • Re: Vlastní osvětlení a další elektronika - 8

                             

                        Tak určitě by to šlo použít znovu. Ale přijde mi, že to není úplně ono. Některé věci bych tam udělal jinak, ale v tom existujícím světle je nechci měnit. Nemám to psané úplně univerzálně a znovupoužitelně. Dokonce bych řekl, že některé pasáže jsou přímo ošklivé.
                        Jo, ale kdybych si s tím nechtěl moc hrát, tak by šla použít většina kódu i pro trochu jiné světlo.
                        Pořád si pohrávám s myšlenkou udělat si takové moduly, kde by byl na jeden driver jeden MCU a ten by si případně šoupal i s frekvencí a povídal by si s okolím třeba po TWI. Ale jsou jiné priority.

                        [ Reagovat ] [ Zpět ]
                        Datum: 07.03.2014
                        Autor: snilard
                        Hodnocení: 0 Hlasovat mohou jen přihlášení uživatelé Hlasovat mohou jen přihlášení uživatelé 0
                    • Re: Vlastní osvětlení a další elektronika - 8

                           

                      To jsem si taky říkal, že tohle už nikdy a dokonce že příště už koupím i to světlo hotové, po tom co jsem strávil nad Azubem. A že bych to nechtěl opravovat, to je jisté, s tím to bylo dělané, i když počítat se musí se vším. (Nějak jsem se ještě nepřinutil po 40 kkm to otevřít a aspoň dotáhnout všechny ty šroubovací svorky, když ani žádný ten analogový parametr nebylo potřeba doladit a to je tam celkem osm trimrů.)
                      Za rok dva ale zapomeneš a jdeš do toho zas. Na Oceláči je to teda už mnohem jednodušší, tak kdo ví, co bude příště.

                      [ Reagovat ] [ Zpět ]
                      Datum: 07.03.2014
                      Autor: Radek
                      Hodnocení: +1 Hlasovat mohou jen přihlášení uživatelé Hlasovat mohou jen přihlášení uživatelé 0
                      • Re: Vlastní osvětlení a další elektronika - 8

                             

                        Vlastně se mi v poslední době ta tvoje cesta, kdy tvoje světlo nemá žádný firmware, celkem začíná líbit. Člověk to jednou navrhne a pak když to funguje, tak se v tom nemusí šťourat.

                        [ Reagovat ] [ Zpět ]
                        Datum: 07.03.2014
                        Autor: snilard
                        Hodnocení: 0 Hlasovat mohou jen přihlášení uživatelé Hlasovat mohou jen přihlášení uživatelé 0
                        • Re: Vlastní osvětlení a další elektronika - 8

                               

                          Když firmware funguje, tak se v tom taky nemusíš šťourat(když nechceš), ne ? :-)
                          Návrh je vždycky to nejtěžší. Když si navymýšlím funkcí a pak trávím čas nad chumlem RC obvodů a operačních zesilovačů v nepájivém poli, tak mě někdy mrzí, že neumím radši programovat.

                          [ Reagovat ] [ Zpět ]
                          Datum: 07.03.2014
                          Autor: Radek
                          Hodnocení: 0 Hlasovat mohou jen přihlášení uživatelé Hlasovat mohou jen přihlášení uživatelé 0
                          • Re: Vlastní osvětlení a další elektronika - 8

                                 

                            Jo tak ladění v nepájivém poli by mě asi také po chvíli omrzelo. Mikroprocesorů se rozhodně vzdávat nehodlám :) Chce to udělat nějaký kompromis mezi množstvím HW a složitostí SW.

                            [ Reagovat ] [ Zpět ]
                            Datum: 07.03.2014
                            Autor: snilard
                            Hodnocení: 0 Hlasovat mohou jen přihlášení uživatelé Hlasovat mohou jen přihlášení uživatelé 0
        • Re: Vlastní osvětlení a další elektronika - 8

               

          Ono hlavně FPGA nebude ani zdaleka tak úsporné jako třeba AVR, které je fakt vyladěné na spotřebu. A s diskrétníma součástkama zase nedosáhneš takové flexibility (různé exotické režimy blikání a podobně). Furt mi jako optimální řešení vychází ten MCU s řízením za low-pass filtrem, tedy přes víc period.

          [ Reagovat ] [ Zpět ]
          Datum: 06.03.2014
          Autor: Akito
          Hodnocení: 0 Hlasovat mohou jen přihlášení uživatelé Hlasovat mohou jen přihlášení uživatelé 0
  • OT - dotaz

         

    Co to je na obrazku?
    Jimac blesku? Nejaka detekce otresu kvuli lavinam?
    Maji to v Obertauernu na kopcich.

    [ Reagovat ] [ Zpět ]
    Datum: 17.03.2014
    Autor: Murphy
    Hodnocení: 0 Hlasovat mohou jen přihlášení uživatelé Hlasovat mohou jen přihlášení uživatelé 0
  • Nabíječka na baterky

         

    Čím nabíjíte baterky?

    Odchází mi doma nabíječka GP na NiMH baterky a zároveň sháním pro někoho nabíječku na 18650 Li-ion. Tak jsem vymyslel, že bych poslal dál svoji dvouslostovou 2x 1000mA nabíječku Soshine na 18650 Li-ion a koupil bych si domů čtyřslotovou univerzální. Existuje něco co splňuje následující parametry?

    - autodetekce Li-ion, NiCd, NiMH
    - 4 individuálně řízené sloty
    - pro baterky rozměrů od AAA (lépe od 15266) do 18650 s ochrannou elektronikou (cca 68 mm délky)
    - nabíjecí proud až do 4x 1000 mA
    - euro-plug (dvoupinová vidlice), nemusí být adaptér 12 V do auta.
    - pokud možno vestavěný zdroj a "kazeťáková" napájecí šňůra (IEC 60320 C7/C8), ne kostka se zdrojem jehož součástí je vidlice do zásuvky.

    Asi nejbližší co jsem našel je toto:

    http://www.dx.com/p/tangspower-t4-4-slot...

    ale má to nabíjecí proud jen 2x 750mA nebo 4x 350 mA. Víte o něčem lepším?

    [ Reagovat ] [ Zpět ]
    Datum: 08.04.2014
    Autor: Akito
    Hodnocení: 0 Hlasovat mohou jen přihlášení uživatelé Hlasovat mohou jen přihlášení uživatelé 0
    • Re: Nabíječka na baterky

           

      Nabíječku, jakou specifikuješ, neznám.
      Lithiovky nabíjím tímhle: http://www.peckamodel.cz/produkt/rc-modely-a... , což asi nechceš.

      [ Reagovat ] [ Zpět ]
      Datum: 08.04.2014
      Autor: snilard
      Hodnocení: 0 Hlasovat mohou jen přihlášení uživatelé Hlasovat mohou jen přihlášení uživatelé 0
    • Re: Nabíječka na baterky

           

      Víme ;-)

      http://www.kronium.cz/ctyrkanalova-univerzalni...

      Ale nemám ji, tak nemohu popsat zkušenosti.

      [ Reagovat ] [ Zpět ]
      Datum: 08.04.2014
      Autor: Jarda
      Hodnocení: +2 Hlasovat mohou jen přihlášení uživatelé Hlasovat mohou jen přihlášení uživatelé 0
      • Re: Nabíječka na baterky

             

        Tohle vypadá dobře, a ani to není nijak extrémně drahé. Díky.

        Teda popis je trochu vtipný:
        - Ochrana proti zkratu a opačnému vložení
        baterií.
        - Nevkládejte akumulátory do nabíječky obráceně (opačně polaritou).

        Mimochodem, proč tam píšou:
        Nenabíjejte li-ion články, které prošly stavem přílišného vybití (pod 2V).
        ?

        Já jsem rozebral nefunkční baterku od notebooku, všechny články měly pod 1 V, postupně jsem je po dvou zkoušel nabíjet v té nabíječce Soshine, a většinou to tak půl dne zoufale blikalo že baterka je špatná, ale pak se to začalo nabíjet a nabilo se. Akorát dva články z osmi se nechytily ani po několika dnech. Ty jsem vyhodil, ostatní dodnes používám. Jak to s tím hlubokým vybitím je?

        [ Reagovat ] [ Zpět ]
        Datum: 08.04.2014
        Autor: Akito
        Hodnocení: 0 Hlasovat mohou jen přihlášení uživatelé Hlasovat mohou jen přihlášení uživatelé 0
        • Re: Nabíječka na baterky

               

          Zkušenosti s nabíječkou Fenix:

          - myslím že AA baterky NiMH to nabíjí o dost pomaleji než moje původní nabíječka.

          - displej je super, je vidět v jaké fázi to nabíjení je

          - zatím nevím, jak to reaguje na vadné baterky; předchozí nabíječka čas od času nějaké baterky odmítla, že už nefungují.

          - displej svítí furt bez ohledu na to, jestli se nabíjí nebo ne. Což znamená, že nejde trvale nechávat nabíječku v zásuvce. Až tak mi to nevadí - mám všechny nabíječky v prodlužce s vypínačem. Ale někomu by mohlo vadit.

          Jinak si ale myslím, že jsem koupil dobře. Díky za tip!

          [ Reagovat ] [ Zpět ]
          Datum: 14.04.2014
          Autor: Akito
          Hodnocení: 0 Hlasovat mohou jen přihlášení uživatelé Hlasovat mohou jen přihlášení uživatelé 0
        • Re: Nabíječka na baterky

               

          To se všeobecně píše, že se li-ion články při dlouhodobějším vybití pod 2 V ze své podstaty nevratně poškodí. Vytvoří s v nich nějaké vodivé můstky nebo co a ty se můžou nepříjemně projevit, samozřejmě nejlíp po plném nabití. Z toho bych měl asi strach. Že se podařilo oživit články z 1 V, to je malý zázrak.

          [ Reagovat ] [ Zpět ]
          Datum: 14.04.2014
          Autor: Radek
          Hodnocení: 0 Hlasovat mohou jen přihlášení uživatelé Hlasovat mohou jen přihlášení uživatelé 0
          • Re: Nabíječka na baterky

                 

            Ono možná záleží, jak rychle se ty články vybily. To byla nějaká vadná notebooková baterka, která byla už jako vadná koupená - měla asi dva mrtvé články. Tak možná ty ostatní nikdy nebyly nabité?

            [ Reagovat ] [ Zpět ]
            Datum: 14.04.2014
            Autor: Akito
            Hodnocení: 0 Hlasovat mohou jen přihlášení uživatelé Hlasovat mohou jen přihlášení uživatelé 0
  • Vnitřek předního světla

         

    Nedávno jsem pro kontrolu sundal kryt předního světla na Azubu. Tak tady to konečně je, jak to uvnitř vypadá, když jsem to kdysi zapomněl zdokumentovat a dlužím to.
    Parabola z obyčejného světla není tak hluboká, jak by bylo potřeba. Proto je vrchní LED obklopená plechem a ten odráží na parabolu tu část světla, která by šla jinak mimo. Pak se to odráží zpět na zem, bohužel mimo hlavní flek, ale líp to nastavit nejde. U spodní LED je v přední části průsvitný plast, aby bylo světlo líp viditelné ve dne. Ten taky využívá jenom tu část světla, která by šla jinak mimo parabolu.
    Střední plech, na kterém drží LEDky, zároveň trochu stíní toto rozptýlené světlo a odráží ho na zem. Jinak je jeho hlavní funkcí sbírat teplo z LED a odvádět ho skrz střední díru na hliníkový bloček opatřený ještě zespodu žebrovaným chladičem.
    Účinnost není bůhvíjaká, zvlášť když část paraboly je nakonec zastíněná černou obroučkou držící přední čočku, která dává paprsku konečný tvar (na fotkách není).
    K tomuhle mě inspirovali kluci z Německa na kterémsi srazu. Jejich světla vypadala tak, že rozřízli celé koupené světlo napůl a přilepili silikonem shora na plech s LED. Pak jsem viděl ještě verzi, kdy měli ty půlky dvě u sebe s plechy nastojato. Dobrý nápad, ale s dalšími vlastnostmi a estetickou stránkou už si nehráli. Taky na co, když za chvilku už to šlo koupit hotové.

    [ Reagovat ] [ Zpět ]
    Datum: 14.04.2014
    Autor: Radek
    Hodnocení: 0 Hlasovat mohou jen přihlášení uživatelé Hlasovat mohou jen přihlášení uživatelé 0
    • Re: Vnitřek předního světla

           

      Pěkné. Jaký to tak má průměr? Podle převodníku vedle tipuju tak 10 cm.

      [ Reagovat ] [ Zpět ]
      Datum: 14.04.2014
      Autor: Akito
      Hodnocení: 0 Hlasovat mohou jen přihlášení uživatelé Hlasovat mohou jen přihlášení uživatelé 0
      • Re: Vnitřek předního světla

             

        S tím krytem, co tam není, to má celé asi 9,5 cm a svítící část 7,5 cm.

        [ Reagovat ] [ Zpět ]
        Datum: 14.04.2014
        Autor: Radek
        Hodnocení: 0 Hlasovat mohou jen přihlášení uživatelé Hlasovat mohou jen přihlášení uživatelé 0
  • Re: Vlastní osvětlení a další elektronika - 8

         

    Možná už jsem se jednou ptal, ale nemůžu to teď najít.
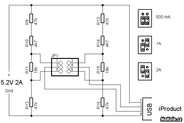
    Mám takovou vizi. Rád bych měl nabíječku na 2S, 3S Li-pol baterky, která pojede z 5V zdroje (např. nabíječky na iPhone). Důvod je hlavně hmotnost mé současné nabíječky.
    Rád bych to udělal následovně. Použil bych step-up LED driver s proudem nastaveným na 500 mA, k němu velké kondíky na výstup i vstup:
    http://www.farnell.com/datasheets/85395.pdf
    Na omezení nabíjecího napětí bych použil tranzistorový nastavitelný balancer:
    http://www.zajic.cz/omezovac/omezovac.htm
    Ten funguje tak, že má silně nelineární závislost odebíraného proudu na napětí.
    Vzhledem k tomu, že ten driver nemá žádné omezení na napětí, tak by tím tekl ten proud i po nabytí baterky. Jen by netekl baterkou, ale tím balancerem.
    Co myslíte, mohlo by to takhle fungovat?

    [ Reagovat ] [ Zpět ]
    Datum: 01.06.2014
    Autor: snilard
    Hodnocení: 0 Hlasovat mohou jen přihlášení uživatelé Hlasovat mohou jen přihlášení uživatelé 0
    • Re: Vlastní osvětlení a další elektronika - 8

           

      Ano.

      Druhá možnost je použít rovnou step-up s nastavitelným napětím a nastavit ho na 12,5 V (pro 3S). Třeba na DX se prodává hotový modul za 60 korun.

      [ Reagovat ] [ Zpět ]
      Datum: 01.06.2014
      Autor: JendaH
      Hodnocení: 0 Hlasovat mohou jen přihlášení uživatelé Hlasovat mohou jen přihlášení uživatelé 0
      • Re: Vlastní osvětlení a další elektronika - 8

             

        Jo tahle možnost mě také napadla, ale tam zase nebude omezení proudu. To je dost důležité, abych se vešel do limitů toho 5V zdroje a abych tam nemusel dávat velké chladiče na balancer. Na a nakonec i kvůli baterce, i když ta by zvládla i větší proudy.
        Elektroniku z DX nemám moc rád, navíc to strašně tvá, než to přijde.

        [ Reagovat ] [ Zpět ]
        Datum: 01.06.2014
        Autor: snilard
        Hodnocení: 0 Hlasovat mohou jen přihlášení uživatelé Hlasovat mohou jen přihlášení uživatelé 0
    • Re: Vlastní osvětlení a další elektronika - 8

           

      Zatim jsem s Lipol bateriema nic nedelal, takze si nejsem uplne jisty, jak se maji spravne nabijet, tusim akorat, ze potrebujes zdroj, kde je omezen soucasne proud i napeti.

      To za nabijecka bude zrat porad stejne i po nabiti baterek, mi pripada z principu hloupe, pomineme-li zmarenou energii, tak to bude zbytecne topit.

      Pokud bych si s tim chtel hrat, asi bych si to postavil vcetne menice a ridil to nejakym AVR. Stravil bych nad tim mesic, ale mel bych pocit, ze to mam pod kontrolou.
      Nebo bych zkusil pohledat, zda se primo na nabijeni Lipol neda koupit hotovy obvod. To tvoje reseni asi funovat muze, ale moc se mi nelibi. ;-)

      [ Reagovat ] [ Zpět ]
      Datum: 02.06.2014
      Autor: Jrr
      Hodnocení: +2 Hlasovat mohou jen přihlášení uživatelé Hlasovat mohou jen přihlášení uživatelé 0
      • Re: Vlastní osvětlení a další elektronika - 8

             

        Já dokonce jednu takovou nenastavitelnou 2S/3S nabíječku mám. Má jednu podstatnou vadu, každý článek nabije na drobet jiné napětí a ještě je přebíjí. Já osobně i li-pol nabíjím na 4,1 V místo těch udávaných 4,2 V, hlavně z důvodu životnosti. A to si myslím, že žádné hotové, nenastavitelné řešení mít nebude. Všechny specializované čipy, co jsem našel jsou navíc dělané jako snižovače napětí, což nechci.
        Nemám na to zas tak moc času, takže to primárně nechci stavět kolem MCU. Ale vnukl jsi my myšlenku. Mohl bych to postavit, tak jak jsem psal a přidat tam na desku i to MCU, které jen bude měřit napětí a ke konci nabíjení bude analogově snižovat proud, v tom datasheetu je na to pěkný návod. Bude to fungovat i bez MCU a pokud bude čas, tak tam to snižování proudu doprogramuju.

        [ Reagovat ] [ Zpět ]
        Datum: 02.06.2014
        Autor: snilard
        Hodnocení: 0 Hlasovat mohou jen přihlášení uživatelé Hlasovat mohou jen přihlášení uživatelé 0
    • Re: Vlastní osvětlení a další elektronika - 8

           

      Nebíječka je na světě. Funguje to celkem pěkně. MCU ke konci nabíjecího cyklu sníží proud, takže se u relativně vybalancované baterky ani balancer moc nezahřeje. Co se ovšem dost hřeje je boost čip. Má 0,4 Ohmový spínač a 0,5 A je na něj zřejmě moc. Po zahřátí to dá něco jako 400 mA. Takže jestli to budu někdy předělávat, musím použít čip, co má lepší mosfet. Další zajímavý jev je drobné pískání cívky při nízkém výstupním proudu, zřejmě už ten měnič pak nejede v kontinuálním režimu.
      Přikládán dva obrázky. Prostorově mi to na pár místech trochu nevyšlo. Také dioda je výrazně předimenzované, nechtěl už jsem kupovat jinou.

      [ Reagovat ] [ Zpět ]
      Datum: 02.07.2014
      Autor: snilard
      Hodnocení: 0 Hlasovat mohou jen přihlášení uživatelé Hlasovat mohou jen přihlášení uživatelé 0
      • Re: Vlastní osvětlení a další elektronika - 8

             

        Tu je repo se zdrojáky a schématy, kdyby to někoho zajímalo: https://github.com/snilard/Li-pol-nabijecka

        [ Reagovat ] [ Zpět ]
        Datum: 02.07.2014
        Autor: snilard
        Hodnocení: 0 Hlasovat mohou jen přihlášení uživatelé Hlasovat mohou jen přihlášení uživatelé 0
        • Re: Vlastní osvětlení a další elektronika - 8

               

          Pěkné. Dej tam prosím ještě schéma v něčem čitelném (PDF?). Díky.

          [ Reagovat ] [ Zpět ]
          Datum: 02.07.2014
          Autor: Akito
          Hodnocení: 0 Hlasovat mohou jen přihlášení uživatelé Hlasovat mohou jen přihlášení uživatelé 0
          • Re: Vlastní osvětlení a další elektronika - 8

                 

            Není Eagle i pro Linux? :-P
            Máš tam PDF.

            [ Reagovat ] [ Zpět ]
            Datum: 02.07.2014
            Autor: snilard
            Hodnocení: 0 Hlasovat mohou jen přihlášení uživatelé Hlasovat mohou jen přihlášení uživatelé 0
      • Re: Vlastní osvětlení a další elektronika - 8

             

        Pokud byste se někdo pouštěli do něčeho podobného doporučuji použít diferenciální vstup ADC. Na napětí, které se levný komerční měnič snaží udržet na měřících rezistorech, se vůbec nedá spolehnout. Já použil single-ended vstup a funguje to vlastně jen díky balanceru. Pokud bych chtěl mít podobnou nabíječku bez balanceru, na výsledné nabíjecí napětí by vůbec nebyl spoleh s tím single-ended režimem měření.

        Jen doplním, že tam používám fakt levný komerční step-up LED driver, který má mít referenci 95 mV, já tam zatím vždy naměřil něco jako 80 mV. Pouzdro SOT223.

        [ Reagovat ] [ Zpět ]
        Datum: 02.07.2014
        Autor: snilard
        Hodnocení: 0 Hlasovat mohou jen přihlášení uživatelé Hlasovat mohou jen přihlášení uživatelé 0
  • Tlakový reproduktor

         

    Pomalu se chystám nahradit zvonek i na Oceláči něčím originálním a pokud možno silnějším. Co se prodává, to je buď těžké, nebo slabé, nebo to piští jenom moc vysoko.
    Tohle jsem zbastlil. Všechy detaily směřovaly k vytvoření skutečného tlakového reproduktoru, i ty, co nejsou vidět. Problém může být citlivost vlastního driveru, což je 8 ohm repráček průměru 40 mm. Se sirénou z alarmu se to nedá srovnat, tam je jenom magnet čtyřikrát těžší než tohle celé. Můj výtvor má 90 gramů, šířka 9 cm.
    Ještě uvidím, čím to krmit, jestli půl- nebo celý můstek, možnosti jsou omezené na 4 V a max 0,3 A, pokud nechci přidávat žádný zdroj. Důležité bude vybrat správný průběh signálu.
    V krabičce bude i potřebná elektronika a celé se to ještě přestříká, jestli to teda bude fungovat.
    Když do něj pustím výstup zesilovače, tak dokonale napodobuje zvuk obecního rozhlasu a už kolem 1 W "trhá uši".

    [ Reagovat ] [ Zpět ]
    Datum: 07.06.2014
    Autor: Radek
    Hodnocení: +2 Hlasovat mohou jen přihlášení uživatelé Hlasovat mohou jen přihlášení uživatelé 0
    • Re: Tlakový reproduktor

           

      Hezke, aspon nehrozi, ze by ti na K24 zapomneli zapocitat nejake kolo... :-)

      [ Reagovat ] [ Zpět ]
      Datum: 07.06.2014
      Autor: Jrr
      Hodnocení: 0 Hlasovat mohou jen přihlášení uživatelé Hlasovat mohou jen přihlášení uživatelé 0
      • Re: Tlakový reproduktor

             

        Do té doby to hotové nebude, ale hlavně K24 bych chtěl jet na jiném kole.

        [ Reagovat ] [ Zpět ]
        Datum: 08.06.2014
        Autor: Radek
        Hodnocení: 0 Hlasovat mohou jen přihlášení uživatelé Hlasovat mohou jen přihlášení uživatelé 0
    • Re: Tlakový reproduktor

           

      Pěkná práce, těším se, až to uvidím na živo.

      [ Reagovat ] [ Zpět ]
      Datum: 09.06.2014
      Autor: Jirka
      Hodnocení: 0 Hlasovat mohou jen přihlášení uživatelé Hlasovat mohou jen přihlášení uživatelé 0
    • Re: Tlakový reproduktor

           

      Tak je to nějak hotové. Pro buzení 8 ohmů je tam celý můstek z MOSFETů, s ním je odběr 0,5 A při 4 V, to baterka nedá a napětí klesne, ale slyšet to ještě je. Při jízdě je to lepší, protože je dobíjená, ale stejně - mohlo to být silnější, kdyby byl pořádný zdroj.
      Nejvýraznější signál vznikl takto: Naladí se nejsilnější kmitočet. Ten se u dobrého tlakového reproduktoru těžko hledá, když nemá jasnou rezonanci. Vlastně je ho na to škoda. Ale vyšlo to kolem 3 kHz, tam je ucho nejcitlivější. Tento kmitočet se přepíná s polovičním v poměru 1:1. Frekvence toho přepínání určuje výsledný zvuk a je to asi 250 Hz.
      Bylo nutné počítat s takovou absurditou:
      Přes zvonek byl napájený dvouledkový ukazatel napětí na řídítkách. Ten byl dodělávaný později a nebyl rezervní drát. Takže u houkačky jsem musel zachovat tuto vlastnost motoru zvonku - nízký odpor v klidovém stavu. Je to řešeno pomocí miniaturního relé, které připojuje k napájecím přívodům náhradní zátěž - přímo cívku reproduktoru. Ta má stejný odpor, jako měl motorek. Stisknutím tlačítka se reproduktor hned přepne kam patří - na výstup. To relé váží i míň, než kdyby tam měl být celý drát navíc, hlavně jsem ho měl doma.
      Největší efekt toho všeho je asi nakonec zhoršení aerodynamiky :-)

      [ Reagovat ] [ Zpět ]
      Datum: 25.06.2014
      Autor: Radek
      Hodnocení: +1 Hlasovat mohou jen přihlášení uživatelé Hlasovat mohou jen přihlášení uživatelé 0
  • Re: Vlastní osvětlení a další elektronika - 8

         

    Tak jsem dneska konečně pochopil, jak přesně funguje boost měnič. Před chvílí mi s hrůzou došlo, že tím spínacím tranzistorem teče to samé co cívkou a špičkový proud cívkou je výrazně větší, než proud na výstupu. Obzvláště, je li rozdíl napětí větší. No a zádrhel je v tom, že na obvod nabíječky li-pol baterek chci použít step-up čip, který má limit na proud mosfetem pouze 750 mA. A já bych potřeboval 2,5A, jak jsem spočetl pomocí kalkulačky na adafruit.com.
    No a teď babo raď. Deska asi ještě vyrobená není, budou ji dělat zítra. Ale jiný čip s větším proudem by znamenal dopravu z Irska. Pochybuji, že se něco takového dá u nás sehnat. Druhý a asi ještě větší zádrhel je, že za dva týdny odjíždím mimo dosah páječky a nějakou lehkou nabíječku tam potřebuju. Zatím jako řešení vidím varianty nabíjet to prostě šíleně malými proudy. A do budoucna se zamyslet nad přestavbou.

    [ Reagovat ] [ Zpět ]
    Datum: 24.06.2014
    Autor: snilard
    Hodnocení: 0 Hlasovat mohou jen přihlášení uživatelé Hlasovat mohou jen přihlášení uživatelé 0
    • Re: Vlastní osvětlení a další elektronika - 8

           

      Jo, to zní jako celkem logické vysvětlení - když chceš větší napětí, musíš mít na vstupu minimálně stejný příkon, což znamená vyšší (průměrný) proud a ten proud samozřejmě musí téct i spínacím tranzistorem, byť jen část cyklu. :-D

      Těžko říct, zda jsem si to naplno uvědomoval při konstrukci svého světla, ale já vybíral spínací tranzistory podle odporu v sepnutým stavu, díky čemuž jsem měl maximální proud bezpečně naddimenzovaný. :-)

      Tady těžko asi radit, jestli je 750 mA skutečně maximální špičkový proud, tak toho moc nenaděláš. Pokud máš ale kompletní chip na měnič, čekal bych, že v datasheetu už bude jasně napsané, s jakým výstupním proudem za jakých podmínek můžeš počítat, aniž bys musel zkoumat proud cívkou během PWM cyklu...

      [ Reagovat ] [ Zpět ]
      Datum: 24.06.2014
      Autor: Jrr
      Hodnocení: 0 Hlasovat mohou jen přihlášení uživatelé Hlasovat mohou jen přihlášení uživatelé 0
    • Re: Vlastní osvětlení a další elektronika - 8

           

      Zdá se, že existuje řešení v podobě čipu se stejným pouzdrem a funkcí nohou jen s mnohem lepším mosfetem uvnitř. Jen mi přijde hloupé koupit čip za 70 korun a k tomu poštovné za 130…

      http://www.farnell.com/datasheets/1759094.pdf

      [ Reagovat ] [ Zpět ]
      Datum: 24.06.2014
      Autor: snilard
      Hodnocení: 0 Hlasovat mohou jen přihlášení uživatelé Hlasovat mohou jen přihlášení uživatelé 0
    • Re: Vlastní osvětlení a další elektronika - 8

           

      Já jsem ale kokos a plašan. Ta kalkulačka počítá špičkový proud pro minimální možnou cívku, ale ta moje cívka je mnohem větší, Takže by tam vůbec tak velký rozkmit proudů neměl být. A já kvůli tomu tady už přes hodinu plaším a koupil jsem naprosto naddimenzovanou diodu.

      Asi bych vážně měl jít už spát, ty tři hodiny na dnešek zdá dost zatřeli mou mysl.

      [ Reagovat ] [ Zpět ]
      Datum: 24.06.2014
      Autor: snilard
      Hodnocení: 0 Hlasovat mohou jen přihlášení uživatelé Hlasovat mohou jen přihlášení uživatelé 0
      • Re: Vlastní osvětlení a další elektronika - 8

             

        Jen tak pro zajímavost - jak velká cívka to je?

        A s tou diodou to nechápu už vůbec: přece dioda je limitovaná tím výstupním proudem (víceméně, stejně diody mají špičkový proud větší) a závěrným napětím vyšším, než je výstupní napětí měniče.

        No a obligátní otázka: tam někde dál máš i MCU? Pokud jo, k čemu je takovýto obvod na rozdíl od MOSFETu řízeného tím MCU? Jako dovedu si představit, že vyšší spínací frekvence umožní dát tam menší cívku a tak, ale zase MOSFET seženeš ve srovnatelném pouzdře (SOT-23) s daleko lepšími parametry. A MCU ti umožní propálit daleko méně výkonu na měřícím odporu, protože má přesnější ADC.

        [ Reagovat ] [ Zpět ]
        Datum: 24.06.2014
        Autor: Akito
        Hodnocení: 0 Hlasovat mohou jen přihlášení uživatelé Hlasovat mohou jen přihlášení uživatelé 0
        • Re: Vlastní osvětlení a další elektronika - 8

               

          MCU tam být nemusí. Řekněme, že jsem to chtěl postavit za co nejméně času a ano i na co nejmenším prostoru. Prostě něco, co nebude muset moc ladit. Účinnost bude horší, ale to mě zas tak moc netankuje.

          Teď čísla. Ten driver jede na 1,2 MHz, vstupní napětí ~5V výstup 6V až 12,3V výstupní proud až 0,5V a cívky mám nějakých 22 uF. Ta kalkulačka mi spočítala minimální cívku na něco přes 1 uF. Diodu jsem koupil na 3A a stačila by 1A dioda, tahle je fakt obří, má i tlustší nohy. Diodou ve step-up měniči teče stejný špičkový proud jako cívkou.

          [ Reagovat ] [ Zpět ]
          Datum: 24.06.2014
          Autor: snilard
          Hodnocení: 0 Hlasovat mohou jen přihlášení uživatelé Hlasovat mohou jen přihlášení uživatelé 0
  • Re: Vlastní osvětlení a další elektronika - 8

         

    Potřeboval bych takový jednoduchý obvod s co nejmenší spotřebou. Na zmáčknutí tlačítka by nahodil na výstupní nohu log 1 a na druhé zmáčknutí by tam nahodil log 0 a tak pořád dokola. Takový vypínač ale na tlačítko.
    A teď je otázka, jestli na to existuje nějaký levný, malý a hlavně energeticky velmi úsporný čip. Nebo jestli se to nějak jednoduše dá zapojit z nějakých hradel. A nebo jestli bude nejjednodušší to naprgat do nějaké levné ATTiny.
    Poradíte, prosím?

    [ Reagovat ] [ Zpět ]
    Datum: 25.06.2014
    Autor: snilard
    Hodnocení: 0 Hlasovat mohou jen přihlášení uživatelé Hlasovat mohou jen přihlášení uživatelé 0
    • Re: Vlastní osvětlení a další elektronika - 8

           

      Záleží, co pro tebe znamená malá spotřeba. Co třeba SN74AUP1G80 (měl by mít spotřebu v klidu do uA, ale jen 3V3), příp 5V verze s větší spotřebou třeba SN74LVC1G80.
      Spoj výstup /Q se vstupem D, tlačítko na CLK.

      [ Reagovat ] [ Zpět ]
      Datum: 25.06.2014
      Autor: Marble
      Hodnocení: 0 Hlasovat mohou jen přihlášení uživatelé Hlasovat mohou jen přihlášení uživatelé 0
      • Re: Vlastní osvětlení a další elektronika - 8

             

        Takhle to mám zapojené s půlkou 4013 (druhá je na něco jiného). Problém je, že ve spojení přímo s mikrospínačem se vyrobí 100% generátor náhody. Musí tam být ještě další přizpůsobovací obvod (schmitt a časování). Při snaze rozumně filtrovat tlačítko nějakým RC článkem to přestane reagovat, prostě vstup potřebuje strmost. Kompromis je, když to většinou funguje a někdy zablbne. Mám to na ovládání dálkového světla jedním tlačítkem.
        Funguje tohle jinak než 4013?

        [ Reagovat ] [ Zpět ]
        Datum: 25.06.2014
        Autor: Radek
        Hodnocení: 0 Hlasovat mohou jen přihlášení uživatelé Hlasovat mohou jen přihlášení uživatelé 0
        • Re: Vlastní osvětlení a další elektronika - 8

               

          Jo, pravda, dobrá připomínka. Tak nějak tiše jsem předpokládal RC filtr, ale nedošlo mi, že flip-flopy ho asi fakt nemají rády (SN74AUP1G80 má sice schmitt vstupy, ale pořád chce minimálně 1V/200 ns při 250 mV hysterezi takže do specifikace se člověk s obyčejným tlačítkem zřejmě nevleze).

          [ Reagovat ] [ Zpět ]
          Datum: 25.06.2014
          Autor: Marble
          Hodnocení: 0 Hlasovat mohou jen přihlášení uživatelé Hlasovat mohou jen přihlášení uživatelé 0
          • Re: Vlastní osvětlení a další elektronika - 8

                 

            Takže buď ještě schmitt gate před flip-flop nebo pokud zkoušet kompromisy s RC, tak je mnohem lepší 4013, jak píše Radek (zhruba o 2 řády v minimální rychlosti vstupní hrany).

            [ Reagovat ] [ Zpět ]
            Datum: 25.06.2014
            Autor: Marble
            Hodnocení: 0 Hlasovat mohou jen přihlášení uživatelé Hlasovat mohou jen přihlášení uživatelé 0
        • Re: Vlastní osvětlení a další elektronika - 8

               

          Kmitání tlačítka mě vůbec nenapadlo. Na kolik a jak velkých čipů je to tvoje řešení?

          [ Reagovat ] [ Zpět ]
          Datum: 25.06.2014
          Autor: snilard
          Hodnocení: 0 Hlasovat mohou jen přihlášení uživatelé Hlasovat mohou jen přihlášení uživatelé 0
          • Re: Vlastní osvětlení a další elektronika - 8

                 

            Pokud vezmeš samostatný schmitt a flip-flop jsou to dva 5pin chipy (třeba ty 74AUP1Gxx), co existují i v menším pouzdře, než budeš ochotný letovat. :) Ale i v SOT23. (Nicméně nevím, co se ti podaří sehnat bez šíleného poštovného.) Odpory, kondenzátory opět tak malé, jak jsi ochotný letovat (nepotřebuješ tam prakticky žádné výkony).
            Ty tím chceš zapínat/vypínat nějaký integrovaný měnič? Jaký?

            [ Reagovat ] [ Zpět ]
            Datum: 25.06.2014
            Autor: Marble
            Hodnocení: 0 Hlasovat mohou jen přihlášení uživatelé Hlasovat mohou jen přihlášení uživatelé 0
            • Re: Vlastní osvětlení a další elektronika - 8

                   

              Chci tím zapínat step-up měnič s enable pinem. Ano sehnatelnost v ČR je celkem důležitý parametr :)

              [ Reagovat ] [ Zpět ]
              Datum: 25.06.2014
              Autor: snilard
              Hodnocení: 0 Hlasovat mohou jen přihlášení uživatelé Hlasovat mohou jen přihlášení uživatelé 0
              • Re: Vlastní osvětlení a další elektronika - 8

                     

                Ještě se můžeš využít výstupní napětí z měniče a pak by ti mohl stačit jen jeden tranzistor a pár pasivních součástek. Inspirace s hezkým popisem třeba tu: http://www.mosaic-industries.com/embedded...
                Jo, taky se podívej, jakou má ten měnič standby spotřebu. Abys nenaháněl uA, když si pak vypnutý měnič řekne o 10 uA třeba.
                A obecně s uváděnými spotřebami součástek zacházet opatrně. Ona je u polovodičů hodně velká závislost na teplotě (klidně o řád i víc) a dost rozptyl kus od kusu, takže pokud jeden datasheet uvádí typických desetiny uA a jiný maximum jednotky uA, může to být ve výsledku totéž.

                [ Reagovat ] [ Zpět ]
                Datum: 25.06.2014
                Autor: Marble
                Hodnocení: 0 Hlasovat mohou jen přihlášení uživatelé Hlasovat mohou jen přihlášení uživatelé 0
                • Re: Vlastní osvětlení a další elektronika - 8

                       

                  Zajímavé. Nějak to časem pročtu. Děkuju za inspiraci.

                  [ Reagovat ] [ Zpět ]
                  Datum: 26.06.2014
                  Autor: snilard
                  Hodnocení: 0 Hlasovat mohou jen přihlášení uživatelé Hlasovat mohou jen přihlášení uživatelé 0
                  • Re: Vlastní osvětlení a další elektronika - 8

                         

                    Jo, sorry, měl jsem otevřené to co posílal Marble.

                    [ Reagovat ] [ Zpět ]
                    Datum: 26.06.2014
                    Autor: Akito
                    Hodnocení: 0 Hlasovat mohou jen přihlášení uživatelé Hlasovat mohou jen přihlášení uživatelé 0
                    • Re: Vlastní osvětlení a další elektronika - 8

                           

                      A ještě věším odpověď pod jiný příspěvek. Chjo.

                      Dneska mi fyzioterapeutka doporučila zkusit přehodit myš na druhou ruku, tak se cítím jakobych seděl u počítače poprvé.

                      [ Reagovat ] [ Zpět ]
                      Datum: 26.06.2014
                      Autor: Akito
                      Hodnocení: 0 Hlasovat mohou jen přihlášení uživatelé Hlasovat mohou jen přihlášení uživatelé 0
    • Re: Vlastní osvětlení a další elektronika - 8

           

      Bistabil s nějakou mosfetovou verzí 555ky jsi neuvažoval?

      [ Reagovat ] [ Zpět ]
      Datum: 25.06.2014
      Autor: Jirka
      Hodnocení: 0 Hlasovat mohou jen přihlášení uživatelé Hlasovat mohou jen přihlášení uživatelé 0
      • Re: Vlastní osvětlení a další elektronika - 8

             

        Našel jsem tohle. http://todbot.com/blog/2010/01/02/momentary...
        Ale je tam ta napěťová dělička, která bude pořád žrát. Rád bych dostal spotřebu ve vypnutém stavu pod uA.

        [ Reagovat ] [ Zpět ]
        Datum: 25.06.2014
        Autor: snilard
        Hodnocení: 0 Hlasovat mohou jen přihlášení uživatelé Hlasovat mohou jen přihlášení uživatelé 0
        • Re: Vlastní osvětlení a další elektronika - 8

               

          O kterém z těch obrázků mluvíš? Několik z nich má napěťové děličky, ale vesměs připojené přes kondenzátor k zemi, čili za normálního stavu přes ně nic neprochází. Co jsem přehlédl?

          [ Reagovat ] [ Zpět ]
          Datum: 25.06.2014
          Autor: Akito
          Hodnocení: 0 Hlasovat mohou jen přihlášení uživatelé Hlasovat mohou jen přihlášení uživatelé 0
          • Re: Vlastní osvětlení a další elektronika - 8

                 

            Neklikáš na špatný odkaz? Tady je jen jedno zapojení.

            [ Reagovat ] [ Zpět ]
            Datum: 26.06.2014
            Autor: snilard
            Hodnocení: 0 Hlasovat mohou jen přihlášení uživatelé Hlasovat mohou jen přihlášení uživatelé 0
        • Re: Vlastní osvětlení a další elektronika - 8

               

          Použít na tohle 555, proč tam nedat rovnou elektronku, určitě by to taky fungovalo.
          Ale princip je to dobrý, to už jsem použil na tlačítkové ovládání relátka. Tak proč to nezkusit s MOSFETem, na spínání DC je určitě lepší.
          A ejhle. Myslím, že tohle je přesně podle původního požadavku. Spotřeba ve vypnutém stavu nula. Vezme se N-mosfet a jeden PNP (nebo naopak), čtyři odpory a jeden kondenzátor (10 mikroF). Fungovalo to bez měření na první pokus.
          V tomhle případě na 6 V. Zvládá to jakoukoliv rychlost mačkání tlačítka, co jenom prst dokáže.
          Nechtělo se mi to kreslit :-)

          [ Reagovat ] [ Zpět ]
          Datum: 26.06.2014
          Autor: Radek
          Hodnocení: 0 Hlasovat mohou jen přihlášení uživatelé Hlasovat mohou jen přihlášení uživatelé 0
          • Re: Vlastní osvětlení a další elektronika - 8

                 

            Nebylo by i schéma, prosím?

            [ Reagovat ] [ Zpět ]
            Datum: 30.06.2014
            Autor: snilard
            Hodnocení: 0 Hlasovat mohou jen přihlášení uživatelé Hlasovat mohou jen přihlášení uživatelé 0
            • Re: Vlastní osvětlení a další elektronika - 8

                   

              No dobře. Všechno čmárám ručně, tak jsem si říkal, že to z toho bude jasné i tak.
              Hodnoty součástek asi nebudou kritické, ale bude potřeba upravit je podle napájecího napětí vzhledem k vlastnostem mosfetu. Tenhle potřeboval k plnému otevření asi 5 V a fungovalo to při napájení od 5 do 8 V. Pak docházelo k tomu, že po vypnutí se to při podržení tlačítka zas zaplo. Záleží taky na zátěži.

              [ Reagovat ] [ Zpět ]
              Datum: 30.06.2014
              Autor: Radek
              Hodnocení: 0 Hlasovat mohou jen přihlášení uživatelé Hlasovat mohou jen přihlášení uživatelé 0
              • Re: Vlastní osvětlení a další elektronika - 8

                     

                Tak já budu jako první za ignoranta a zeptám se na vysvětlení. Už na to schéma čučím delší dobu a furt nevím jak to funguje. Asi je to tím, že jsem pořádně nepobral, jak fungují PNP a NPN tranzistory. Na rozdíl od MOSFETů jsou na mě příliš "analogové" :-)

                A chápu to správně, že tímhle obvodem v zapnutém stavu poteče jako "režie" proud přes ty dva odpory 10k a 1k?

                [ Reagovat ] [ Zpět ]
                Datum: 01.07.2014
                Autor: Akito
                Hodnocení: +1 Hlasovat mohou jen přihlášení uživatelé Hlasovat mohou jen přihlášení uživatelé 0
                • Re: Vlastní osvětlení a další elektronika - 8

                       

                  Tak jo, zkusím. :)
                  S bipolárním tranzistorem tam žádná magie není, šlo by to zapojit stejně i s druhým MOSFETem (pchannel). Ty dva tranzistory se navzájem drží v otevřeném stavu (odmysli si tlačítko a R, C vlevo od něj, zbytek je bistabilní obvod).
                  Kondenzátor je nabitý (přes zátěž) v případě vypnutého stavu, resp. vybitý (přes nMOS) v zapnutém stavu, takže jeho připojením na gate se obvod překlopí.
                  Jo, v zapnutém stavu teče proud přes těch 11kohm.
                  Pro použití s nízkým napětím asi bude problém najít MOSFET, co se dostatečně otevře. Ale dá se v principu použít i jakýkoliv jiný spínač, třeba ten měnič s enable vstupem (pokud bude napětí na výstupu po vypnutí padat dostatečně rychle). K tomu bude asi potřeba celý obvod "otočit" záměnou +/- a P/N.

                  [ Reagovat ] [ Zpět ]
                  Datum: 02.07.2014
                  Autor: Marble
                  Hodnocení: 0 Hlasovat mohou jen přihlášení uživatelé Hlasovat mohou jen přihlášení uživatelé 0
                  • Re: Vlastní osvětlení a další elektronika - 8

                         

                    Díky, asi jsem to konečně pochopil. Je to geniálně jednoduché, nepřišel bych na to :-).

                    [ Reagovat ] [ Zpět ]
                    Datum: 02.07.2014
                    Autor: Jirka
                    Hodnocení: 0 Hlasovat mohou jen přihlášení uživatelé Hlasovat mohou jen přihlášení uživatelé 0
                  • Re: Vlastní osvětlení a další elektronika - 8

                         

                    Nojo, když to řekneš takhle, tak to dává smysl. Díky.

                    Já jsem furt špekuloval nad tím, proč je tam ten bipolární PNP a ne MOSFET. A pak taky by mi to asi líp matchovalo na takové to klasické schéma bistabilního KO, pokud by jeden z těch tranzistorů byl zrcadlově otočený :-)

                    [ Reagovat ] [ Zpět ]
                    Datum: 02.07.2014
                    Autor: Akito
                    Hodnocení: 0 Hlasovat mohou jen přihlášení uživatelé Hlasovat mohou jen přihlášení uživatelé 0
                    • Re: Vlastní osvětlení a další elektronika - 8

                           

                      Tak máš to vysvětleno, zatím jsem neměl pauzu.
                      Bipolární tranzistor funguje taky ve spínacím režimu. Kdyby se dal místo něj mosfet, ušetřilo by se asi 0,0001 W na odporu, což není dostatečná motivace. Taky by šlo dát všechny odpory desetkrát větší a pak i zmenšit kondenzátor. Spotřeba nějakých 0,003 W v zapnutém stavu je daň za určitou "šumovou imunitu". V průmyslových aplikacích by hádám nešli pod půl wattu.

                      [ Reagovat ] [ Zpět ]
                      Datum: 02.07.2014
                      Autor: Radek
                      Hodnocení: +1 Hlasovat mohou jen přihlášení uživatelé Hlasovat mohou jen přihlášení uživatelé 0
              • Re: Vlastní osvětlení a další elektronika - 8

                     

                Když jsem to zkoušel v jednoduchém simulátoru, aby se to vypnulo, musel být stisk tlačítka hodně krátký, jinak to zase začalo nabíhat do zapnutí.

                [ Reagovat ] [ Zpět ]
                Datum: 02.07.2014
                Autor: snilard
                Hodnocení: 0 Hlasovat mohou jen přihlášení uživatelé Hlasovat mohou jen přihlášení uživatelé 0
                • Re: Vlastní osvětlení a další elektronika - 8

                       

                  Myslím, že tohle souvisí s prahovým napětím MOSFETu a děličem z těch dvou 10k odporů. Pokud má MOSFET práh výš, než napájecí napětí podělené tímhle děličem, nemělo by to snad dělat. Bez záruky, jen rychlý odhad, kdyžtak si to ověř.
                  Případně se dá udělat trochu jiné zapojení, kde je tlačítko oddělené sériovým kondenzátorem ve stylu zapojení v odkazu, co jsme tu posílal před pár dny.

                  [ Reagovat ] [ Zpět ]
                  Datum: 02.07.2014
                  Autor: Marble
                  Hodnocení: 0 Hlasovat mohou jen přihlášení uživatelé Hlasovat mohou jen přihlášení uživatelé 0
    • Re: Vlastní osvětlení a další elektronika - 8

           

      Ja bych to řešil klasicky ATtiny25/45/85 (co je po ruce). Nebo se ti spotřeba cca 0.5 uA v power-down zdá pořád příliš?

      Jako hlavní výhodu vidím možnost ošetření zákmitů a okrajových podmínek (třeba stav po připojení napájení) přesně podle svých potřeb. Ono se to navíc může nějak zvrtnout a budeš rád, že ten procesor tam máš...

      [ Reagovat ] [ Zpět ]
      Datum: 25.06.2014
      Autor: Jrr
      Hodnocení: 0 Hlasovat mohou jen přihlášení uživatelé Hlasovat mohou jen přihlášení uživatelé 0
      • Re: Vlastní osvětlení a další elektronika - 8

             

        Tak. Anebo ještě nějaké šestipinové ATtiny4/5/9/10, pokud bych fakt chtěl ušetřit prostor.

        Nedávno jsem zjistil, že v C je možné nadefinovat atribut proměnné __noinit__ nebo tak nějak, a ona si zachová hodnotu i po resetu. Což by mi umožnilo pro některé aplikace použít reset pin jako tlačítko a v takovéto proměnné si uchovávat stav před resetem. A přitom si zachovat možnost přeprogramovat MCU normálním způsobem bez vyššího napětí.

        [ Reagovat ] [ Zpět ]
        Datum: 25.06.2014
        Autor: Akito
        Hodnocení: 0 Hlasovat mohou jen přihlášení uživatelé Hlasovat mohou jen přihlášení uživatelé 0
        • Re: Vlastní osvětlení a další elektronika - 8

               

          No principielně asi ano, ale přijde mi to reset tlačítko hodně obskurní, mimo jiné protože po odpojení napájení budeš mít data v paměti nedefinovaná. Sice můžeš zjistit důvod resetu z nějakého registru, ale stejně se mi to jako řešení nelíbí...

          Ty šestipinové ale co vím potřebují tak jako tak jiný programátor.

          Spíš mě ještě jako výhoda ATtiny oproti nějakému klopnému obvodu napadá možnost uložit si poslední stav do Eeprom a po výpadku napájení obnovit předchozí stav. Samozřejmě ale záleží na aplikaci, třeba u světel/blikačky/čelovky... se může hodit, když se nevypne kvůli mizerný pružině v držáku baterie na každý nerovnosti...

          [ Reagovat ] [ Zpět ]
          Datum: 25.06.2014
          Autor: Jrr
          Hodnocení: 0 Hlasovat mohou jen přihlášení uživatelé Hlasovat mohou jen přihlášení uživatelé 0
          • Re: Vlastní osvětlení a další elektronika - 8

                 

            Ano, já stejně mám v kódu nastavení všeho na definovanou hodnotu i třeba kvůli probuzení po uspání, takže pro mě není problém toto zavolat i po připojení napájení (a ano, důvod resetu se zjistí z registru). No a nakonec, nedefinovanou hodnotu bude mít jen ta jedna proměnná, ve které si chci pamatovat, co bylo před RESETem. A v případě detekce power-on nebo brown-out ji prostě můžu vynulovat. Všechno ostatní bude mít definovanou hodnotu jako při jiném resetu.

            Trochu problém je, že toto je použitelné jen tam, kde během stisku tlačítka nechci dělat nic dalšího, třeba svítit přes PWM nebo dokonce blikat. Ale pro některé aplikace to použitelné je, a šest pinů místo pěti u ATtiny 13/25/45/85 může být významné.

            No a hlavně, jak to tady čtu, tak půlka 4013 s RC filtrem na vstupu zabere podle mě víc plochy než ATtiny13, nehledě na to, že aspoň podle prvního náhodně objeveného datasheetu 4013 to má klidovou spotřebu v řádově jednotkách uA, zatímco ATtiny13 má výrazně pod 1 uA.

            [ Reagovat ] [ Zpět ]
            Datum: 25.06.2014
            Autor: Akito
            Hodnocení: 0 Hlasovat mohou jen přihlášení uživatelé Hlasovat mohou jen přihlášení uživatelé 0
            • Re: Vlastní osvětlení a další elektronika - 8

                   

              Přesně jak říkáš, akorát narazíš třeba hned s požadavkem, že máš na tlačítko reagovat jen když bylo stisknuté aspoň 100 ms.

              Snilardovo zadání potřebuje zatím 2 piny, takže 5 by mu mohlo chvíli vydržet, ale jo určitě může nastat situace, kdy jich prostě potřebuješ 6, nechceš dávat jiný procesor a to pak člověk vymýšlí různá řešení.
              Já třeba takhle kdysi využil původně pouze indikační LED jako vstupní prvek pro příkaz vysílaný baterkou...

              Jednou jsem už i vymýšlel, jak poznat, jak dlouho byl procesor bez napájení, aby šel "ovládat" jističem 230V pro celé zařízení. Napadlo mě po zapnutí změřit napětí kondenzátoru nabíjeným stejným PINem, ale nakonec k realizaci nedošlo.

              [ Reagovat ] [ Zpět ]
              Datum: 25.06.2014
              Autor: Jrr
              Hodnocení: 0 Hlasovat mohou jen přihlášení uživatelé Hlasovat mohou jen přihlášení uživatelé 0
        • Re: Vlastní osvětlení a další elektronika - 8

               

          Hele a nemusí se jen tak náhodou ty malá ATTiny programovat v assembleru?

          [ Reagovat ] [ Zpět ]
          Datum: 25.06.2014
          Autor: snilard
          Hodnocení: 0 Hlasovat mohou jen přihlášení uživatelé Hlasovat mohou jen přihlášení uživatelé 0
          • Re: Vlastní osvětlení a další elektronika - 8

                 

            Proč? Mám několik věcí postavených na ATtiny45, a programuju to v C. Assembler ti přinese akorát lepší efektivitu kódu (možná :-) a menší režii na céčkové věci typu zásobník a podobně. Za mě ale rozhodně C.

            [ Reagovat ] [ Zpět ]
            Datum: 25.06.2014
            Autor: Akito
            Hodnocení: 0 Hlasovat mohou jen přihlášení uživatelé Hlasovat mohou jen přihlášení uživatelé 0
            • Re: Vlastní osvětlení a další elektronika - 8

                   

              Attiny45 je ještě fajn, ale u těch 4 až 10 je jen 32 byte RAM, což může být trochu (dost?) problém. Každé zanoření funkce jsou 2 byte jen na návratovém pointeru, plus na zásobníku skončí standardně všechny lokální proměnné. Takže (skoro) všechno deklarovat jako register a počítat RAM. Plus řešit, kolik zásobníku ukousne zavolání nějaké knihovní fce atd. Jako jo, jde to, ale nevím, jestli pak už není jednodušší psát v asm. :)

              [ Reagovat ] [ Zpět ]
              Datum: 25.06.2014
              Autor: Marble
              Hodnocení: 0 Hlasovat mohou jen přihlášení uživatelé Hlasovat mohou jen přihlášení uživatelé 0
              • Re: Vlastní osvětlení a další elektronika - 8

                     

                Tak záleží. Pokud bych psal vypínač, o čemž tady je řeč, žádnou knihovnu nepotřebuju. Spousta funkcí je funkcemi jen pro účely rozdělení kódu do logických celků, ale volají se jen jednou. Ty jde dát inline, nebo se spolehnout na to, že kompilátor bude dostatečně chytrý (ověřit disassemblerem).

                No a jinak ano, stejně jako u většiny systémového programování dost pomáhá, pokud programátor má aspoň nějakou představu o tom, jak zhruba kód v jazyce C koresponduje s výslednými strojovými instrukcemi a paměťovou náročností. Ale to považuju za samozřejmost.

                Problém jako u většiny programovacích úloh není to napsat, ale to udržovat. Člověk totiž potom většinu času nepíše kód, ale _čte_ kód. A tam fakt pomáhá, pokud ten kód je čitelný. Což mluví spíš pro to C. Samozřejmě - dobře komentovaný kód lze psát i v assembleru, ale tam už pak získání "big picture" závisí téměř výhradně na těch komentářích a ne na kódu samotném, na rozdíl od toho C. Čili je i větší riziko, že se komentář rozejde s realitou, a čtenář si toho nevšimne.

                [ Reagovat ] [ Zpět ]
                Datum: 25.06.2014
                Autor: Akito
                Hodnocení: 0 Hlasovat mohou jen přihlášení uživatelé Hlasovat mohou jen přihlášení uživatelé 0
            • Re: Vlastní osvětlení a další elektronika - 8

                   

              Ale ty jsi psal o šestinohém ATtiny 4. A ten, pokud se nepletu, se programuje pomocí assembleru a dělá se pouze v SOT provedení.
              Programátor bych na to měl, dával jsem to na blikací náušnice, ale kód si nenapíšu a učit se assembler nechci.

              [ Reagovat ] [ Zpět ]
              Datum: 26.06.2014
              Autor: snilard
              Hodnocení: 0 Hlasovat mohou jen přihlášení uživatelé Hlasovat mohou jen přihlášení uživatelé 0
      • Re: Vlastní osvětlení a další elektronika - 8

             

        No já jsem si říkal, že by mohlo být nějaké levnější řešení než MCU. Prostě bych to rád jen spájel dohromady a používal. Chci toho udělat jen jeden kousek. Ale na zákmity mikrospínače jsem zapomněl.
        Mně na MCU vadí také to, že buď musím na tu desku dát programovací piny a nebo ho musím narvat do patice, oboje zabírá dost místa.
        Mám doma nějakou takovou obyč čína čelovku s hromadou diod, co nefunguje. Tak jsem si říkal, že bych do ní udělal novou napájecí desku a použil šasi a ty diody. Ale je tam celkem málo prostoru a nechci do toho moc investovat. Součástky na step-up měnič doma mám, takže už právě potřebuju jen vyřešit, jak to zapínat a ten mikrospínač, co tam je mi přijde jako mechanicky nejvhodnější řešení.

        [ Reagovat ] [ Zpět ]
        Datum: 25.06.2014
        Autor: snilard
        Hodnocení: 0 Hlasovat mohou jen přihlášení uživatelé Hlasovat mohou jen přihlášení uživatelé 0
        • Re: Vlastní osvětlení a další elektronika - 8

               

          Attiny25 stoji v GME cca 30 Kc. Na kolik si vazis sveho casu? ;-)
          Pokud si veris, muzes to naprogramovat pred pripajenim, pripadne u nas ve fabrice byva oblibene reseni, ze neni cely programovaci konektor, ale jen plosky, na kterych musis kontakty behem programovani "nejak" udrzet... :-D

          A z ekonomickeho hlediska bohuzel opravovat obycejnou celovku prilis smysl nema...

          Jinak dalsi vyhoda procesoru v celovce je moznost programovani nekonecneho mnozstvi blikajicich rezimu, co tak strasne nesnasim, vzhledem k dostupne pameti by nebyl problem vyblikavat v morseovce i VELMI dlouhy text... :-D

          [ Reagovat ] [ Zpět ]
          Datum: 25.06.2014
          Autor: Jrr
          Hodnocení: 0 Hlasovat mohou jen přihlášení uživatelé Hlasovat mohou jen přihlášení uživatelé 0
          • Re: Vlastní osvětlení a další elektronika - 8

                 

            Taky na to teď koukám, že nějak zlevnili :)
            O výrobě něčeho jako čelovka jsem přemýšlel. A tohle se docela hodí, jsou tam diody, má to vyřešené napájení…

            [ Reagovat ] [ Zpět ]
            Datum: 25.06.2014
            Autor: snilard
            Hodnocení: 0 Hlasovat mohou jen přihlášení uživatelé Hlasovat mohou jen přihlášení uživatelé 0
          • Re: Vlastní osvětlení a další elektronika - 8

                 

            Jo, vyblikávání textu v morseovce jsem dělal pro děti do světel na kolo.

            Ale jsou další způsoby využití - třeba emulace ochrany proti hlubokému vybití - umožní to použít baterky bez kontrolní elektroniky a ještě dělat triky typu "pokud klesne napětí pod nějakou mez, jednou za půl minuty 2x blikni". Což upozorní nositele na vybití, ale v zásadě nevadí běžnému použití ještě po nějakou další dobu.

            [ Reagovat ] [ Zpět ]
            Datum: 25.06.2014
            Autor: Akito
            Hodnocení: 0 Hlasovat mohou jen přihlášení uživatelé Hlasovat mohou jen přihlášení uživatelé 0
        • Re: Vlastní osvětlení a další elektronika - 8

               

          Jak jsi vzpomněl čelovku, tak mi něco došlo: mám tady destičku prům. 20 mm z nějaké baterky na kolo pro pět LED paralelně. Na ní je zakáplý čip a vede k tomu jeden mikrospínač, žádné zbytečné součástky. Ve vypnutém stavu nežere prakticky nic. Spínaný je mínus. Ovšem má dva režimy - blikání asi 3x za vteřinu a svícení, které není nic než rychlé blikání. Tohle čeká na takové využití. Režim "svícení" by šel s použitím externího spínacího prvku vyfiltrovat na skutečné trvalé sepnutí.

          [ Reagovat ] [ Zpět ]
          Datum: 25.06.2014
          Autor: Radek
          Hodnocení: 0 Hlasovat mohou jen přihlášení uživatelé Hlasovat mohou jen přihlášení uživatelé 0
  • Jištění nízkého napětí?

         

    Narazili jsme s kolegou na takový problém: autobaterka, k ní nějaký spotřebič (typu elektromotor). A teď je otázka, jak ten spotřebič jistit - jestli trubičková pojistka, nožová pojistka, nebo třeba jistič. A já jsem zjistil, že nevím jak se chovají jističe - závisí funkčnost jističe jen na protékajícím proudu, anebo taky na napětí? Můžu normálním stavebním 10A jističem jistit i elektromotor s nominálními hodnotami 12V/5A?

    [ Reagovat ] [ Zpět ]
    Datum: 11.07.2014
    Autor: Akito
    Hodnocení: 0 Hlasovat mohou jen přihlášení uživatelé Hlasovat mohou jen přihlášení uživatelé 0
    • Re: Jištění nízkého napětí?

           

      Schopnost jistit obvod je daná vypínacím proudem. Napětí uvvedené na jistič, pojistce atd. je schopnost bezpečného vypnutí bez vytažení oblouku. Tzn. není možné použít "domácí" jistič na jištění VN, byť proudově by vyhovoval.

      [ Reagovat ] [ Zpět ]
      Datum: 11.07.2014
      Autor: JaP
      Hodnocení: 0 Hlasovat mohou jen přihlášení uživatelé Hlasovat mohou jen přihlášení uživatelé 0
    • Re: Jištění nízkého napětí?

           

      Ještě doplním. Je i rozdíl mezi AC a DC. Ale v tomto případě (12V DC) to bude jedno.

      [ Reagovat ] [ Zpět ]
      Datum: 11.07.2014
      Autor: JaP
      Hodnocení: 0 Hlasovat mohou jen přihlášení uživatelé Hlasovat mohou jen přihlášení uživatelé 0
    • Re: Jištění nízkého napětí?

           

      Bál bych se, že střídavý jistič bude mít při jištění stejnosměrného obvodu jiné parametry. Možná nižší vypínací proud, protože magnetická kotvička bude mít furt stejnou polaritu. A možná se tam časem něco zmagnetizuje.

      [ Reagovat ] [ Zpět ]
      Datum: 25.07.2014
      Autor: JendaH
      Hodnocení: 0 Hlasovat mohou jen přihlášení uživatelé Hlasovat mohou jen přihlášení uživatelé 0
  • USB nabíječky

         

    Jaké elektrické parametry má mít USB nabíječka (z 230V nebo z 12V konektoru v autě)? Já jsem měl představu, že to akorát musí udržet na příslušných dvou ze čtyř USB vodičů +5 V dostatečně tvrdých na to, aby z toho šlo odebírat proud 1 A nebo i 2 A.

    Proč se ptám: potřeboval jsem zredukovat propletenec kabelů a nabíječek doma, tak jsem si koupil USB nabíječku, která má dva porty 1A a dva porty 2A:

    http://www.ebay.com/itm/121170000235

    Z těch 2A se v podstatě všechna zařízení nabíjí v pohodě, akorát dva mobily (Samsung Galaxy S1 a S3-mini) mají při nabíjení nepoužitelnou dotykovou obrazovku - pokus o dotyk snímá úplné nesmysly (zpoždění, jiná místa dotyku, atd). Přitom při použití firemních nabíječek Samsung to funguje bez problémů. Kde může být problém?

    A pak jsem si ještě koupil do auta do slotu pro zapalovač nabíječku se dvěma USB porty:

    http://www.ebay.com/itm/181128415771

    Při včerejší cestě autem jsme zjistili, že se dětem z toho nenabíjí MP4 přehrávač (asi 2 roky starý SanDisk Fuze+). Nebo teda se při přehrávání nestíhá dobíjet. Když jsem ten přehrávač zapojil do prastaré nabíječky Nokia, do které mám ještě zapojenou taktéž prastarý převodník na micro-USB, tak se to nabíjelo v pořádku.

    Co tomu může chybět? Případně jakou jinou víceportovou nabíječku do 230V zásuvky a do 12V autozásuvky?

    [ Reagovat ] [ Zpět ]
    Datum: 24.07.2014
    Autor: Akito
    Hodnocení: 0 Hlasovat mohou jen přihlášení uživatelé Hlasovat mohou jen přihlášení uživatelé 0
    • Re: USB nabíječky

           

      Důvod, proč nefungují dotykové obrazovky při použití krámu z ebay je je celkem jasný. Krám má neskutečně rozvlněné výstupní napětí a na to jsou kapacitní obrazovky značně citlivé.

      Proč se ti nenabíjí MP4 přehrávače, netuším. Ale typoval bych to na nízké napětí.

      Moje řešení na nabíjení USB zařízení z 12 V je celkem jednoduché. Najdi si na Farnellu step-down měnič s výstupem 5 V, co zvládne požadované proudy a dej k němu dostatečně velkou cívku a dostatečně velké vstupní i výstupní kondenzátory s malým ESR. Moje zkušenost je, že Číňan na kondenzátorech a cívkách často velmi šetří, u LED diod to je celkem buřt že to pulsuje, ale u kapacitních dotykáčů ne. Multimetrem třeba rozdíl nepoznáš, ale osciloskopem už ano. A nebo ten step-down čip vykuchej z těch krámů, cos pořídil.

      [ Reagovat ] [ Zpět ]
      Datum: 24.07.2014
      Autor: snilard
      Hodnocení: 0 Hlasovat mohou jen přihlášení uživatelé Hlasovat mohou jen přihlášení uživatelé 0
      • Re: USB nabíječky

             

        Dík, zkusím to proměřit, případně si někde půjčit osciloskop. Právě já jsem potřeboval něco, co se pokud možno celé i s konektorem vejde dovnitř toho zapalovačového konektoru - ta nabíječka od Nokie je právě strašně obludná a všude zavazí. A totéž u té 230V - potřeboval jsem něco, co pokud možno zabere jeden slot v zásuvce a nebude moc přesahovat do žádného směru.

        Ještě teda - jak byste měřili to výstupní napětí? Dát tam ještě jeden kabel a ten rozkuchat?

        [ Reagovat ] [ Zpět ]
        Datum: 24.07.2014
        Autor: Akito
        Hodnocení: 0 Hlasovat mohou jen přihlášení uživatelé Hlasovat mohou jen přihlášení uživatelé 0
        • Re: USB nabíječky

               

          A co nějaká značková nabíječka na tablet na 230V a na ní nabastlit nějakou rozdvojku?

          [ Reagovat ] [ Zpět ]
          Datum: 24.07.2014
          Autor: snilard
          Hodnocení: 0 Hlasovat mohou jen přihlášení uživatelé Hlasovat mohou jen přihlášení uživatelé 0
        • Re: USB nabíječky

               

          A nebo mě ještě napadá tahle varianta pro 230 V. Koupit nějaký dostatečně silný zdroj na víc než 5V a udělat si k němu ten step-down na 5 V sám.

          [ Reagovat ] [ Zpět ]
          Datum: 25.07.2014
          Autor: snilard
          Hodnocení: 0 Hlasovat mohou jen přihlášení uživatelé Hlasovat mohou jen přihlášení uživatelé 0
          • Re: USB nabíječky

                 

            Jo, to je druhá možnost. Akorát to asi neudělám tak malinké jako to co jsem koupil. No a nestačí třeba v GESu koupit stabilizovaný zdroj přímo na 5V/4A nebo i 5V/8A, a jen na to připájet USB konektory?

            http://www.ges.cz/cz/mw-5v-8a-GES07507618.html

            To bych vlastně mohl vyzkoušet, mám od nich zdroj 5V/3A, který používám pro řetěz RGB LEDek na vánoční stromek :-)

            Vím že některá zařízení vyžadují nějaké konkrétní pull-up nebo pull-down rezistory i na datových pinech (nějaké Apply a asi i něco dalšího). Mezi hledáním informací o těch nabíječkách jsem četl o tom, že některé řídící obvody nabíječek dokonce periodicky zkouší připojovat na ty datové piny různé kombinace těch rezistorů, a až detekují významnější odběr napájení, tak tam nechají tu kombinaci, která zabrala. Takto můžou "emulovat" nabíječku od Applu i od dalších "proprietárních" výrobců. Na zblití tohleto, co za hacky musí ty nabíječky dělat.

            No ale zpět k věci - jak moc je velká šance, že bych potřeboval dělat i nějaká kouzla na těch datových pinech?

            [ Reagovat ] [ Zpět ]
            Datum: 25.07.2014
            Autor: Akito
            Hodnocení: 0 Hlasovat mohou jen přihlášení uživatelé Hlasovat mohou jen přihlášení uživatelé 0
            • Re: USB nabíječky

                   

              Tak to záleží, jaké zařízení tím chceš nabíjet. Tuším, že Apple, Samsung, HP a asi i jiné bez toho nenabiješ. Tím HP si nejsem úplně jistý. Tím Apple naprosto, to mám ozkoušené na vlastním HW.

              Ten stabilizovaný zdroj z GESu může mít podobný problém, jako ty z ebay. Připojit na výstup velký low ESR kondenzátor nemůže uškodit :)

              [ Reagovat ] [ Zpět ]
              Datum: 25.07.2014
              Autor: snilard
              Hodnocení: 0 Hlasovat mohou jen přihlášení uživatelé Hlasovat mohou jen přihlášení uživatelé 0
              • Re: USB nabíječky

                     

                Jak se pozná správná hodnota ESR? Farnell podle toho umí vyhledávat, GES nikoliv, a kdoví jestli to mají v datasheetech.

                Ono to s tou stabilizací je těžké, když se vlastně má stabilizovat něco, co z principu má pulzní odběr.

                [ Reagovat ] [ Zpět ]
                Datum: 25.07.2014
                Autor: Akito
                Hodnocení: 0 Hlasovat mohou jen přihlášení uživatelé Hlasovat mohou jen přihlášení uživatelé 0
                • Re: USB nabíječky

                       

                  GES má jednu kategorii značkových kondíků. A mezi nimi se dají najít kusy s celkem malým ESR.

                  Koukni na tuhle stránku: http://www.righto.com/2012/10/a-dozen-usb...
                  Je tam pěkně že se to dá udělat dobře i špatně.

                  [ Reagovat ] [ Zpět ]
                  Datum: 26.07.2014
                  Autor: snilard
                  Hodnocení: 0 Hlasovat mohou jen přihlášení uživatelé Hlasovat mohou jen přihlášení uživatelé 0
                  • Re: USB nabíječky

                         

                    Jo, tu stránku jsem už četl, ale díky za tip.

                    Ale teda zpět - jaké hodnoty ESR jsou pro tuto aplikaci přípustné?

                    [ Reagovat ] [ Zpět ]
                    Datum: 26.07.2014
                    Autor: Akito
                    Hodnocení: 0 Hlasovat mohou jen přihlášení uživatelé Hlasovat mohou jen přihlášení uživatelé 0
                    • Re: USB nabíječky

                           

                      Nevím. Já to dělám tak, že použiju kondenzátor z GES s nejmenší možnou ESR, při zachování rozumných rozměrů a k tomu doplním nějakou kapacitu v keramice, třeba 20 uF, kterou mám koupenou z farnellu.
                      Ty vlastně nepotřebuješ až tak nízké ESR, ale potřebuješ, aby dokázal kondenzátor dávat požadovaný proud. Což souvisí s ESR a velikostí kondenzátoru.

                      EDIT: Také si myslím, že pokud má nabíječka doopravdy hodně ošklivý výstup, ani celkem velký kondenzátor nemusí pomoct. Ale to je jen domněnka, nemám osciloskop ani špatnou nabíječku, abych něco takového dokázal změřit.

                      [ Reagovat ] [ Zpět ]
                      Datum: 26.07.2014
                      Autor: snilard
                      Hodnocení: 0 Hlasovat mohou jen přihlášení uživatelé Hlasovat mohou jen přihlášení uživatelé 0
            • Re: USB nabíječky

                   

              Setkal jsem se s tím, že nemusí jít o zvlnění výstupu, ale o vyzařované rušení, které se dostává do přístroje.
              USB nabíječka určená původně pro přehrávač Grundig (čili čínský no-name) mi po připojení rezistoru mezi datové piny nabíjela i Sony. Ale jenom tehdy, když byl přehrávač ještě k něčemu připojený - nebo stačilo jej držet v ruce. Jinak se nabíjení vyplo.
              V nabíječce byl malý SMPS s trafem, ale chyběl speciální odrušovací kondenzátor. Ten patří mezi zem výstupu a zem napájení za usměrňovačem. Pak je sice na výstupu střídavý potenciál ze sítě, ale lepší než nedefinované VF rušení. Hodnota bývá 1 nF, takže unikající proud je bezpečný. Je to standard a jak vidět, někde se i na tom šetří.
              Po odrušení to nabíjí spolehlivě.

              [ Reagovat ] [ Zpět ]
              Datum: 26.07.2014
              Autor: Radek
              Hodnocení: 0 Hlasovat mohou jen přihlášení uživatelé Hlasovat mohou jen přihlášení uživatelé 0
              • Re: USB nabíječky

                     

                To jsou ty Y kondenzátory?

                A toto se může udělat, i když je to napájené z dvoupólové zásuvky (europlug) bez odděleného zemnícího pinu? Jakože když to pak připojíš k jinému zařízení, které je zrovna zapojené do zásuvky opačně, tak přes GND bude při připojení rozdíl 230 V.

                [ Reagovat ] [ Zpět ]
                Datum: 26.07.2014
                Autor: Akito
                Hodnocení: 0 Hlasovat mohou jen přihlášení uživatelé Hlasovat mohou jen přihlášení uživatelé 0
                • Re: USB nabíječky

                       

                  Právě u těch přístrojů se to dělá. Když je kondenzátor připojený ZA usměrňovačem, chová se to v obou způsobech zapojení do zásuvky stejně a multimetr ukáže cca 100 V AC proti uzemnění.
                  Jsou ovšem i takovéhle případy - jeden starý model domácího kina nejmenované značky měl uvnitř těchto kondenzátorů požehnaně. Měl dvoupólovou zástrčku a vypínač pouze jednopólový, což může být. Když vypínač odpojil nulák, tak fáze šla přes všechny ty kondenzátory na kostru. To už bylo při dotyku cítit a při připojování jiných zařízení, např. antény, to i kopalo.
                  Když někdo reklamoval, že to probíjí, tak se pár těch kondenzátorů odebralo, bylo jich tam snad čtyřikrát víc, než je obvyklé. Ale stejně to zdaleka nepřesahovalo povolených 0,5 mA unikajícího proudu. A takový proud už pěkně brní.

                  [ Reagovat ] [ Zpět ]
                  Datum: 26.07.2014
                  Autor: Radek
                  Hodnocení: +2 Hlasovat mohou jen přihlášení uživatelé Hlasovat mohou jen přihlášení uživatelé 0
            • Re: USB nabíječky

                   

              schéma :

              [ Reagovat ] [ Zpět ]
              Datum: 26.07.2014
              Autor: dave.007
              Hodnocení: +1 Hlasovat mohou jen přihlášení uživatelé Hlasovat mohou jen přihlášení uživatelé 0
              • Re: USB nabíječky

                     

                A tohle schéma je pro jaký přístroj a jaký proud?

                [ Reagovat ] [ Zpět ]
                Datum: 26.07.2014
                Autor: snilard
                Hodnocení: 0 Hlasovat mohou jen přihlášení uživatelé Hlasovat mohou jen přihlášení uživatelé 0
                • Re: USB nabíječky

                       

                  Tímhle zapojením zaručím, že moje usb nabíječka
                  bude nabíjet i I-phone a některé nokie.
                  Bez těch odporů některé mašinky sice poznají připojení 5V ale píšou nenabíjím.
                  Jinak androidí telefony jsou v pohodě.
                  Je to vlastně ochrana proti přetížení USB linky.
                  Takový klíč. :)
                  Řešil jsem to onehdá při výrobě powerbanku...

                  [ Reagovat ] [ Zpět ]
                  Datum: 26.07.2014
                  Autor: dave.007
                  Hodnocení: 0 Hlasovat mohou jen přihlášení uživatelé Hlasovat mohou jen přihlášení uživatelé 0
                  • Re: USB nabíječky

                         

                    Jaký proud? Apple má různá napětí pro 0,5 A, 1 A a 2 A…

                    [ Reagovat ] [ Zpět ]
                    Datum: 26.07.2014
                    Autor: snilard
                    Hodnocení: 0 Hlasovat mohou jen přihlášení uživatelé Hlasovat mohou jen přihlášení uživatelé 0
                    • Re: USB nabíječky

                           

                      Nemam tušení proud jsem neměřil.
                      Moje androidy nabiju čímkoliv co má 5V, kolik si bere I-phone nevím (snad 2A ?)

                      [ Reagovat ] [ Zpět ]
                      Datum: 26.07.2014
                      Autor: dave.007
                      Hodnocení: 0 Hlasovat mohou jen přihlášení uživatelé Hlasovat mohou jen přihlášení uživatelé 0
                      • Re: USB nabíječky

                             

                        iPhone si dokáže vzít buď 0,5A nebo 1A, podle toho jaká přesně dáš napětí na datové piny. Jestli je ochotný nabíjet se proudem 2A, to přesně nevím. Nemá zrovna velkou baterku, 2A by znamenaly více jak 1C nabíjecí proud, což je trochu dost.
                        Ty 2A jsou tam kvůli iPadům. Ty se dodávají s 2A nabíječkou.
                        Jak jsem teď zjistil, ony to nejsou 2A, ale 2,4A, ta nabíječka je 12W…

                        [ Reagovat ] [ Zpět ]
                        Datum: 26.07.2014
                        Autor: snilard
                        Hodnocení: 0 Hlasovat mohou jen přihlášení uživatelé Hlasovat mohou jen přihlášení uživatelé 0
                        • Re: USB nabíječky

                               

                          2.1 A je to. Aspoň co jsem se díval, tak kombinované nabíječky třeba do auta mají dva sloty - jeden 1A označený "iphone" a druhý 2.1A označený "ipad".

                          [ Reagovat ] [ Zpět ]
                          Datum: 26.07.2014
                          Autor: Akito
                          Hodnocení: 0 Hlasovat mohou jen přihlášení uživatelé Hlasovat mohou jen přihlášení uživatelé 0
                        • Re: USB nabíječky

                               

                          Tak jsem se trochu pídil, a dopídil jsem uni přepínací I-nabíječku..

                          [ Reagovat ] [ Zpět ]
                          Datum: 26.07.2014
                          Autor: dave.007
                          Hodnocení: +1 Hlasovat mohou jen přihlášení uživatelé Hlasovat mohou jen přihlášení uživatelé 0
      • Re: USB nabíječky

             

        Ještě jsem koupil jednu nabíječku na 12V, má to dva USB porty - na jednom píšou "1 A - iPhone, iPod" a na druhém píšou "2.1 A - iPad" nebo něco takového na "i". To funguje se všemi mými zařízeními, ale pozor - jen dokud je auto nastartované. Dobíjet některé věci přes noc v zaparkovaném autě prostě nejde. Jediné co fakt funguje na všechna rodinná zařízení i při vypnutém motoru, je ta stará Nokia + redukce na micorUSB. Ale to je strašně obludné.

        Dovedu si představit, že v nastartovaném autě bude napětí kvůli běžícímu alternátoru o něco vyšší než 12 V. Jak byste vyráběli stabilizovaných 5V z ne úplně stabilních přibližně 12 V vy? Step-down a nějaká zpětná vazba? A je vůbec reálné dělat (a regulovat) step-down pro účely nabíjení různých inteligentních zařízení, která budou téměř jistě mít těžce pulzní odběr?

        [ Reagovat ] [ Zpět ]
        Datum: 03.09.2014
        Autor: Akito
        Hodnocení: 0 Hlasovat mohou jen přihlášení uživatelé Hlasovat mohou jen přihlášení uživatelé 0
        • Re: USB nabíječky

               

          Já na stabilizaci na 5V pro USB nabíječku používám koupený step-down čip s integrovaným spínačem. Ale ten čip co používám utáhne jen 0,5A. Věřím, že bude existovat i hotové řešení na větší proudy, pohledej na Farnellu.

          [ Reagovat ] [ Zpět ]
          Datum: 04.09.2014
          Autor: snilard
          Hodnocení: 0 Hlasovat mohou jen přihlášení uživatelé Hlasovat mohou jen přihlášení uživatelé 0
          • Re: USB nabíječky

                 

            myslíš, že má význam takovéhle (nebo podobné) "hotové" řešení ?

            http://www.dx.com/p/dc-7-24v-to-dc-5v-voltage...

            [ Reagovat ] [ Zpět ]
            Datum: 04.09.2014
            Autor: macikm
            Hodnocení: 0 Hlasovat mohou jen přihlášení uživatelé Hlasovat mohou jen přihlášení uživatelé 0
            • Re: USB nabíječky

                   

              Tohle je naprosto dostačující..

              [ Reagovat ] [ Zpět ]
              Datum: 04.09.2014
              Autor: dave.007
              Hodnocení: 0 Hlasovat mohou jen přihlášení uživatelé Hlasovat mohou jen přihlášení uživatelé 0
              • Re: USB nabíječky

                     

                Ještě bych doporučil osadit chybějící rezistory (viz foto spodní strany)pro rychlejší nabíjení..

                [ Reagovat ] [ Zpět ]
                Datum: 04.09.2014
                Autor: dave.007
                Hodnocení: 0 Hlasovat mohou jen přihlášení uživatelé Hlasovat mohou jen přihlášení uživatelé 0
                • Re: USB nabíječky

                       

                  Jj, na to jsem uz koukal.
                  Připraveno je, jenom pro ušetření neosazeno...

                  [ Reagovat ] [ Zpět ]
                  Datum: 05.09.2014
                  Autor: macikm
                  Hodnocení: 0 Hlasovat mohou jen přihlášení uživatelé Hlasovat mohou jen přihlášení uživatelé 0
            • Re: USB nabíječky

                   

              To záleží. U DX nikdy nevíš, jak rozvlněné napětí z toho poleze. Pak záleží, co tím chceš napájet. Některým dotykovým obrazovkám rozvlněné napětí nedělá dobře.
              Za těch 5 dolarů to asi za vyzkoušení stojí, já dlaněco podobného jen za ten spínací šváb.
              Jestli na to budeš potřebovat připájet nějaké ty rezistorky, klidně se ozvi.

              [ Reagovat ] [ Zpět ]
              Datum: 05.09.2014
              Autor: snilard
              Hodnocení: 0 Hlasovat mohou jen přihlášení uživatelé Hlasovat mohou jen přihlášení uživatelé 0
    • Re: USB nabíječky

           

      Jen pro ujasnění, když se takovéhle zařízení připojí do běžného USB portu, kde se počítá s normou dodržujícím zařízením na 100/500 mA, to se vůbec nezačne nabíjet nebo tě jen trápí, že to trvá dlouho?

      Přemýšlím, jaký pak má smysl, že si ten kabel hraje na USB.

      Teda poměrně nedávno mě trochu překvapilo, že k nabíjení Siemens x65 telefonů nestačí 5V přestože se normálně přes USB kabel dobíjí, ale tam je finta v datovým kabelu (step-up) a vzhledem k tvaru konektoru na telefonu ani použití kabelu bez téhle funkce nehrozí.

      [ Reagovat ] [ Zpět ]
      Datum: 25.07.2014
      Autor: Jrr
      Hodnocení: 0 Hlasovat mohou jen přihlášení uživatelé Hlasovat mohou jen přihlášení uživatelé 0
      • Re: USB nabíječky

             

        Mnohé počítače dneska mají i silnější USB, třeba ten 1A. Nějaké rozšíření USB to, tuším, podporuje.
        Četl jsem, že třeba se starým iPadem byl problém, že se z 0,5A portu dal nabít za dlouhou noc. Ale jakmile se na něm pracovalo, tak se nenabíjel, ale pouze se udržoval cca konstantní stav baterky.

        [ Reagovat ] [ Zpět ]
        Datum: 25.07.2014
        Autor: snilard
        Hodnocení: 0 Hlasovat mohou jen přihlášení uživatelé Hlasovat mohou jen přihlášení uživatelé 0
        • Re: USB nabíječky

               

          900mA má ve specifikaci samotné USB 3.0. Pak jsou ještě nějaké vychytávky na způsob "nabíjecí port USB", který dokáže být pod proudem i když samotný počítač (povětšinou jsou to notebooky) je vypnutý. Tady je ale asi taky maximum 1A...

          [ Reagovat ] [ Zpět ]
          Datum: 25.07.2014
          Autor: Jarda
          Hodnocení: 0 Hlasovat mohou jen přihlášení uživatelé Hlasovat mohou jen přihlášení uživatelé 0
          • Re: USB nabíječky

                 

            P.S.
            Já sám mám u velkého počítače UPS, která má vepředu dvě 1A USB napájecí/nabíjecí díry ;-)
            Tuhle 10kg potvoru ale asi s sebou nikam nikdy tahat nebudu :-)))

            [ Reagovat ] [ Zpět ]
            Datum: 25.07.2014
            Autor: Jarda
            Hodnocení: 0 Hlasovat mohou jen přihlášení uživatelé Hlasovat mohou jen přihlášení uživatelé 0
            • Re: USB nabíječky

                   

              Co to je za UPS? Uvažuju o tom, že bych pořídil UPS domů a připojil na to i nějakou zabezpečovačku, případně čidla na dveře a okna.

              [ Reagovat ] [ Zpět ]
              Datum: 03.09.2014
              Autor: Akito
              Hodnocení: 0 Hlasovat mohou jen přihlášení uživatelé Hlasovat mohou jen přihlášení uživatelé 0
        • Re: USB nabíječky

               

          No presnejsi by mozna bylo, ze celkem beznym resenim je ignorovat normu a pripojit na port 5V uplne primo, pres nejaky malinky odpor nebo v nejlepsim pripade polyfuse. Obvod spravne hlidajici protekajici proud precijen neni zadarmo... a pak se jeste najde nekdo, kdo ma pocit, ze je to chyba, kdyz mu tam nefunguje USB ohrivac a podobne... ;-)

          [ Reagovat ] [ Zpět ]
          Datum: 26.07.2014
          Autor: Jrr
          Hodnocení: 0 Hlasovat mohou jen přihlášení uživatelé Hlasovat mohou jen přihlášení uživatelé 0
          • Re: USB nabíječky

                 

            Nerozumím.

            Maximální odebíraný proud si musí USB zařízení domluvit s USB kontrolerem v počítači. Občas se mi stane, že otočím ATTiny, když ho připojuju do počítač. Což prohodí GND a Vin a udělá to zkrat, aby to nezničilo MCU. Počítač mi pak zahlásí, že moje zařízení odebírá moc velký proud a tenhle port normálně odpojí. Jak to je udělané přesně nevím a nikdy jsem to nezkoušel. Ale funguje to i když to připojuju přímo do počítač i když to připojím přes USB hub v monitoru.

            [ Reagovat ] [ Zpět ]
            Datum: 26.07.2014
            Autor: snilard
            Hodnocení: 0 Hlasovat mohou jen přihlášení uživatelé Hlasovat mohou jen přihlášení uživatelé 0
      • Re: USB nabíječky

             

        Ten Galaxy S3 mini se v některých portech té 230V čínské nabíječky nechtěl nabíjet vůbec. Celkově bych chtěl, aby se to nabíjelo, a to pokud možno co nejrychleji :-)

        [ Reagovat ] [ Zpět ]
        Datum: 25.07.2014
        Autor: Akito
        Hodnocení: 0 Hlasovat mohou jen přihlášení uživatelé Hlasovat mohou jen přihlášení uživatelé 0
  • Re: Vlastní osvětlení a další elektronika - 8

         

    Trochu se tu rozhořela diskuse dynamech osvětlení a tak. Tak jsem trošku o dynamech obecně začal přemýšlet a dostal jsem se k této otázce: Jak efektivně z dynama dostat vyšší proudy do světla než 500 mA?

    Napadlo mě několik možností:
    Použít dynamo k nabíjení li-pol baterek, tak jak to psal Radek a z nich pak hnát klasické světlo založené na DC-DC měniči. Tady vidím jako nevýhodu potřebu těch baterek a vnesení neefektivity jejich nabíjením a vybíjením.
    Jako druhá možnost se naskýtá použití step-down měniče rovnou. A to tak, že dokud se dynamo nedostane na těch 500 mA, budou připojené diody přímo, tedy 100% střída měniče. Jakmile se dynamo dostane na nominální proud, tak spustit step-down a nějakým chytrým způsobem regulovat střídu, tak aby do LED tekl co největší proud. O takovéhle konstrukci jsem našel na webu nějaké pokusy, jen tam bylo navíc ještě potřeba stabilních 5V pro MCU a mosfet driver. Což by se snad také mohlo dát nějak udělat přímo z dynama tak, že by 5V elektronika naběhla až od určité rychlosti a jinak by se muselo nějak zajistit, aby byly LED připojené přímo. A nebo tam mít nějakou malou baterku pro napájení té 5V elektroniky.
    Tahle varianta mi přijde jako technologicky mnohem zajímavější, ale nevím, jestli lepší.

    [ Reagovat ] [ Zpět ]
    Datum: 09.10.2014
    Autor: snilard
    Hodnocení: 0 Hlasovat mohou jen přihlášení uživatelé Hlasovat mohou jen přihlášení uživatelé 0
    • Re: Vlastní osvětlení a další elektronika - 8

           

      Teoreticky prostě jen trafo, ale prakticky to asi narazí tím, že by muselo být moc velké.

      [ Reagovat ] [ Zpět ]
      Datum: 09.10.2014
      Autor: Marble
      Hodnocení: 0 Hlasovat mohou jen přihlášení uživatelé Hlasovat mohou jen přihlášení uživatelé 0
      • Re: Vlastní osvětlení a další elektronika - 8

             

        No to by mi ale nepomohlo. Protože bych pak dostával nižší napětí a světlo by přestávalo blikat až ve větší rychlosti.

        [ Reagovat ] [ Zpět ]
        Datum: 09.10.2014
        Autor: snilard
        Hodnocení: 0 Hlasovat mohou jen přihlášení uživatelé Hlasovat mohou jen přihlášení uživatelé 0
        • Re: Vlastní osvětlení a další elektronika - 8

               

          Blikání záleží spíš na frekvenci a kapacitě, ne? Jinak půjde o to, do jakých otáček je u dynama moc nízké napětí naprázdno (oproti napětí LEDky * transformační poměr). Pokud to bude moc, musel bys ještě nějak přepínat vinutí. Ale v principu máš situaci podobnou tomu, kdybys chtěl připojit víc nízkoproudových LEDek do série (k čemuž se dá najít spousta nápadů po netu, mám pocit).

          Každopádně si ale nejprv přeber, jak velké by to trafo muselo být pro frekvence dynama a výkony co chceš -- možná to bude jednoduchý důvod, proč tudy ne ...

          [ Reagovat ] [ Zpět ]
          Datum: 10.10.2014
          Autor: Marble
          Hodnocení: 0 Hlasovat mohou jen přihlášení uživatelé Hlasovat mohou jen přihlášení uživatelé 0
    • Re: Vlastní osvětlení a další elektronika - 8

           

      Čím víc to studuju, tím víc mě to pitomé německé nařízení 6V 0,5 A pro dynamo na kolo štve. Život by byl o tolik jednodušší, kdyby to bylo něco jako 3V 1A. Technicky by takové dynamo mělo jít také postavit, ne?

      [ Reagovat ] [ Zpět ]
      Datum: 10.10.2014
      Autor: snilard
      Hodnocení: 0 Hlasovat mohou jen přihlášení uživatelé Hlasovat mohou jen přihlášení uživatelé 0
      • Re: Vlastní osvětlení a další elektronika - 8

             

        Asi mám úplně pitomej nápad, ale když může být dynamo jako tenhle Nexus, tak ty vnitřnosti by se vešly do náboje dvakrát, zapojit to paralelně? Dají se dvě dynama propojit? Aby zas jedno neroztáčelo to druhé :) http://ebike.hu/products/wheel/hub-front/dynamo...

        [ Reagovat ] [ Zpět ]
        Datum: 10.10.2014
        Autor: drood
        Hodnocení: 0 Hlasovat mohou jen přihlášení uživatelé Hlasovat mohou jen přihlášení uživatelé 0
        • Re: Vlastní osvětlení a další elektronika - 8

               

          Dvě v jednom, to by mohli udělat rovnou jedno větší.
          Spolu na jedné ose by šlo, pokud by byly sfázované.
          Dvě paralelně se dají zapojit po usměrnění. Pak by měl být dvojnásobný proud, i když nebudou ve fázi.

          [ Reagovat ] [ Zpět ]
          Datum: 10.10.2014
          Autor: Radek
          Hodnocení: 0 Hlasovat mohou jen přihlášení uživatelé Hlasovat mohou jen přihlášení uživatelé 0
      • Re: Vlastní osvětlení a další elektronika - 8

             

        Tady jsem napsal, k čemu ta nařízení sloužila za války. Dnes potřebují prachy taky, že? http://forum.fotonmag.cz/index.php?s=&...

        [ Reagovat ] [ Zpět ]
        Datum: 11.10.2014
        Autor: drood
        Hodnocení: 0 Hlasovat mohou jen přihlášení uživatelé Hlasovat mohou jen přihlášení uživatelé 0
        • Re: Vlastní osvětlení a další elektronika - 8

               

          Zajímavé. Ať si Němci klidně dodržují ty svoje přihlouplé vousaté normy. Ale proč se ve zbytku světa neprodávají zařízení, která se hodí lépe pro daný účel než ta splňující Německou normu?

          [ Reagovat ] [ Zpět ]
          Datum: 11.10.2014
          Autor: snilard
          Hodnocení: 0 Hlasovat mohou jen přihlášení uživatelé Hlasovat mohou jen přihlášení uživatelé 0
    • Re: Vlastní osvětlení a další elektronika - 8

           

      Tenhle odkaz už jsi asi viděl: http://www.pilom.com/BicycleElectronics...
      Nemyslím, že by zrovna tobě vyhovovalo něco z toho přesně, ale možná bys tam mohl narazit na zajímavý nápad jak měnit napětí za proud u dynama.

      [ Reagovat ] [ Zpět ]
      Datum: 10.10.2014
      Autor: Jirka
      Hodnocení: 0 Hlasovat mohou jen přihlášení uživatelé Hlasovat mohou jen přihlášení uživatelé 0
      • Re: Vlastní osvětlení a další elektronika - 8

             

        Viděl, ale jen zběžně.Přišlo mi, že tam všude mají hromadu LED, což je jistě dobrý způsob, jak z dynama dostat větší výkon. Já bych rád jen jednu, dvě LED, ale s větším proudem.

        [ Reagovat ] [ Zpět ]
        Datum: 10.10.2014
        Autor: snilard
        Hodnocení: 0 Hlasovat mohou jen přihlášení uživatelé Hlasovat mohou jen přihlášení uživatelé 0
    • Re: Vlastní osvětlení a další elektronika - 8

           

      Takové pokusy jsem už dost dávno dělal, http://www.nakole.cz/diskuse/1472-neco-pro...
      Odkaz na obrázek už tam nefunguje. Od té doby už taky vím, že míň je někdy víc.
      Větší proud jsem dostal, ale stabilní to bylo až od určité rychlosti, jinak to fungovalo přerušovaně.
      Mám ještě podobný měnič v provozu na městském kole, dává stabilizovaných 7,2 V a nabíjí akumulátor. Je to trochu překopaný normální AC/DC adaptér - na vstupu je zdvojovač. Dá možná tak 4 W.
      Měnič může mít i dobrou účinnost, ale účinnost samotného dynama je nižší, když má dávat proud při vyšším napětí, těch 12 V ještě jde.
      Bez akumulátoru mi vyhovuje, jak to mám jednoduše na Oceláči - 3 výkonové LED v sérii. To svítí stabilně asi od 8 km/h, když je cesta rovná. V hrbolatém kopci v lese světlo chybí, ale k tomu to kolo není. V nouzi se dá posvítit si v režimu stand-light z akumulátorku pro zadní světlo, ten tam musí být.
      Dá se přepnout i na 5 LED v sérii - potkávací i dálkové dohromady. To je pak cítit, že to začne brzdit, ale svítí to víc než tři LED už od 20 km/h. Používám v serpentinách z kopce, kde se musí i tak brzdit.
      Má to pak ještě jeden dobrý efekt - při rozsvícení brzdového světla je pokles intenzity předního menší, protože si zadní světlo bere potřebnou část výkonu z celkově většího než v případě 3 LED.

      [ Reagovat ] [ Zpět ]
      Datum: 10.10.2014
      Autor: Radek
      Hodnocení: 0 Hlasovat mohou jen přihlášení uživatelé Hlasovat mohou jen přihlášení uživatelé 0
  • Re: Vlastní osvětlení a další elektronika - 8

         

    Off topic.. Ale tiez elektronika.
    Nieje tu náahodou niekto kto pracuje s plotrami konkretne HP designjet 1050C plus. ?? Hodil by sa servis man ...

    [ Reagovat ] [ Zpět ]
    Datum: 01.11.2014
    Autor: colombo.ii
    Hodnocení: 0 Hlasovat mohou jen přihlášení uživatelé Hlasovat mohou jen přihlášení uživatelé 0
    • Re: Vlastní osvětlení a další elektronika - 8

           

      Je nějaký velký rozdíl mezi "plus" verzí a tou bez "plus"?

      Protože hned úplně první výsledek hledání Googlem mi vyhodilo tohle http://www.google.cz/url?sa=t&rct=j&q=... ;-)

      [ Reagovat ] [ Zpět ]
      Datum: 01.11.2014
      Autor: Jarda
      Hodnocení: 0 Hlasovat mohou jen přihlášení uživatelé Hlasovat mohou jen přihlášení uživatelé 0
      • Re: Vlastní osvětlení a další elektronika - 8

             

        Toto som uz vsetko preluskal aj uzivatelsky aj servisny manual. Medzi verziou plus a klasikou je rozdiel vo velkosti pamete , zakladna doska a firmware mysliim. inak je to to iste. A stryco google sice nasiel ale nempoohlo = dopracoval som sa k tomu co uz viem.
        Len mi to zacalo hadzat chybovy kod a su uz len 2 moznosti bud je zla tlacova hlava alebo vozik na tlacove hlavy. Jedno stoji 150-180€ to druhe od 160 - 450€ podla toho ci kupujes cez ebay alebo u HP dodavatelov. A Nerad by som kupoval zbytocne cokolvek co netreba su to palky jak svina .A stryco google sice nasiel ale nempoohlo = dopracoval som sa k tomu co uz viem teda s tych 2 moznostii. Cize bez niekoho kto s tym pracuje sa nezaobydem a HP uz nepodporuje tieto plotre. (aj ked nechapem preco lebo boly jedny z najlepsich svojho casu a takmer bezudrzbove)

        [ Reagovat ] [ Zpět ]
        Datum: 01.11.2014
        Autor: colombo.ii
        Hodnocení: 0 Hlasovat mohou jen přihlášení uživatelé Hlasovat mohou jen přihlášení uživatelé 0
        • Re: Vlastní osvětlení a další elektronika - 8

               

          Na otázku proč to výrobce už nepodporuje sis už odpověděl sám, těmi úplně posledníma dvěma slovy Tvého příspěvku ;-)
          Ono to tedy k smíchu vůbec není, taky mně štve, že to co bez problému funguje mnoho let, tak se k tomu výrobce už nějak nezná :-( A vyhodit to jenom proto, že k tomu nejsou plnohodnotné (pokud tedy vůbec nějaké) ovladače pro aktuální operační systémy, tak to mi přijde jako úplná debilita :-/ Obchody se ale musí hýbat, ekonomika růst, tak s tím asi jako, platící, uživatelé nemůžeme asi dělat vůbec nic...

          [ Reagovat ] [ Zpět ]
          Datum: 01.11.2014
          Autor: Jarda
          Hodnocení: 0 Hlasovat mohou jen přihlášení uživatelé Hlasovat mohou jen přihlášení uživatelé 0
        • Re: Vlastní osvětlení a další elektronika - 8

               

          Naše servisní firma, co u nás má na starosti tiskárny, by s tím asi poradila. Jsou to fakt machři, a občas poradí i ty "neveřejné věci", které si výrobce jinak nechává jen pro sebe, aby zákazníka donutil koupit nový díl nebo celý ten vehikl...

          Nevím ale jak by to dopadlo, když jim budu tlumočit ten Tvůj problém...

          [ Reagovat ] [ Zpět ]
          Datum: 01.11.2014
          Autor: Jarda
          Hodnocení: 0 Hlasovat mohou jen přihlášení uživatelé Hlasovat mohou jen přihlášení uživatelé 0
          • Re: Vlastní osvětlení a další elektronika - 8

                 

            tak presnejsie som ti to opiisal do spraavy nech to tu nezaprasujem zbytocne.

            [ Reagovat ] [ Zpět ]
            Datum: 01.11.2014
            Autor: colombo.ii
            Hodnocení: 0 Hlasovat mohou jen přihlášení uživatelé Hlasovat mohou jen přihlášení uživatelé 0
  • Re: Pb akumulator v UPS

         

    Rozumite nekdo olovenym bateriim?

    Dopoledne jsem si hral s nastavenim naseho pseudoserveru a chtel jsem zjistit, jak na tom je UPS.
    Zhruba 5 minut od "vypadku" se napeti v baterii drzelo okolo 12.4V, pak zacalo napeti zvola klesat, behem minuty tam bylo 12V, rychlost poklesu se zvysovala, behem 30 sekund se server zacal vypinat, posledni zmerene napeti 11.2V. Na prvni pohled proste vybita baterie, pricemz posunutim hranice napeti, kdy se ma server vypnout bych uz moc casu neziskal (viz prvni graf).

    Jenze ta doba se mi zdala prilis kratka (baterie by mela byt uplne nabita), tak jsem UPS rozdelal, jestli drzi kontakty na baterii, zapojil jsem si tam lampicku, UPS zapnul a meril napeti primo na baterii. Behem chvilky kleslo napeti na 10.5V. Rikal jsem si, ze je to jasne, proste je baterie vybita, UPS nekeca a cekal jsem pokracovani strmeho padu napeti a vypnuti UPS. Jenze napeti se na 10.3V zastavilo a ani se nehnulo!

    Tak jsem UPS smontoval, pripojil k pocitaci a rozhodl se zjistit, jak dlouho pobezi, kdyz budu hlaseni UPS ignorovat. Jak je videt z druhyho grafu, napeti behem pul minuty spadlo na 10.2V a nasledujicich vic nez 15 minut "server" spokojene bezel. UPSka se definitivne vypnula pri 9.6V.

    Jak si takove chovani vysvetlit? Pametovy efekt u Pb akumulatoru? Kdyz akumulator takhle hodne vybiju, prospeje mu to nebo ublizi?
    Mel jsem za to, ze akumulator by se nemel vybijet pod 10.8V jenze u tohohle tak muzu vycerpat sotva ctvrtinu energie.

    [ Reagovat ] [ Zpět ]
    Datum: 15.11.2014
    Autor: Jrr
    Hodnocení: 0 Hlasovat mohou jen přihlášení uživatelé Hlasovat mohou jen přihlášení uživatelé 0
    • Re: Pb akumulator v UPS

           

      Jestli napětí rychle klesne o 2 V a pak ještě drží, bude na tom jeden článek špatně a tomu už se nepomůže.
      Když se vybíjí velkým proudem, jako v UPS, tak nevadí nechat napětí víc klesnout. Důležité je to pak hned odlehčit, napětí by mělo ještě samo vylézt na 12 V a co nejdřív nabít. Ale to musí být akumulátor celkově dobrý.
      Když je některý článek slabší, tak se vždycky vybije jako první a než se to vypne, už je přepólovaný. Když se vzpamatuje, příště se vybije ještě dřív. Jednou zůstane zkratovaný, ostatní se přebijí a vybublá to, případně se nafoukne. Ale to by měla chytrá UPSka poznat dřív sama.

      [ Reagovat ] [ Zpět ]
      Datum: 15.11.2014
      Autor: Radek
      Hodnocení: 0 Hlasovat mohou jen přihlášení uživatelé Hlasovat mohou jen přihlášení uživatelé 0
      • Re: Pb akumulator v UPS

             

        Rekl bych, ze ta UPS moc chytra nebude, pravdepodobne baterku dobiji konstantnim napetim 13.5-13.6V a se stavem akumulatoru si hlavu nikterak nelame. Vybitou baterii zacne hlasit pri 10.5V a vypne se pri cca 9.6V.
        Respektive zdalo se, ze nejak v tom hlaseni zohlednuje i zatez, protoze u stareho pocitace obcas zahlasila vybitou baterii i driv, ale ten uz se stejne vetsinou vypnout nestihl, proto jsem upravoval nastaveni, aby se zacalo s vypinanim uz pri 11.5V, protoze ten zaverecny pokles byl hodne rychly.
        Taky je vtipny, ze si UPS mysli, ze mame jmenovite napeti 220V, coz by nevadilo, kdyby pri cca 245V nezacala srazet napeti na cca 205V. V tomhle rezimu zustane dokud na vstupu neni mene nez 235V, coz se u nas stava malokdy... :-)

        Kazdopadne to ale vypada, ze uplne vybiti te baterii vyrazne prospelo. Tentokrat uz doba behu i prubeh napeti celkem odpovidal memu ocekavani, tak snad jeste nejakou dobu bude ta baterka slouzit.

        [ Reagovat ] [ Zpět ]
        Datum: 16.11.2014
        Autor: Jrr
        Hodnocení: 0 Hlasovat mohou jen přihlášení uživatelé Hlasovat mohou jen přihlášení uživatelé 0
    • Re: Pb akumulator v UPS

           

      jednoznace mrtvy jeden clanek v baterii.
      (jak zde prede mnou napsal Radek)
      -nejspis vnitrni skrat vypadlym zrnkem elektrody.
      doporucuji vymenit , protoze zdrave clanky jsou nyni prebijeny.
      Pro domaci pouziti existuje "prasacky" zpusob zachrany... proste plne nabitou baterku na chvilku skratujes a skrat propali mustek vytvoreny
      tim zrnickem. U starovacich baterii mam uspesnost 4 z 5. Nejsem jsi jist jak na to bude reagovat UPS baterie - nema tak velky proud jako startovaci.

      [ Reagovat ] [ Zpět ]
      Datum: 20.11.2014
      Autor: cibi
      Hodnocení: 0 Hlasovat mohou jen přihlášení uživatelé Hlasovat mohou jen přihlášení uživatelé 0
      • Re: Pb akumulator v UPS

             

        Co přesně doporučuješ vyměnit, celý akumulátor?
        Že jako výměnu jednoho článku si moc neumím představit, jestli si to pamatuju, je to tenhle:
        http://www.gme.cz/oloveny-akumulator-shimastu...
        Originální odešel už před lety, ale vypadal úplně stejně, tak jsem objednal z GME.

        A jak přesně bys to zkratování provedl? Docela nerad bych si upálil konektory. Jaký je zhruba potřeba proud? Maximální?

        [ Reagovat ] [ Zpět ]
        Datum: 20.11.2014
        Autor: Jrr
        Hodnocení: 0 Hlasovat mohou jen přihlášení uživatelé Hlasovat mohou jen přihlášení uživatelé 0
        • Re: Pb akumulator v UPS

               

          Jednotlivy clanek dnes nevymenis.
          Asi bych radsi koupil novy aku byť ani mne veverky penize nenosi...

          U Tve gelovky by to zrejme neslo , ale pokud je na vyhozeni nalisuj na dva kusy dratu fastony a zkus to. Za zkousku nic nedas...

          takze navod na tu prasarnu:
          Skrat jsem provadel na klasickych startovacich bateriich prez silny medeny drat(ne lanko) - cca prumer 3mm
          Mel jsem namontovane dva kusy v tech svorkach
          a proste jsem u plne nabiteho akumulatoru vyskratoval ty dva draty o sebe. (ne hned u akumulatoru... vodik!) Zaprskat, nechat cca par vterin probihat proud a odtrhnout draty od sebe nebo strhnout svorku z polu. Zkusit co dela baterka pod zatizenim - jak pada napeti- pripadne opakovat. Pokud nepomuze 2x opakovany skrat, je baterka definitivne na nic.

          jeste mne napada ze by si mohl mit jeden clanek suchy resp sulfatovany. Ale u tohoto akumulatoru nevim zda by byla moznost nejak doplnit elektrolyt.

          [ Reagovat ] [ Zpět ]
          Datum: 01.12.2014
          Autor: cibi
          Hodnocení: 0 Hlasovat mohou jen přihlášení uživatelé Hlasovat mohou jen přihlášení uživatelé 0
          • Re: Pb akumulator v UPS

                 

            U velkých akubaterií jsme užívali externí baterii (150 Ah).
            Jeden pól pevně spojit s opravovaným místem (při opravě vývodů klema), druhý pól startovacím kabelem (od osobáku) spojit s uhlíkovým roubíkem (zaostřeným válečkem).
            Pak už je to ´normální´ obloukové svařování (navařování).

            [ Reagovat ] [ Zpět ]
            Datum: 01.12.2014
            Autor: AV
            Hodnocení: +1 Hlasovat mohou jen přihlášení uživatelé Hlasovat mohou jen přihlášení uživatelé 0
    • Re: Pb akumulator v UPS

           

      Tak jsem UPSce k vánocům nadělil nový akumulátor.

      Přestože výrobce uvádí, že typické PC poběží 10 minut (je to http://www.czc.cz/fortron-fsp-ep-650-650-va... aspoň tak vypadá), s novým 8 Ah akumulátorem běžel pseudoserver z baterie víc než hodinu a půl. To mě docela potěšilo.

      Jenže bych to nebyl já, abych nešťoural i do věcí, které fungují... přišlo mi divné, že zhruba po hodině začala UPS vyrábět místo 220V (které si myslí, že v zásuvce máme) najednou 235-240V. Když jsem vyslovil myšlenku, zda se uvnitř něco nepřehřívá a kolega mě potěšil informací, že by se tomu vůbec nedivil..

      Tak jsem do UPS nastrkal pár teploměrů, v rámci možnosti sešrouboval a začal měřit. Jeden teploměr jsem dal plech transformátoru, další na dva chladiče, kde na každém chladiči jsou dva tranzistory a poslední jsem strčil na opačnou stranu krabice vedle baterie, tam by mělo být nejchladněji. Akumulátor by měl být plně nabitý, v místnosti bylo cca 19C.

      Po zapnutí začala rychle růst teplota trafa, po pěti hodinách provozu ze sítě dosáhla +54C, chladiče cca +44C, na opačném konci krabice +28C. Teplota sice pořád zvolna rostla, ale už jen pomalu, tak jsem to prohlásil za stabilní stav. :-)

      V 22:02 nastal simulovaný výpadek napětí, který skončil v 23:30. Za tu dobu vyskočila teplota trafa na +68C, chladiče +62C. Po připojení vstupního napětí, ale UPS logicky začala nabíjet baterii a tak teplota uvnitř vzrostla ještě víc, na chladiči tranzistorů až k +76C, na opačném konci krabice bylo "jen" +34C a vypadá to, že následujících několik hodin než se baterie nabije, teplota klesat příliš nebude..

      Pokud je pravda, že PB akumulátor provozovaný v +30C bude mít zhruba poloviční životnost a kdybych měl UPS kompletně zakrytovanou (musel jsem vytáhnout kablíky od teploměrů) určitě bych na nejstudenějším konci krabice naměřil vyšší teplotu, připadá mi, že je ta UPS navržená docela nešťastně. Jakou teplotu bude mít akumulátor na straně vedle trafa si netroufám hádat.. :(

      [ Reagovat ] [ Zpět ]
      Datum: 30.12.2014
      Autor: Jrr
      Hodnocení: +1 Hlasovat mohou jen přihlášení uživatelé Hlasovat mohou jen přihlášení uživatelé 0
      • Re: Pb akumulator v UPS

             

        Správná UPS nemá akumulátory, správná UPS má setrvačník :-)

        https://is.muni.cz/blog/cvt_fi/47603979

        [ Reagovat ] [ Zpět ]
        Datum: 30.12.2014
        Autor: Akito
        Hodnocení: 0 Hlasovat mohou jen přihlášení uživatelé Hlasovat mohou jen přihlášení uživatelé 0
        • Re: Pb akumulator v UPS

               

          Tak to je teda něco. I když ten generátor pořád běží jako motor, asi jsou ztráty při téhle výkonové kapacitě opravdu menší, než dělat to čistě elektronicky.
          U mechanických zařízení platí, že čím větší, tím účinnější.
          U polovodičů je to spíš naopak.

          [ Reagovat ] [ Zpět ]
          Datum: 02.01.2015
          Autor: Radek
          Hodnocení: 0 Hlasovat mohou jen přihlášení uživatelé Hlasovat mohou jen přihlášení uživatelé 0
          • Re: Pb akumulator v UPS

                 

            Ale tak zas nějakou režii to má (zejména dokud jsme na to nepřesunuli nějakou výraznou zátěž - i naprázdno to musí furt točit tím setrvačníkem).

            Ale jako jo, impozantní mašina to teda je.

            [ Reagovat ] [ Zpět ]
            Datum: 02.01.2015
            Autor: Akito
            Hodnocení: 0 Hlasovat mohou jen přihlášení uživatelé Hlasovat mohou jen přihlášení uživatelé 0
      • Re: Pb akumulator v UPS

             

        Tak doufam, ze ted uz se v UPS nic prehrivat nebude! :-)
        Sice se trochu zvysila hlucnost, ale na skrini v komore, kde server bydli, to snad nikomu vadit nebude. Tepota uvnitr klesla docela drasticky, mozna by byval stacil i mensi ventilator. :-)

        [ Reagovat ] [ Zpět ]
        Datum: 02.01.2015
        Autor: Jrr
        Hodnocení: +1 Hlasovat mohou jen přihlášení uživatelé Hlasovat mohou jen přihlášení uživatelé 0
        • Re: Pb akumulator v UPS

               

          Co to je vlastně za UPS, na jaký výkon?
          A předtím mě zarazilo, že "sráží napětí na 205 V"
          To je ta výkonová část stále nějak aktivní?

          My teda v práci takový druh máme, ale to si udržuje vlastní stabilizované napětí 3x230/400 V. Tak bych si to představoval. Při výpadku se nic nezmění. Baterie je z padesáti 12V akumulátorů v sérii - je tam 675 V.

          [ Reagovat ] [ Zpět ]
          Datum: 02.01.2015
          Autor: Radek
          Hodnocení: 0 Hlasovat mohou jen přihlášení uživatelé Hlasovat mohou jen přihlášení uživatelé 0
          • Re: Pb akumulator v UPS

                 

            Na pohled i podle parametru vypada jako tahle
            http://www.czc.cz/fortron-fsp-ep-650-650-va...
            Teda vypadala... :-)

            Je tam jeden (momentalne 8Ah) akumulator, pisou o 360W vykonu, odebiram nekolikrat mene.
            Jak to uvnitr presne funguje nevim, ale domnivam se, ze kdyz si UPS mysli, ze je v siti prepeti, tak vyuziva transformator vevnitr (je slyset cvaknuti rele) a pretransformuje vstup pomerem cca 0.85 : 1. Predpokladam, ze pri podpeti by umela transformovat i opacnym smerem, coz jsem ale zatim nevidel.

            Pravdepodobne by stacilo aktualizovat firmware, aby pochopila, ze spravne napeti je 230V, nikoliv 220V a podle toho se posunuly hranice, protoze pres 240V mame v zasuvce casto... bohuzel jsem nikde nenasel zminku, ze by neco takoveho slo.

            Zvlastni hlavne je, ze to trafo vyrazne topilo (+55C) i v pripade, ze UPS napeti povazuje za spravne (vstupni a vystupni napeti hlasi shodne) a baterie je nabita.
            S ventilatorem (toci se furt pokud neni UPS vypnuta) ale myslim, ze to bude v pohode. :-)

            [ Reagovat ] [ Zpět ]
            Datum: 02.01.2015
            Autor: Jrr
            Hodnocení: 0 Hlasovat mohou jen přihlášení uživatelé Hlasovat mohou jen přihlášení uživatelé 0
            • Re: Pb akumulator v UPS

                   

              A nedají se tam tyhle hodnoty poslat z PC? Alespoň ta moje to umí. I když tam je tedy dost velký rozsah hodnot než do toho začne zasahovat nějak více... Viz obr.
              Už ale netuším jestli si to pamatuje když je bez datového spojení s počítačem. A simulovat tyhle stavy vstupního napětí zase ani nemám jak...

              [ Reagovat ] [ Zpět ]
              Datum: 02.01.2015
              Autor: Jarda
              Hodnocení: 0 Hlasovat mohou jen přihlášení uživatelé Hlasovat mohou jen přihlášení uživatelé 0
              • Re: Pb akumulator v UPS

                     

                Než jsem to napsal, tvůj příspěvek jsem neviděl :-)
                Ta moje UPS si nastavení pamatuje i bez PC.

                [ Reagovat ] [ Zpět ]
                Datum: 02.01.2015
                Autor: Radek
                Hodnocení: 0 Hlasovat mohou jen přihlášení uživatelé Hlasovat mohou jen přihlášení uživatelé 0
            • Re: Pb akumulator v UPS

                   

              To je zvláštní, asi to trafo bude pořád buzené a využívá se jako autotransformátor.
              To by mě štvalo.
              Doma jsem využil starou APC. Tam žere asi 2 W relé, které je v normálním stavu pořád seplé, i když někde to bývá naopak. To ještě jde.
              S notebookem není potřeba, ale zálohuje mi internet i všechno na stole a mám z toho po dílně/pokojíku rozvedených přes pojistky i těch 12 V - po odzkoušení, že takový odběr neidentifikuje jako závadu na baterii.
              Na rozhraní v počítači se dá leccos definovat, hlavně zakázat bzučák a taky nastavit, v jakém rozsahu nemá reagovat. Při překročení nahoru nebo dolů generuje obdélníky z baterie a trvale upravovat napětí neumí.

              [ Reagovat ] [ Zpět ]
              Datum: 02.01.2015
              Autor: Radek
              Hodnocení: 0 Hlasovat mohou jen přihlášení uživatelé Hlasovat mohou jen přihlášení uživatelé 0
  • Konstrukce cívky/tlumivky

         

    Je nějaký důvod, proč pro určitou aplikaci použít určitou konkrétní konstrukci indukčnosti? V GESu mají pro indukčnosti zvlášť sekci "toroidní indukčnosti pro spínané zdroje". Je nějaký rozdíl v tom, když je to válec nebo toroid? Nebo stačí ty správné Henry a maximální proud, a pak už na konstrukci nezáleží?

    [ Reagovat ] [ Zpět ]
    Datum: 17.11.2014
    Autor: Akito
    Hodnocení: 0 Hlasovat mohou jen přihlášení uživatelé Hlasovat mohou jen přihlášení uživatelé 0
    • Re: Konstrukce cívky/tlumivky

           

      Pokud si ze školy pamatuju správně, tak toroidní cívka (ideální) nemá vnější magnetické pole, jen vnitřní. Tím získáš jednak celou délku magnetických siločar uvnitř jádra, žádné procento vzduchem okolo, a tedy větší indukčnost pro stejnou velikost cívky, a jednak menší nechtěné vyzařování rušení do okolí, takže zařízení snadněji splní EMI požadavky. Je možné, že pro spínané zdroje je to ještě důležitější než jinde, protože tam jaksi z principu v cívce kmitá celý výkon procházející zdrojem a zrovna EMI by mohla být problém.

      [ Reagovat ] [ Zpět ]
      Datum: 17.11.2014
      Autor: Jirka
      Hodnocení: 0 Hlasovat mohou jen přihlášení uživatelé Hlasovat mohou jen přihlášení uživatelé 0
      • Re: Konstrukce cívky/tlumivky

             

        Zajímavé. No ale teda pokud zrovna nehraje velikost roli, tak jde jen o ty Henry a jmenovitý proud, nebo ne?

        [ Reagovat ] [ Zpět ]
        Datum: 17.11.2014
        Autor: Akito
        Hodnocení: 0 Hlasovat mohou jen přihlášení uživatelé Hlasovat mohou jen přihlášení uživatelé 0
        • Re: Konstrukce cívky/tlumivky

               

          U skutecne civky budou hlavnimi parametry indukcnost a stejnosmerny odpor. Podobne jako maximalni proud to bude odvisle hlavne od tloustky dratu.

          Ja bych ale nejak intuitivne cekal, ze s tororidni civkou bude lepsi vysledna ucinnost. Kdyz by sis dal (jako ja v krabicce svetla) dve valeckoidni civky vedle sebe, vysledkem bude transformator...
          Takze nepujde jen o EMC, ale asi vzdycky mas v okoli civky neco kovoveho, na cemz se vyzarena energie bude menit v bezcenne teplo.

          Netusim ale, jak moc vyznamne to je a uz vubec bych to neumel spocitat. :-)

          [ Reagovat ] [ Zpět ]
          Datum: 17.11.2014
          Autor: Jrr
          Hodnocení: 0 Hlasovat mohou jen přihlášení uživatelé Hlasovat mohou jen přihlášení uživatelé 0
  • Re: Vlastní osvětlení a další elektronika - 8

         

    Jak byste dělali pružinu do držáku na baterie? Potřeboval bych mít držák, do kterého se vejde 18650 i 18650 s ochrannou elektronikou, která je o kus delší než 65 mm. Konstrukce, kterou mám tady už asi ten rozdíl nepobere:

    http://www.fi.muni.cz/~kas/heater/

    Tak jsem si říkal, že zkusím klasickou pružinu na záporný pól baterky. Kde se něco takového bere, případně z jakého materiálu byste to dělali?

    [ Reagovat ] [ Zpět ]
    Datum: 17.11.2014
    Autor: Akito
    Hodnocení: 0 Hlasovat mohou jen přihlášení uživatelé Hlasovat mohou jen přihlášení uživatelé 0
    • Re: Vlastní osvětlení a další elektronika - 8

           

      Z čeho nějak rozumně dělat pružinku mě nenapadá, leda kuchnout z držáku tužkových, nejsou myslím moc drahé :-). Pak ještě přemýšlím, jak velké by byly ztráty, kdyby si člověk udělal třeba z mědi nebo mosazi kotouček příslušné tloušťky a prostě ho vrazil pod konec té kratší verze baterky. Kdyby to mělo být izolované po okrajích kvůli riziku nechtěného kontaktu s něčím jiným, pak by stačilo ustřihnout krátký kousek smršťovačky a smrštit ji kolem toho tak, že by tomu zbyly holé jen plošky uprostřed obou kruhových čel. Kdybys měl zájem, nějaké Ti na soustruhu nakrájím. Zrovna jsem rozchodil nový výkonný soustruh, kde by to šlo krásně snadno.

      [ Reagovat ] [ Zpět ]
      Datum: 17.11.2014
      Autor: Jirka
      Hodnocení: 0 Hlasovat mohou jen přihlášení uživatelé Hlasovat mohou jen přihlášení uživatelé 0
      • Re: Vlastní osvětlení a další elektronika - 8

             

        Ztráty by asi byly zanedbatelné, diky za nabídku. Nicméně mít po ruce měděný váleček by asi byl dost opruz. Ještě jsem vymyslel, že já vlastně tu elektriku nemusím dovést ke stěně krabičky, takže by asi bylo únosné taky mít nějaký drátěný kontakt, vypodložený něčím pružným nevodivým. Třeba kusem nějaké pěnové gumy nebo tak něco.

        [ Reagovat ] [ Zpět ]
        Datum: 17.11.2014
        Autor: Akito
        Hodnocení: 0 Hlasovat mohou jen přihlášení uživatelé Hlasovat mohou jen přihlášení uživatelé 0
        • Re: Vlastní osvětlení a další elektronika - 8

               

          jako distanční vložky používám supermagnety z dx, ty aspoň neztrácím (-:
          http://www.dx.com/p/super-strong-rare-earth-re...

          [ Reagovat ] [ Zpět ]
          Datum: 18.11.2014
          Autor: brum
          Hodnocení: 0 Hlasovat mohou jen přihlášení uživatelé Hlasovat mohou jen přihlášení uživatelé 0
          • Re: Vlastní osvětlení a další elektronika - 8

                 

            Vidím tam dobře, že jasně píšou o prodlužování "protected" baterií, tedy s elektronikou? No stane se...
            Jenom je pak potřeba dávat pozor, když máš u sebe víc jak dvě takhle upravené baterie (dvě se ještě můžou odpuzovat) :-)

            [ Reagovat ] [ Zpět ]
            Datum: 18.11.2014
            Autor: Radek
            Hodnocení: 0 Hlasovat mohou jen přihlášení uživatelé Hlasovat mohou jen přihlášení uživatelé 0
            • Re: Vlastní osvětlení a další elektronika - 8

                   

              Kecám, jsem si to líp představil, samozřejmě můžeš dát všechny stejně, aby se odpuzovaly.

              [ Reagovat ] [ Zpět ]
              Datum: 18.11.2014
              Autor: Radek
              Hodnocení: +1 Hlasovat mohou jen přihlášení uživatelé Hlasovat mohou jen přihlášení uživatelé 0
    • Re: Vlastní osvětlení a další elektronika - 8

           

      Ja bych pouzil pruzinku z rychloupinaku... idealne ze socikoveho Favoritu, ty byly dost silne a prumer by k 18650 sedel taky.

      [ Reagovat ] [ Zpět ]
      Datum: 20.11.2014
      Autor: cibi
      Hodnocení: 0 Hlasovat mohou jen přihlášení uživatelé Hlasovat mohou jen přihlášení uživatelé 0
    • Re: Vlastní osvětlení a další elektronika - 8

           

      http://intl-outdoor.com/goldsilver-plated...
      http://intl-outdoor.com/gold-plated-beryllium...

      [ Reagovat ] [ Zpět ]
      Datum: 20.12.2014
      Autor: drood
      Hodnocení: 0 Hlasovat mohou jen přihlášení uživatelé Hlasovat mohou jen přihlášení uživatelé 0
  • Re: Vlastní osvětlení a další elektronika - 8

         

    http://www.dx.com/p/me-0378-1000mah-bicycle...

    [ Reagovat ] [ Zpět ]
    Datum: 21.11.2014
    Autor: AV
    Hodnocení: 0 Hlasovat mohou jen přihlášení uživatelé Hlasovat mohou jen přihlášení uživatelé 0
  • Výkonový konektor

         

    Potřebuju nějaký konektor, kterým by šly bez problémů přenášet proudy v řádu jednotek A (2 A, možná až 5 A pulzně). Pokud možno, aby byl vodotěsný aspoň proti stříkající vodě, ne nutně proti ponoření do vody. A aby byl na obou stranách co nejmenší.

    Možná něco jako mají notebooky u napájecích zdrojů? Akorát je problém, že když bych chtěl koupit jen konektor na kabel, tak to bývá nějaká šroubovací verze, která je tak 2x delší než zatavená verze téhož u zdroje notebooku.

    Mělo by to být něco, co nejde přepólovat ani krátkodobě, například 3.5 mm jack ne.

    Zatěsnění na straně kabelu asi půjde udělat tavným lepidlem, jde v podstatě jen o zatěsnění na straně spoje s protikusem.

    Co byste použili?

    [ Reagovat ] [ Zpět ]
    Datum: 25.11.2014
    Autor: Akito
    Hodnocení: 0 Hlasovat mohou jen přihlášení uživatelé Hlasovat mohou jen přihlášení uživatelé 0
    • Re: Výkonový konektor

           

      Dá se koupit i nalisovaná verze s kabelem.
      http://www.ezk.cz/e-shop/img/ftp/ndkz25.jpg

      Našroubovaný plastový kryt se stejně poláme, tak nakonec nechám z konektoru jenom nutnou část a na to navrstvím smršťovačky. Vzniklá zatavená verze je i menší než co se dá koupit.

      [ Reagovat ] [ Zpět ]
      Datum: 26.11.2014
      Autor: Radek
      Hodnocení: 0 Hlasovat mohou jen přihlášení uživatelé Hlasovat mohou jen přihlášení uživatelé 0
      • Re: Výkonový konektor

             

        Ještě k vodotěsnosti - jestli mezi oběma částmi po spojení není mezera, dát tam silikonovou vazelínu. Když mezera je, přidat kroužek ze silikonové bužírky a taky vazelínu.
        Dobře se to utěsňuje, když jde konektor přes díru v krabičce.

        Neměli jste někdo problém s konektorem u dynama? Tam vodotěsnost moc vyřešená není, což může být při napětí kolem 100 V naprázdno problém. Kdysi mi to u Shimana chytlo zkrat, sůl na cestách tomu přispěla. Vazelína pomáhá, dávám ji i na SON kolem těch fastonů.

        [ Reagovat ] [ Zpět ]
        Datum: 26.11.2014
        Autor: Radek
        Hodnocení: 0 Hlasovat mohou jen přihlášení uživatelé Hlasovat mohou jen přihlášení uživatelé 0
    • Re: Výkonový konektor

           

      Já celkem nedávno přemýšlel, jestli by se pro takovéhle účely nedal použít nějaký z modelářských konektorů akolem něj neudělat kryt vytisknutý na 3D tiskárně a jako těsnění tam narvat o-kroužek.

      Konkrétně jsem uvažoval o tomhle konektoru:
      http://www.peckamodel.cz/produkt/rc-modely-a...
      Ale asi by se našly i vhodnější kandidáti.

      [ Reagovat ] [ Zpět ]
      Datum: 26.11.2014
      Autor: snilard
      Hodnocení: 0 Hlasovat mohou jen přihlášení uživatelé Hlasovat mohou jen přihlášení uživatelé 0
      • Re: Výkonový konektor

             

        Tohle vypadá zajímavě. Zlato určitě nebude korodovat :-)

        Akorát teda u toho nikde nepíšou nějaké vlastnosti - proudy, vodivosti, rozměry, atd.

        [ Reagovat ] [ Zpět ]
        Datum: 26.11.2014
        Autor: Akito
        Hodnocení: 0 Hlasovat mohou jen přihlášení uživatelé Hlasovat mohou jen přihlášení uživatelé 0
        • Re: Výkonový konektor

               

          Někde jsem zahlédl 50A.

          [ Reagovat ] [ Zpět ]
          Datum: 27.11.2014
          Autor: snilard
          Hodnocení: 0 Hlasovat mohou jen přihlášení uživatelé Hlasovat mohou jen přihlášení uživatelé 0
      • Re: Výkonový konektor

             

        Našel jsem, že se tyhle věci dělají i v menší verzi. Je třeba hledat "Deans Mini-T":

        http://www.rcking.eu/cs/konektory/6898-a0088.html
        http://www.hobbyking.com/hobbyking/store/_...

        Akorát teda mi přijde, že to nechrání proti nechtěnému přepólování - zastrčit to tam opačně sice nejde, ale přiložit tak, aby se dotýkaly opačné piny než mají asi ano. Limit píšou 10 A, někteří 15 A.

        Ještě existuje Deans Micro, kde oba protikusy vypadají stejně - jeden pól je pin a jeden dutinka. Jdou takhle zapojit dvě baterky proti sobě :-)

        A pak teda JST, ty jsou asi ještě menší na plochu, i když asi hlubší. Limit udávají 5 A:

        http://www.rcking.eu/cs/konektory/6896-a0033.html

        [ Reagovat ] [ Zpět ]
        Datum: 26.11.2014
        Autor: Akito
        Hodnocení: 0 Hlasovat mohou jen přihlášení uživatelé Hlasovat mohou jen přihlášení uživatelé 0
    • Re: Výkonový konektor

           

      Mám na kole mezi elektronikou světla a baterií Molex 52266-0211/52213-0211 ( http://www.molex.com/molex/products/datasheet... , http://www.molex.com/molex/products/datasheet... ). Malý je myslím docela příjemně, vodotěsný na IP67, proud se vejde (max 4A, odpor prý

      [ Reagovat ] [ Zpět ]
      Datum: 26.11.2014
      Autor: Marble
      Hodnocení: 0 Hlasovat mohou jen přihlášení uživatelé Hlasovat mohou jen přihlášení uživatelé 0
      • Re: Výkonový konektor

             

        ... sakra, zdejší fórum bez varování maže veškerý text za většítkem. Chjo, tak ještě jednou ...
        odpor prý max 10 mOhm), oba konce na kabel a přepólovat bez extrémního násilí nejde. Zatím mi funguje něco jako dva roky trvale venku bez problémů.
        Má zacvakávací pojistku, což nevím jestli považuješ za výhodu nebo nevýhodu. Nehrozí tím vyklepání spojeného konektoru, ale rozpojovat jej chce trochu jemné motoriky a dělat to často nebo se zmrzlými prsty není úplně optimální.
        Horší část celé věci je cena. Koukni třeba u Farnellu, ale dáš víc než stovku za jeden spoj. :-/

        [ Reagovat ] [ Zpět ]
        Datum: 26.11.2014
        Autor: Marble
        Hodnocení: 0 Hlasovat mohou jen přihlášení uživatelé Hlasovat mohou jen přihlášení uživatelé 0
        • Re: Výkonový konektor

               

          Jak je to velké? Našel jsem tam jen rozteč kontaktů.

          [ Reagovat ] [ Zpět ]
          Datum: 26.11.2014
          Autor: snilard
          Hodnocení: 0 Hlasovat mohou jen přihlášení uživatelé Hlasovat mohou jen přihlášení uživatelé 0
          • Re: Výkonový konektor

                 

            Spojený pár na délku 3 cm (bez kabelu, měřím ten plast), průřez zhruba 7 x 8 mm (v nejširším místě).

            [ Reagovat ] [ Zpět ]
            Datum: 26.11.2014
            Autor: Marble
            Hodnocení: 0 Hlasovat mohou jen přihlášení uživatelé Hlasovat mohou jen přihlášení uživatelé 0
      • Re: Výkonový konektor

             

        ...kupuju je na DX, pojistku sem přehlíd

        [ Reagovat ] [ Zpět ]
        Datum: 26.11.2014
        Autor: brum
        Hodnocení: 0 Hlasovat mohou jen přihlášení uživatelé Hlasovat mohou jen přihlášení uživatelé 0
  • Vybíjení Li-ion baterky

         

    Zkouším upravovat firmware v topítku do bot ( http://www.fi.muni.cz/~kas/heater ) - přijde mi, že odpojuji baterku příliš brzo ve srovnání s tím, kdy odpojuje jiné baterky jejich ochranná elektronika.

    Zdroje na webu se různí - Wikipedia si myslí, že některé mobily se odpojují už při 3.3 V, některé při 3.2 V, modelářské weby zase píšou o číslech od 2.4 do 3.0 V.

    Já mám tu baterku připojenou k zátěži okolo 2 Ohmy, spínané na malé frekvenci okolo 50 Hz, takže můžu mít měření napětí jak se zátěži, tak bez zátěže. Přitom pokud odpojím zátěž úplně, tak po chvíli je napětí naměřené na baterce ještě o kousek vyšší.

    Jak byste nastavili napětí, při kterém odpojit napájené zařízení? A které měření mám použít? se zátěží, bez zátěže, delší čas po odpojení zátěže?

    [ Reagovat ] [ Zpět ]
    Datum: 21.12.2014
    Autor: Akito
    Hodnocení: 0 Hlasovat mohou jen přihlášení uživatelé Hlasovat mohou jen přihlášení uživatelé 0
    • Re: Vybíjení Li-ion baterky

           

      Tak v servisním menu Siemens Sk65 vidím dvě hranice 3.35V a 3.55V. Ta první hodnota by myslím v klidu telefon vypnula okamžitě, ta druhá spustí minutový odpočet s regulérním vypnutím na konci.
      Myslím že ale během hovoru to fungovalo trošku jinak, tuším, že se mobil začínal vypínat až při poklesu pod tu nižší hranici nebo možná se dokonce hranice přepočítávají podle spotřeby, už nevím jistě.

      Já bych měřil hodnoty obě. Pokud znáš proud do zátěže a napětí se zátěží i naprázdno, pak teoreticky můžeš počítat i vnitřní odpor baterie (včetně přívodů). Jakou hranici ale nastavit, to netuším, já stále svítím na NiMh.

      [ Reagovat ] [ Zpět ]
      Datum: 21.12.2014
      Autor: Jrr
      Hodnocení: 0 Hlasovat mohou jen přihlášení uživatelé Hlasovat mohou jen přihlášení uživatelé 0
      • Re: Vybíjení Li-ion baterky

             

        Jo, to já měřim obě hodnoty. Z té při zátěži vypočítávám hodnotu PWM tak, abych dostal požadovaný výkon (topítko nemá teploměr, nastavuje se jen požadovaný topný výkon).
        Z napětí bez zátěže jsem chtěl ukazovat stav baterky a udělat i to vypnutí.

        [ Reagovat ] [ Zpět ]
        Datum: 21.12.2014
        Autor: Akito
        Hodnocení: 0 Hlasovat mohou jen přihlášení uživatelé Hlasovat mohou jen přihlášení uživatelé 0
  • Re: Vlastní osvětlení a další elektronika - 8

         

    Já bych odpojování určitě měřil při zátěži a nastavil bych to na 3 V. Ty proudy, které z toho odebíráš nejsou úplně malé, navíc v zimě jde napětí baterek dolů.
    Pokud na to chceš jít vědecky, strč topení do mrazáku nebo ven a MCUčkem si zaznamenávej průběh napětí. Na výsledném grafu je pěkně vidět, kdy už baterka má dost.
    Z nějakých diskusí zda vyplynulo, že pokud baterku necykluješ jednou denně, má větší vliv na její stárnutí čas než nabíjecí a vybíjecí napětí.

    [ Reagovat ] [ Zpět ]
    Datum: 26.12.2014
    Autor: snilard
    Hodnocení: 0 Hlasovat mohou jen přihlášení uživatelé Hlasovat mohou jen přihlášení uživatelé 0
    • Re: Vlastní osvětlení a další elektronika - 8

           

      No, a kdy má dost? Ono samozřejmě to má průběh takový, že okolo 3.7 V je inflexní bod, za kterým to začne zase klesat strměji. Ale jak z toho poznat tu správnou hodnotu pro cut-off, to fakt netuším.

      A proč při zátěži? Tahle hodnota přece dost záleží na tom, co za zátěž tam je. Zatímco vybití baterky je stav baterky, ne stav té zátěže.

      [ Reagovat ] [ Zpět ]
      Datum: 26.12.2014
      Autor: Akito
      Hodnocení: 0 Hlasovat mohou jen přihlášení uživatelé Hlasovat mohou jen přihlášení uživatelé 0
      • Re: Vlastní osvětlení a další elektronika - 8

             

        Mohlo by se měřit bez zátěže i při zátěži a sledovat dvě hodnoty, když je ta možnost. Jestli při sepnutí proudu kolem 2 A napětí klesne a po odlehčení se okamžitě vrátí zpátky, pak je pokles způsobený vnitřním odporem a ne vybitím. Ale zas neměřit při zátěži, co kdyby se to kouslo a zůstalo sepnuté? To by teda nejspíš už stejně neměřilo...

        Integrovaná ochrana vypíná asi dost nízko, když měří i při zátěži. U malých placatých Li-Pol je to 2,5 V. Kolik to dělá u 18650, to by šlo lehce zjistit, kdybych takovou měl.

        Konečně mám už nějaké 18650 bez ochrany z vadného notebooku, ročník 2006. Byly v tom 4 paralelní dvojice v sérii. Z nich jedna byla ve zkratu, ale další měly ještě zdravé 3 V, tak jsem je nechal zatím po dvou, jak byly a nabil na 4,15 V. Napětí zatím drží, časem vyzkouším, co tam zbylo za kapacitu.

        Tak jsem teď zkusil, o kolik klesne napětí při 2 A. Měřeno na těch dvou paralelně, je to asi 0,1 V. U nových to musí být míň. Asi to bude docela zanedbatelné, aby se kvůli tomu musela dávat pokaždé jiná hodnota vypnutí. Nechal bych 2,5 V.

        [ Reagovat ] [ Zpět ]
        Datum: 27.12.2014
        Autor: Radek
        Hodnocení: 0 Hlasovat mohou jen přihlášení uživatelé Hlasovat mohou jen přihlášení uživatelé 0
        • Re: Vlastní osvětlení a další elektronika - 8

               

          Co mám 18650 s ochranou, tak to vypíná někde nad 3.3 V - měřeno podle čísla, které pak ukazuje nabíječka po vložení vybité baterky, ale zhruba to odpovídá i tomu, co měřím na řídící jednotce světel - ale tam nerozliším bez zátěže a se zátěží.

          V topítku měřím se zátěží, abych podle toho počítal výkon ze změřeného napětí.

          Ještě teda čemu říkám "bez zátěže" a "se zátěží": Frekvenci spínání odporové zátěže v topátku mám okolo 30-50 Hz, takže "bez zátěže" měřím to, co se během pár ms stihne zregenerovat. Po úplném odpojení zátěže se to po pár sekundách ještě o nějaké procento zvýší - například se zátěží dává ADC hodnotu 0x4d, bez zátěže 0x4f, a po úplném odpojení zátěže to dá 0x50.

          Asi to teda nechám tak jak to mám: když "bez zátěže" (v rámci jednoho 50ms cyklu) bude méně než 3.15 V, tak udělám měkké vypnutí (po minutě s připojenou zátěží), a když bude méně než 3.0 V, tak se vypnu hned, aniž bych připojil zátěž.

          [ Reagovat ] [ Zpět ]
          Datum: 28.12.2014
          Autor: Akito
          Hodnocení: 0 Hlasovat mohou jen přihlášení uživatelé Hlasovat mohou jen přihlášení uživatelé 0
          • Re: Vlastní osvětlení a další elektronika - 8

                 

            Jo a teď jsem ověřil, že z 3.3 V na 3.15 V při kterém to vypínám (bez zátěže v rámci jednoho 50Hz PWM cyklu) to spadne během cca 10-15 minut při 2.5 W průměrného odběru. Takže odhaduju že dalších 0.15 W by přineslo nejvíc dalších 10-15 minut, spíš méně.

            [ Reagovat ] [ Zpět ]
            Datum: 28.12.2014
            Autor: Akito
            Hodnocení: 0 Hlasovat mohou jen přihlášení uživatelé Hlasovat mohou jen přihlášení uživatelé 0
            • Re: Vlastní osvětlení a další elektronika - 8

                   

              Koukám, že až budu opravovat svoje topítko, budu revidovat i měření napětí :) Díky za tuhle diskusi :)

              [ Reagovat ] [ Zpět ]
              Datum: 29.12.2014
              Autor: snilard
              Hodnocení: 0 Hlasovat mohou jen přihlášení uživatelé Hlasovat mohou jen přihlášení uživatelé 0
            • Re: Vlastní osvětlení a další elektronika - 8

                   

              Jo a ještě jsem zjistil, že pokud vypnu topítko cca 2-3 minuty po poklesu pod 3.15 V, tak další den je na baterce cca 3.35 V. Takže ono to měření "bez zátěže" během cca 50 Hz cyklu stejně je o něčem jiném, než měření na baterce, na které zátěž nebyla několik hodin. Řekl bych, že by to vypnutí mělo jít posunout ještě někam níž, možná až pod 3.0 V "bez zátěže" během vypnuté fáze toho 50 Hz cyklu.

              Anebo pak počítat s pomalým vnímaním změn teploty člověkem a pro účely měření "bez zátěže" vypínat třeba po minutě na 1-2 vteřiny, a teprve na konci toho vypnutí provést měření.

              [ Reagovat ] [ Zpět ]
              Datum: 29.12.2014
              Autor: Akito
              Hodnocení: 0 Hlasovat mohou jen přihlášení uživatelé Hlasovat mohou jen přihlášení uživatelé 0
              • Re: Vlastní osvětlení a další elektronika - 8

                     

                A neměřil jsi tu baterku hned po vypnutí a potom za několik hodin při různých teplotách? Myslím má o kus nižší napětí, když je jí zima. Pak by čas nehrál roli (nebo ne takovou).

                [ Reagovat ] [ Zpět ]
                Datum: 30.12.2014
                Autor: Jirka
                Hodnocení: 0 Hlasovat mohou jen přihlášení uživatelé Hlasovat mohou jen přihlášení uživatelé 0
                • Re: Vlastní osvětlení a další elektronika - 8

                       

                  Bylo to v te stejne mistnosti. Rozdil teplot bych odhadl na max. par stupnu.

                  Ale delaly to pak i jine baterie. Zkusim nejakou vybit a pak udelat graf napeti po odpojeni zateze.

                  [ Reagovat ] [ Zpět ]
                  Datum: 30.12.2014
                  Autor: Akito
                  Hodnocení: 0 Hlasovat mohou jen přihlášení uživatelé Hlasovat mohou jen přihlášení uživatelé 0
                  • Re: Vlastní osvětlení a další elektronika - 8

                         

                    Dneska jsem jel do práce a z práce, a v mrazech to vypadá jinak: jak jsem psal, vypínám při méně než 3.15 V (měřeno při vypnutém MOSFETu v rámci ~50Hz cyklu). No a baterky které se mi ráno takto vybily a vypnuly (cca hodina a 20 minut, zátěž od 2.5 do 5 W), ukázaly večer v teple v nabíječce 3.6 V.

                    Zpátky (1:10) se to nevybilo, ale jel jsem víc než půlku na 2.5 W, zbytek na 3.5 W (jen proto, že se mi nechtělo zastavovat a zvednout to na 5 W - kosa byla docela dost). No ale i ty druhé baterky ukázaly v nabíječce 3.6 V.

                    Tak možná bych fakt měl být drsnější a vypínat to později, až někde pod 3.0 V.

                    [ Reagovat ] [ Zpět ]
                    Datum: 30.12.2014
                    Autor: Akito
                    Hodnocení: 0 Hlasovat mohou jen přihlášení uživatelé Hlasovat mohou jen přihlášení uživatelé 0
    • Re: Vlastní osvětlení a další elektronika - 8

           

      Ještě teda - u topení si představuju, že hned po příjezdu můžu začít nabíjet, čili baterka v tom vybitém stavu nebude dlouho. Zatímco u osvětlení si dovedu představit, že ještě ne úplně vybitou baterku (podle názoru řídící elektroniky) můžu nechat v zařízení ještě hodně dlouho. Takže tam by mělo cenu to cut-off napětí posadit výš než u topítka.

      [ Reagovat ] [ Zpět ]
      Datum: 26.12.2014
      Autor: Akito
      Hodnocení: 0 Hlasovat mohou jen přihlášení uživatelé Hlasovat mohou jen přihlášení uživatelé 0
Nastavte si vlastní barvu pozadí:
Seznamka

Hledám: Parťačku na e-bike do terénu. (Jihlava)

Hledám: Parťačku na e-bike do terénu. (Jihlava)
14.05.2026
Ahoj! Jsme Peter (55) a Dáša (50) a hledáme fajn parťačku na e-bike do přírody. Rádi mezi sebou přivítáme i…

Hledám: Ebajker-ka Praha nebo jih - Tábor, Vlašim, Pacov..

Hledám: Ebajker-ka Praha nebo jih - Tábor, Vlašim, Pacov..
04.05.2026
Hledá se E-biker-ka ideálně z Prahy (nejlépe 4) nebo v Praze žijící, případně okolí Vlašimi, Pacova, Mladé Vožice,…

Hledám: Brno a okoli

Hledám: Brno a okoli
03.05.2026
Najde se partacka na cyklo vylety? Klidne i na vic dni. Pripadne pesky do hor, ferraty, na kajak... Ja VS, 187 cm…
Cyklozájezdy | Dokempu.cz | Cyklobazar | Aktivni dovolená
Perfektní funkční oblečení pro vaše sportovní aktivity, od značky Moira.
[ Nahoru ]
e-mail:
heslo:
  zapamatovat

NaKole.cz se právě projíždí

247 cyklistů (10 přihlášených)

Cyklodovolená 2025 – kratičký okruh Balkánem – 4. část

Z Bosny do Srbska a návrat domů 7. denNe že bych si na to zvykla, ale nejednou se stalo, že v průběhu naší…
Peggy | 10.04.2026

Cyklodovolená 2025 – kratičký okruh Balkánem – 3. část

Černá Hora - Durmitor 5. denJadranka ráno smaží palačinky, mažeme si je nutelou a domácí marmeládou, padají…
Peggy | 06.04.2026

Srdce v lomu, tiché místo, které objevíš jen z výšky

Do Českého středohoří jsme tentokrát nejeli jen tak. Nebyl to vandr „kam nás nohy zanesou“. V batohu jsme si…
cenda155 | 02.04.2026